Что-то не так?
Пожалуйста, отключите Adblock.
Портал QRZ.RU существует только за счет рекламы, поэтому мы были бы Вам благодарны если Вы внесете сайт в список исключений. Мы стараемся размещать только релевантную рекламу, которая будет интересна не только рекламодателям, но и нашим читателям. Отключив Adblock, вы поможете не только нам, но и себе. Спасибо.
Как добавить наш сайт в исключения AdBlockРеклама
Экономичный индикатор аварийных температурных
Экономичный индикатор аварийных температурных режимов
|
| Андрей Шарый, Черниговская обл, с.Кувечичи. E-mail andr (at) chspu.edu.ua |
Повышение экономичности устройств на микросхемах, использующих технологию
КМОП.
Не секрет, что микросхемы серий К176, К561 и им подобные очень популярны
у радиолюбителей в виду их экономичности, надежности и широкого диапазона
питающих напряжений. Действительно, в стационарном состоянии логических
элементов (ЛЭ) ток потребления ИМС составляет доли микроампера, но стоит
заставить хотя бы один из ЛЭ периодически переключатся, как ток потребления
резко возрастает, да еще и пропорционально частоте переключений. Также
возрастает ток потребления, если использовать ЛЭ в качестве пороговог
оэлемента: при плавном нарастании напряжения на входе ЛЭ от 0 до +Ucc
ток потребления существенно изменяется (см. рис.1)

Рис.1
Изменение тока потребления ИМС при медленном изменении входного напряжения.
и может достигать 1 мА при входном напряжении, близком к пороговому напряжению
переключения ЛЭ. Та же картина характерна и для ЛЭ с гистерезисом типа
тех,
что содержатся в К561ТЛ1, ТЛ2. Именно поэтому обречены на неудачу попытки
создать экономичный датчик температуры или освещенности в котором используется
пороговое звено, как на рис. 2: ток потребления такого устройства в ждущем
режиме может перевалить за несколько миллиампер, так как к току потребления
ИМС добавляется ток делителя R1R2, который не може тбыть слишком малым
ввиду резкого ухудшения помехоустойчивости при увеличении сопротивления
резисторов делителя.
Рис.2 Простой пороговый элемент.
Ясно, что использовать такое устройство длительное время с питанием от
батарей не представляется возможным. Итак, существует несколько путей
уменьшения потребляемого тока: во-первых, можно понизить напряжение питания
до минимально возможного, но для устройства (рис.2) ток потребления все
равно не удается снизить более чем до 0.8мА. Правда во многих других случаях
понижение напряжения целесообразно, так например, таймер, собранный на
К176ИЕ12 потребляет при напряжении питания 9 В ток 0.35 мА, а при питании
напряжением 8 В -- уже 0.2 мА, 7В -- 0.1 мА. Частота стабилизированного
кварцем генератора при этом практически не изменяется. Практически понизить
напряжение питания такой ИМС можно включив в разрыв проводника питания,
идущего к + ИМС один-два кремниевых диода типа КД522, и ток потребления
понизится в 2-3 раза. Не следует особо увлекаться этим способом, так как
при понижении напряжения питания ухудшаются частотные свойства ИМС. Во-вторых,
можно основательно поменять алгоритм работы устройства, исключив длительные
временнЫе промежутки, в которых на входы ЛЭ поступают напряжения, близкие
к пороговым напряжениям переключения. Фактически, устройство должно работать
в импульсном режиме.
Оба принципа реализованы в описанном ниже устройстве -- индикаторе превышения
установленного температурного порога.
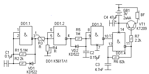
Рис.3 Принципиальная схема термоиндикатора.
Устройство предназначено для осуществления аварийной индикации повышения температуры в инкубаторе или как индикатор нагрева чего-либо до заданной температуры. Устройство абсолютно автономно, питается от двух батарей размера AA и потребляет ток около 40 мкА, то есть от комплекта свежих батарей индикатор может работать от 6000 часов и более в зависимости от качества гальванических элементов.
Рассмотрим подробнее принцип работы устройства.
На DD1.1 реализован генератор положительных импульсов с очень большой
скважностью. Период следования импульсов около 1с, длительность -- около
0.5мс. Эти импульсы через делитель напряжения, образованный термистором
R3 и подстроечником R4 поступают на вход DD1.2. Если пик напряжения (в
момент прохождения импульса) на входе DD1.2 выше порога логической единицы
(термистор горячий), то на выходе DD1.2 формируется короткий импульс нулевого
уровня, запускающий одновибратор на DD1.3, который "растягивает"
запускающий импульс до долей секунды и инвертирует его. Именно этот, опять
единичный, импульс запускает на короткое время настроенный в резонанс
звукоизлучателя генератор на DD1.4. Если же термистор холодный, то на
4-м выводе постоянно присутствует логическая 1, следовательно, на 10-м
-- логический 0, работа генератора на DD1.4 запрещена. Более того, в этом
состоянии на выводе 11 ИМС высокий логический уровень запирающий транзистор
-- ток через звуковой излучатель не проходит.
Налаживание.
Подстроечным резистором R4 устанавливают необходимый температурный порог
срабатывания сигнализации, при необходимости подбирают R6 по максимальной
громкости зучания излучателя.
Детали и конструкция.
Все примененные детали малогабаритные. С1 и С2 должны быть неэлектролитическими,
желательно с малыми токами утечки. Звуковой излучатель BF -- любой подходящий
электромагнитный, например, от электронного будильника или звуковой детской
игрушки. Можно применить и пьезоэлемент, но тогда для достижения достаточной
громкости потребуется параллельно ему подключить дроссель -- ферритовое
кольцо К10x6x4, заполненное проводом диаметром 0.1мм. Сопротивление термистора
и подстроечного резистора должны быть примерно равны и могут находиться
в пределах 1кОм -- 100 кОм, ток потребления устройства от этих сопротивлений
практически не зависит ввиду большой скважности импульсов. Нижняя граница
1 кОм определяется нагрузочной способностью ЛЭ. Если после DD1. 1 поставить
эмиттерный повторитель, то при незначительном повышении тока потребления
можно применить даже термисторы с сопротивлением в десятки Ом. Представляете,
как при этом возрастет помехоустойчивость! Даже при использовании термистора
сопротивлением 10кОм его можно выносить за пределы корпуса устройства
посредством витой пары на расстояние до 1 метра. Вместо термистора можно
поставить фоторезистор, тогда получится индикатор освещенности. Гальванические
элементы можно применять в принципе любые размера AA, так как даже самых
дешевых, емкостью около 0.25 Ач хватит на 6000 часов непрерывной работы.
Но если индикатор используется в ответственных устройствах типа инкубатора,
то батарейки конечно должны быть с запасом по емкости и не склонные к
протеканию электролита.

Литература.
- Данюк Д.Л. Пилько Г.В. Экзотические возможности ИМС КМОП // РадиоАматор N-8-9 1997 с.44
- Виноградов Ю. Повышение громкости звучания пьезоизлучателя Радио N-8 1993 с.39
- Белуха А. Сухие батарейки с подмоченной репутацией РадиоХобби N-1
1998 с.43
Большая просьба: о результатах повторения сообщать о результатах повторения
автору andr (at) chspu.edu.ua