Что-то не так?
Пожалуйста, отключите Adblock.
Портал QRZ.RU существует только за счет рекламы, поэтому мы были бы Вам благодарны если Вы внесете сайт в список исключений. Мы стараемся размещать только релевантную рекламу, которая будет интересна не только рекламодателям, но и нашим читателям. Отключив Adblock, вы поможете не только нам, но и себе. Спасибо.
Как добавить наш сайт в исключения AdBlockРеклама
Карманный приемник на микросхемах
Карманный приемник на микросхемах
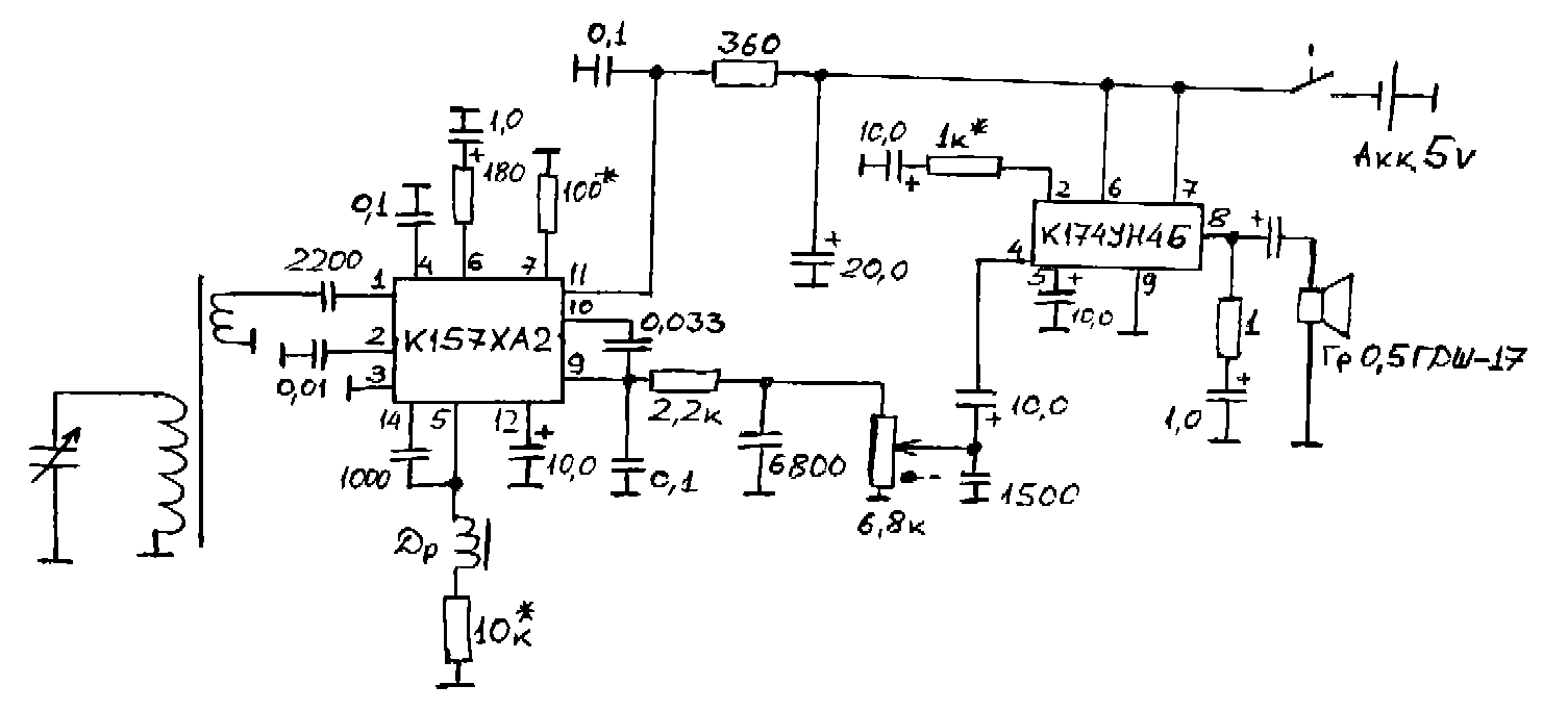
Создание этого радиоприемника началось с того, что надоело пинать старый корпус от конструктора "Юность КП-101", который в свое время не захотел нормально работать. Также под рукой нашлись несколько микросхем, которые и определили всю конструкцию. Приемник собран на широко распостраненных м/схемах К157ХА2 (или К237ХА2) и К174УН4Б. Схемы включения практически аналогичны стандартным за некоторым исключением. Так, при включении 157ХА2 некоторый подъем чувствительности удалось получить включением дросселя Др в цепь вывода 5. Дроссель выполнен на кольцевом сердечнике внешним диаметром 7 мм и имеет около 100 витков провода ПЭЛ-0,1. Причем не поленитесь и не раскалывайте кольцо для упрощения намотки - тогда никакие экраны не спасут от возбуда. Сделайте челночок и мотайте. Муторно, но действенно.
Вместо К157ХА2 можно применить К237ХА2, микросхемы практически аналогичные. Но для последней надо дополнительно заземлить 8 вывод (на схеме не показано) и использовать указанную на схеме цепь для вывода 7. Для К157ХА2 резистор 100 ом в цепь вывода 7 можно не ставить. Перед установкой омметром проверьте состояние транзистора между выводами 9 и 10, особенно для м/с 237 серии. Если он пробит, а такое случается, то м/с проще выбросить. Затем надо подобрать резистор в цепи вывода 5 для установки работы АРУ. На 237 серии номинал этого резистора обычно прописывается. Для 157 серии иногда рекомендуется около 47 кОм, но в моем случае оказалось достаточно 10 кОм. Поскольку 157 серия более стабильна в параметрах, нежели гибридная 237, то можно считать этот номинал оптимальным. К174УН4Б считается очень ненадежной м/схемой. Глупости!, при выполнении технических условий это очень неплохая схема. Итак, в этой конструкции м/схема включена упрощенно, выводы 6 и 7 соединены вместе. Резистором 1 кОм в цепи вывода 2 устанавливается усиление м/схемы, при этом микросхема должна устойчиво работать при напряжении 4 вольта, без искажений. Цепь из резистора 1 Ом и конденсатора 1 Мкф обязательна! Она влияет на общую устойчивость работы усилителя, а от нее обычно отказываются и в целях упрощения, и из-за трудности найти резистор. Найдите утюг старый, в конце концов, и из нихромовой спирали соорудите резистор! Работы, вроде, немного, а результат впечатляет. Также применен громкоговоритель типа 0,5ГДШ-17 с сопротивлением катушки 50 Ом. Можно конечно применить и 8-ми омный динамик, НО: с ним потребляемый ток достигает 50-80 мА, а с 50-омным динамиком - максимум 10 мА. Есть за что побороться. Конденсатор переменной емкости КП-180, из комплекта "Юности", магнитная антенна также стандартная. Контурная катушка содержит 90 витков провода ПЭЛ-0,1, а катушка связи - 5-10 витков. Подбор последних следует вести добиваясь максимальной избирательности, ибо чувствительность всей схемы достаточно высокая. Аккумуляторная батарея для приемника также самодельная. Итак, берется старая "Крона" (другие батарейки в корпус от "Юности КП-101" не лезут), развальцовывается нижняя часть и вынимается содержимое. Затем берутся 4 аккумулятора типа Д-0,1 или Д-0,15, спаиваются (паяльником ;), а не спиртом) последовательно и припаиваются к колодке от "Кроны", разумеется, с соблюдением прежней полярности. Затем смазываются вазелином, дабы не окислялись, и, разделенные картонными перегородками, запихиваются обратно в жестяной корпус, после чего донышко опять завальцовывается. Все, у вас получился аккумулятор типа 4Д-0,1 ;), по аналогии с 7Д-0,1, вполне умещающийся в корпус приемника и сопоставимый с током нагрузки (10 мА, не забыли?). Разумеется, если вы используете корпус от "КП-105", то подобный изврат не нужен. Зарядка аккумулятора в авторском варианте производилась от китайского БП с током в 1А при напряжении на переключателе 4,5 Вольт, при этом ток зарядки был 9-12 мА, что вполне нормально для 10-часовой зарядки. Можно извращаться дальше. Если по приколу, то можно сделать индикатор настройки в виде светодиода и резистора 2 кОм. Если подключить их между массой и выводом 12 ХА2, то светодиод будет загораться при точной настройке. Этот вариант более применим к стационарной конструкции, при питании от сети, при этом светодиод можно закрепить на стрелке настройки. Если схема питается от батарей, то логичней подключить светодиод к выводу 13 ХА2, тогда при точной настройке он будет гаснуть, что сэкономит батарею. Можно также применить питание в 9 вольт, но тогда резистор 360 Ом в цепи вывода 11 ХА2 надо увеличить до 1 кОм, чтоб не запалить микросхему. Схема модернизации
Вот вроде и все. Добавим, что в Ставрополе этот приемник принимал обе
местные станции, а также Майкоп. В Подмосковье (Раменское) принимались
5 станций. Конечно, упрощенный входной контур не позволял добиться высокой
избирательности, но для эксперимента попробуйте дроссель Др заменить на
настроенный контур (схема выше), разумеется, экранированный, и применить
сдвоенный конденсатор настройки. Тогда результаты должны быть гораздо
лучше.
|

