LAB599.RU — интернет-магазин средств связи
EN FR DE CN JP
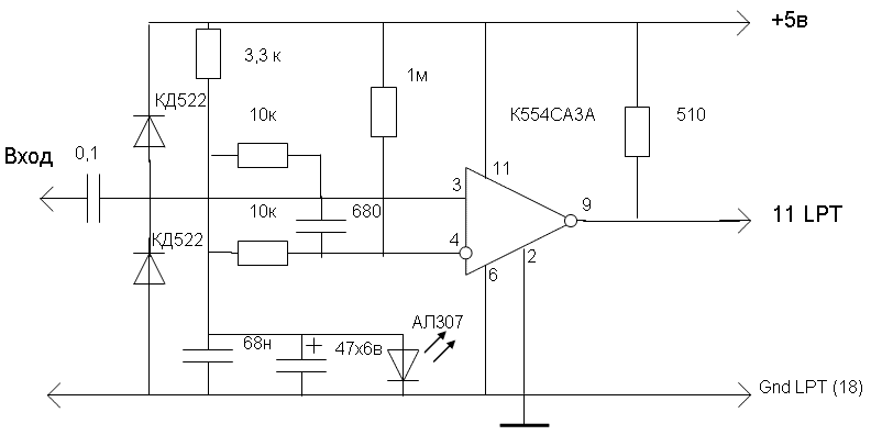
QRZ.RU > Каталог схем и документации > Схемы наших читателей > Радиолюбительские технологии > Схема сопряжения звукового выхода с параллельным портом (LPT)

Схема сопряжения звукового выхода с параллельным портом (LPT)

Схема сопряжения звукового выхода с параллельным портом (LPT)

Схема сопряжения звукового выхода радиостанции с параллельным LPT-портом вашего компьютера .

Схема сопряжения звукового выхода радиостанции с параллельным портом компа.

Источник - RadioScanner.ru

Партнеры