Портал QRZ.RU существует только за счет рекламы, поэтому мы были бы Вам благодарны если Вы внесете сайт в список исключений.
Мы стараемся размещать только релевантную рекламу, которая будет интересна не только рекламодателям, но и нашим читателям. Отключив Adblock, вы поможете не только нам, но и себе. Спасибо.
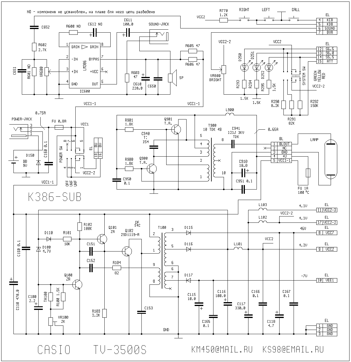
Пришлось три недели рисовать самому, не выбрасывать же. Телевизор состоит
из трех плат: питания, приемника и блока управления LCD-дисплеем.
Нарисовал только плату на которой находится блок питания, управления
и УНЧ. Высылаю может кому надо будет, помогла отремонтировать. Большая
просьба может по твоим каналам у кого есть полная схема?!!! Буду премного
благодарен. А дело было так, работал и вдруг вырубился:
Причина: Сгорел предохранитель FU 0.8A в цепи питания из-за резкого
увеличения потребления тока генератором лампы подсветки, даже одноамперный
блок питания не вытягивал. Питание с 9 вольт падало до 5 вольт. Свечение
лампы было неравномерным, волнообразным. УНЧ работал со значительными
искажениями из-за помех от преобразователя по цепи питания.
Лечение: Заменен конденсатор С910 в цепи питания генератора и установлены
отсутствующие на плате блокировочные конденсаторы С950 и С951. Ток потребления
преобразователем снизился до 0,65А, исчезли помехи УНЧ, звук стал чистым,
без искажений. Конденсатор С115 на плате в цепи питания VEE1 -7 вольт
был установлен в обратную полярность с рождения (!!!). Пришлось перевернуть!
Вот тебе и Япона мать! Могут запросто и схалтурить.
Мы используем сервисы метрических программ интернет-статистики, необходимые для сбора информации
о действиях Пользователей на сайте, улучшения качества сайта и его содержания.
Оставаясь на сайте, вы соглашаетесь с политикой конфиденциальности