Что-то не так?
Пожалуйста, отключите Adblock.
Портал QRZ.RU существует только за счет рекламы, поэтому мы были бы Вам благодарны если Вы внесете сайт в список исключений. Мы стараемся размещать только релевантную рекламу, которая будет интересна не только рекламодателям, но и нашим читателям. Отключив Adblock, вы поможете не только нам, но и себе. Спасибо.
Как добавить наш сайт в исключения AdBlockРеклама
Опыт "изобретения" синтезатора DDS
Опыт "изобретения" синтезатора DDS
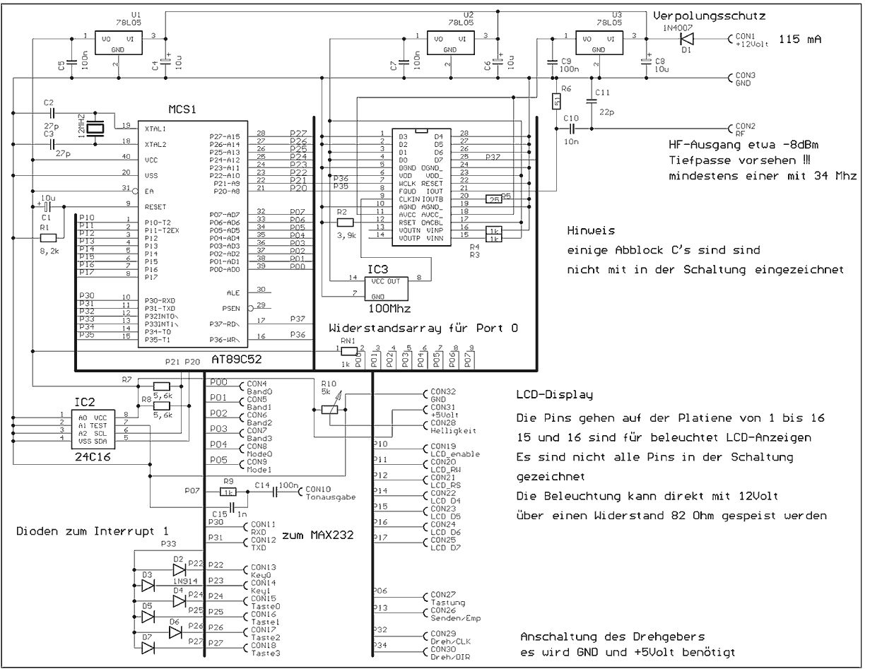
Достаточно много информации по синтезаторам с применением DDS встречаются в интернете и в последнее время появляются статьи и в радиолюбительской литературе. Как правило – это микросхемы от фирмы Analog Devices - AD 9832, 9850, 9851. Эти устройства позволяют «прямым цифровым» способом синтезировать сигнал с частотой вплоть до 180Мгц (AD9851). Шаг перестройки может составлять доли Герца (0,04Гц). Управление микросхемами DDS возможно от простейшего контроллера. В итоге можно получить «примитивно простой» синтезатор частоты со всевозможным программно поддержанным сервисом и «микро-размерами». В связи с тем, что реально существующего приёмника для КВ диапазонов с синтезатором на основе этого принципа найдено не было – пришлось заняться изготовлением и проверкой в «боевых» условиях такого синтезатора. Прикинув параметр стоимость-отдача решено было задействовать AD9850. Купить такие микросхемы оказалось не так уж и просто. Масса фирм, торгующих импортной элементной базой, в рекламных листках «бьют себя двумя кулаками в грудь» и перечисляют немыслимое количество микросхем, которые они могут якобы предложить покупателю. На деле же оказалось не так всё «радужно»…. Автору не удалось найти на территории Украины фирму, которая смогла бы продать единичные экземпляры таких микросхем. Одна лишь киевская фирма «Бис – Электроник» предложила купить минимальное количество 53 штуки при сроке поставки 2 месяца. Остальные фирмы или оставляли запросы без ответов или докладывали что-то невразумительное – понятно – никто не будет вкладывать свои кровные деньги в микросхемы, не пользующиеся массовым спросом. После полугодовых поисков одну AD9850 переслали из Болгарии и ещё AD 9850, 9851, 9832 переправили из России. Первая мысль возникла, когда увидел эти «сороконожки» - как же их паять? Планарный корпус с расстоянием 0,3 мм выводами. Ещё хотелось бы отметить и вопрос стоимости таких микросхем. Они, к сожалению, высокие. Всякие заманчивые предложения типа AD9850 за 18$, или AD9832 за 6$ в конце концов вылились в реальные AD9850 – 29$, AD9851 – 33$, AD9832 – 10$. Плюс к этому ещё всякие морально – материальные издержки, которые неизбежны при переправке через кордоны Россия – Украина. Самый дешёвый и простой способ оказался - покупка в Болгарии – AD9850 – 26$, плюс пересылка микросхемы в обычном конверте. После того, как микрухи были получены, встал вопрос – на каком процессоре делать контроллер? Проверить синтезатор было решено в портативной версии трансивера «Дунай» (см. РХ №№ 6-1999г., 1-3 2000г. или www.qsl.net/ut2fw ) Т.к. основная задача была выяснить – действительно ли «прямой синтез» на сегодня достиг таких шумовых параметров, что некоторые авторы даже рекомендуют их применять в коротковолновых трансиверах (см.«Радиодизайн»)??? В синтезаторе ТРХ «Дунай» используется процессор 89С52 и за несколько лет эксплуатации и многократных повторений не было ни одного обоснованного случая предъявить какие-либо претензии к его работе. Но написание программы для 89С52 процесс более длительный и сложный, нежели это можно было сделать для микроконтроллеров серии AVR. На «общем совете» и порешили – используем для проверки-отработки синтезатора атмеловский микроконтроллер – AT90S2313. Производитель DDS – фирма Analog Devices даёт рекомендации по составлению управляющих программ и разводке плат под эти микросхемы, поэтому работа немного упрощается. Первоначальные «сигнальные» версии программ нет смысла описывать, расскажу о последней, которую можно скачать с сайта журнала или найти на сайте автора www.qsl.net/ut2fw/dds/proga ![]() Для краткости назовём управляющий контроллер блоком управления (БУ). В качестве платы индикации была задействована плата индикации – фальшпанель от ТРХ «Дунай», так как в случае положительного исхода работы синтезатор бы и был применен в этом трансивере. Того «обилия» управляющих кнопок, которое используется в ТРХ, здесь не требовалось, поэтому использовано всего девять. Четыре кнопки для управления самим DDS(синтезатором) - KEY00,07,08,17 и четыре кнопки для управления родами работ в трансивере KEY03,04,05,06. Переключение между режимами в синтезаторе осуществляется нажатием кнопки KEY01. При этом при каждом нажатии режимы сменяют друг друга по кругу. В начале (при первоначальном пуске) БУ находится в режиме отображения частоты настройки. Затем следует режим отображения промежуточной частоты (при втором нажатии на KEY01), частота VFO (третье нажатие). В режиме отображения промежуточной частоты сегменты всех индикаторов синхронно «подмигивают» - это необходимо для того, чтобы можно было отличить от других режимов отображения. Значение промежуточной частоты может быть изменено нажатием на кнопки: KEY 07/08 = +/- 100000ГцKEY 07/08 = +/- 1000Гц KEY 17/00 = +/- 50Гц KEY 07/08 = +/- 10Гц С такими же шагами перестройки кнопки работают и в других режимах. Частота гетеродина рассчитывается следующим образом: Если частота настройки трансивера выше 12 MHz, то Fg = F - IF1. В противном случае Fg = F + IF1. Где F-частота на которой работает трансивер, IF-промежуточная частота, Fg-выходная частота синтезатора. IF1 - промежуточная частота по умолчанию - введено значение - 8362900 Гц. Валкодером частота перестраивается шагом 50Гц. Переключение режимов работы трансивера нажатием триггерных клавиш клавиатуры: KEY03, KEY04, KEY05, KEY06 работая в триггерном режиме вызывают изменение уровня сигнала на выходах AT90S2313 №№6, 11, 18, 19 (соответствуют кнопкам «U/L», «VOX», «ATT», «АМР» на плате индикации-фальшпанели ТРХ «Дунай») Микроконтроллер AT90S2313 имеет 15 линий ввода-вывода, которые при необходимости могут работать в одном из трех режимов: 1.Выход. Нагрузочная способность достаточна для непосредственного подключения светодиода2.Вход. 3.Вход с подтягивающим резистором. Линии ввода-вывода микроконтроллера AT90S2313 сконфигурированы следующим образом:
Ещё хотелось бы отметить, что программно заложена индикация частоты до десятков герц. На плате индикации-фальшпанели разведено только 6 регистров 561ИР2 и соответственно 6 индикаторов АЛС, но при надобности можно увеличить их до семи – соответственно и считывать показания частоты до десятков герц. Нежели это сделано в ТРХ «Дунай» - индикация частоты до сотен герц. Выходной сигнал DDS проверялся анализатором спектра СК4-59. Если не применять никакой фильтрации, то на экране анализатора наблюдается «куча палок», которые съезжаются или разъезжаются при перестройке частоты к точке, равной половине частоты опорного генератора DDS. Применялись опорные генераторы на 100 МГц для AD9850 и 150МГц для AD9851, т.е. к 50 или 75 МГц. Интересно, что «палки» почти симметричны с обеих сторон этой точки. Фирма изготовитель в типовом включении МС для фильтрации выходного сигнала предлагает применять простейший трёхзвенный ФНЧ, состоящий из трёх катушек и семи конденсаторов. Руководствуясь принципом «кашу маслом не испортишь» и в целях получения максимально чистого сигнала, выходной сигнал с DDS фильтровался достаточно сложным фильтром с частотой 32 МГц от РПУ «Катран». Этот фильтр имеет очень высокие характеристики (рекомендую применять в других схемах для получения качественной селекции!) очень низкое затухание в полосе пропускания (не более 2 Дб), практически плоскую верхушку АЧХ и затухание в полосе задерживания не менее 60Дб. Не буду здесь описывать проблемы изготовления печатной платы в домашних условиях и затем ювелирную работу по запайке 28 ножек AD9850 (а потом и AD9851) – между ножками то - 0,3мм.! Было бы желание и настойчивость – всего можно добиться…. В конце-концов усё заработало и с дрожью в руках сие устройство было торжественно присоединено к трансиверу, вместо синтезатора с управляющим контроллером на 89С52. При вращении ручки валкодера в ту или другую сторону первые радостные чувства стали постепенно заменяться мыслью о напрасно потраченных деньгах на приобретение этих МС и невосполнимо потерянном времени. С применением AD9850 эфир выглядит (без подключенной к трансиверу антенны) практически из сплошь стоящих мелких «поражёнок». Крутишь ручку, а в динамике сплошное «пик, пик, пик»… При чувствительности ТРХ не хуже 0,3мкВ общий уровень «поражёнок» составляет около 2-4 баллов по шкале S-метра. Но попадаются «поражёнки» и на 7-9 баллов. Анализатор спектра СК4-59 показал соотношение «сигнал-шум» (если можно так назвать параметр отношения уровней самого синтезированного сигнала к усредненному уровню «мусора»), как и дает фирма изготовитель – около 71-76Дб. При подключении антенны к трансиверу ситуация немного улучшилась, т.к. при чувствительности трансивера 0,3мкВ, на уровень эфирного шума на частотах ниже 10МГц стрелка S-метра показывает не менее 7-4 баллов в зависимости от рабочей частоты. На диапазонах 160 - 80м – «пик, пик, пик» вообще стало незаметно и какая-то смутная надежда (неизвестно на - что?…) затеплилась в душе. Несколько вечеров проводилась работа в эфире с целью исследования (слухового) качества работы синтезатора. Интересно было узнать насколько «широкий» сигнал у DDS вблизи принимаемого сигнала – он оказался достаточно «узкий», по крайней мере, не «шире», чем при применении «классического» ГУНа на полевом транзисторе. При работе «в канале» тоже нельзя сказать ничего плохого – не наблюдается ничего неестественного, даже если сравнивать с работой ТРХ от обычного ГПД. При перестройке частоты нет никаких «ступенек», девиаций, дребезга, «дёрганий» - практически такое же ощущение, что и при перестройке обычного ГПД от переменного конденсатора. Если бы не «поражёнки»….. «Наигравшись» вволю с AD9850 подошёл черёд и испытания следующей – AD9851. Снова пришлось заниматься ювелирной работой – отпаивать 28 ножек AD9850 и припаивать 28 ножек AD9851, кстати, они у этих МС короткие и жёсткие. По шумовым параметрам AD9851 Analog Devices даёт цифру лучше, чем 80Дб. Что и подтвердилось на практике. Средний уровень «поражёнок» не превышает 1 –3 баллов по шкале S-метра. При работе в эфире на частотах ниже 10МГц практически нельзя обнаружить на слух эти поражёнки. Следует оговориться – если не попадётся одной-двух «поражёнок» на 6 – 8 баллов – это будет зависеть от выбранной промежуточной частоты. Промчастота в ТРХ была 8,363МГц – при такой ПЧ на диапазонах 160, 80, 40, 30мм «сильных поражёнок» не было. Качество самого синтезированного DDS-кой сигнала отменное – тон «идеальный», ширина «шума» - минимальная. Разрешающая способность СК4-59 не позволяет найти отличие сигнала DDS от сигнала обычного ГПД на полевом транзисторе (КП307Г – индуктивная трёхточка, перестройка при помощи КПЕ). Если бы не эти (хоть и довольно слабые) «пик, пик, пик» при перестройке – можно было бы выкинуть однопетлевой синтезатор на 89С52 из трансивера и на его место установить малюсенькую платку всего с одной микросхемой DDS. Но, увы, пришлось поднять «кружку пива» не на радостях изобретения нового синтезатора, а по противоположному поводу… Конечно, возникают всякие безответные вопросы по поводу статей тех авторов, которые смело рассказывают о преимуществах DDS и возможности их применения в качестве синтезатора частоты коротковолнового трансивера. Наверное, строить «языком или только ручкой по бумажке» намного легче и интереснее, нежели попробовать всё это собрать в «железе» и испытать в «боевых условиях». Выводы. Проведённая работа позволяет говорить о невозможности применения микросхем прямого цифрового синтеза AD9850, AD9851 в трансивере с чувствительностью 0,3мкв без ухудшения его характеристик. Был проверен и вариант с дополнительным делением частоты сигнала DDS. Т.е. от DDS-ки брался, например, сигнал с частотой 20-30 МГц, затем делился на 4 микросхемой 74АС74 и потом только подавался на пассивный смеситель на КР590КН8, для работы трансивера на диапазоне 20м – уровень «поражёнок» не уменьшался. Не исключаю, что при менее жёстких требованиях к чувствительности трансивера (например, около 1мкв), другом варианте смесителя в трансивере – эти микросхемы могут найти применение в гетеродине. Наверное, это будет самый лучший вариант синтезатора микро-трансивера для походных условий применения. Т.к. размер всего синтезатора вместе с управляющим контроллером (на АТ90S2313) может не превысить площади спичечного коробка. К тому же не забывайте о синтезированной частоте – она может составлять до 75МГц и выше, т.е. промежуточная частота трансивера (при принимаемой 0-15МГц) может достигать 60МГц! «Вырисовывается» схемотехника миниатюрного трансивера со всевозможным сервисом (управление то от процессора), практически без входных фильтров (преобразование вверх), с непрерывным рабочим диапазоном от 0 до 15 МГц. Шаг перестройки может составлять хоть доли герца. Следующее применение синтезатор на DDS может найти в качестве ГССа. Ничего не могу сказать о той «палке» (сигнале на экране электронно – лучевой трубки анализатора СК4-59), которая убегает вверх по частоте относительно «средней точки» (см. выше информацию), т.е. 50 или 75 МГц, за пределы разрешения анализатора (110МГц). Можно предположить что, установив на выходе DDS ФВЧ с частотой среза равной половине частоты опорного генератора DDS, можно эту «палку» задействовать для получения выходного сигнала вплоть до частоты опорного генератора. Для AD9850 частота опорника может составлять 125 МГц, для AD9851 – 180МГц. Но в любом случае, если мы хотим получить на выходе ГССа действительно ту частоту, которая нам нужна – обязательно применение на выходе DDS фильтрующих элементов – ФНЧ или ФВЧ, в зависимости от потребности. Т.к. «палок» DDS выдаёт достаточно много и фильтрация обязательна! Привожу «шумовые» характеристики AD9850 - Figure 4, AD9851 - Figure 27, которые даёт фирма изготовитель в описаниях на МС. Для 9850 приведены характеристики при частоте опорного генератора 125Мгц, выходной сигнал 20Мгц. Для 9851 – при частоте опорного генератора 180Мгц, выходном сигнале 40,1Мгц. ![]() ![]() Мне не вполне ясны цели, которые преследуют зарубежные авторы (например – WB2V, DL4JAL, SM6LKH и другие) тратя время и деньги на написание управляющих программ для таких синтезаторов, изготовление «сигнальных» экземпляров, подготовку и размещение информации в интернете….. Так как насколько мне стало ясно – практически никто из авторов свои детища в действительно «боевых» условиях не проверял. Т.е. – работу таких синтезаторов в качестве гетеродина коротковолнового трансивера. Например, Richard Hosking VK6BRO на сайте которого куча всякой информации по синтезаторам на AD9850, 9851, 9854, на мой вопрос по поводу шумовых характеристик этих устройств в качестве гетеродина ТРХ ответил мне, что даже последнее его детище с использованием AD9854 «просто просмотрено на старом спектро-анализаторе HP140 series и возможно – это ещё недостаточно хороший вариант для КВ ТРХ». Наверное – «сытый голодного не разумеет!»….. Если появится новая информация по поводу разработки синтезатора для КВ трансивера - в первую очередь она будет выложена на сайте www.qsl.net/ut2fw в разделе «Новости». Автору интересна любая информация по этой теме и если кто-то из радистов, действительно занимающихся разработкой и конструированием подобной техники («болтунов» прошу не беспокоиться!) пожелает поделиться накопленным опытом или перенять мой (лучше учиться на чужих ошибках…) - приглашаю на трафики по вторникам, четвергам и субботам после 23-00MSK на частоте 3,697 – 3,720МГц. Или по электронной почте – ut2fw (at) qsl.net - но «печатник из меня никакой» одним указательным пальцем по клаве… Описание подготовлено для сайта QRZ.RU, если кому-то захочется в дальнейшем всё же экспериментировать с такими типами синтезаторов – заглядывайте на выше указанный сайт - могёт быть, что появится свободное время для вырисовывания схем в электронном виде и они там и будут выложены. Пока же предлагаю к обозрению одну из многочисленных схем, которые разбросаны по всему бескрайнему инету. Из самой проги секрета не делается – её можно будет там же и скачать. Всем внимательно прочитавшим до конца сей опус желаю творческих и всяких других Успехов! Здоровья и 73! UT2FW |


