LAB599.RU — интернет-магазин средств связи
EN FR DE CN JP

Модернизация трансивера ";Волна";



Модернизация трансивера "Волна"

В.И.Лазовик, UT2IP, г. Макеевка
РадиоАматор 4/96

Начиная с 1986 г., в г .Харькове выпускались трансиверы "Волна". Для своего времеми это был неплохой аппарат для начинающих. В дальнейшем вовод перешел к выпуску более совершенных трансиверов. Но у радиолюбителей находится значительное их количество. Предлагаю ряд доработок для улучшения параметров трансивера.

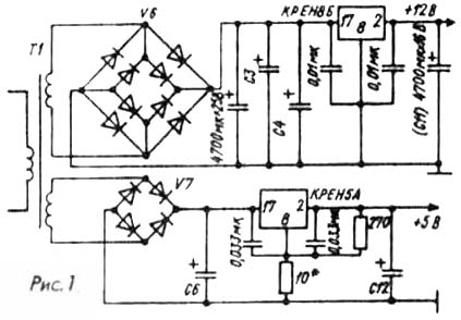
1. Явно маленькая мощность силового трансформатора. Усилитель мощности потребляет значительный ток, и все напряжения на выходе трансформатора уменьшаются до неприемлемых значений. Перестают работать стабилизаторы +12 и +5 В, в результате появляется девиация частоты и ухудшается качество сигнала в режиме "Передача". Снимаем силовой трансформатор и доматываем обмотки для стабилизаторов +12 и +5 В. Увеличиваем сечение провода обмотки выпрямителя 12 В.

2. Так как плата стабилизаторов находится в нижней части по центру трансивера и радиатор транзистора V11 стабилизатора +12 В сильно нагревается в промессе работы, повышается температура корпуса ГПД, находящегося рядом с радиатором V11, вызывая этим дестабилизирующий фактор. Переделываем стабилизаторы +12 и +5 В. С печатной платы блока питания G4 выпаиваем микросхемы А1 и А2 и транзисторы V11 и V6, находящиеся на задней панели. Снимаем радиатор транзистора V11. Обо стабилизатора выполняем на современных интегральных стабилизаторах типа КРЕН, улучшая этим температурный режим трансивера, и вследствие этого повышается коэффициент стабилизации напряжения +12 и +5 В. На задней панели трансивера, под винт "Заземление", устанавливаем стабилизатор КРЕН8Б для напряжения 12 В и соответствующий для напряжения 5 В на место триода V6. Но освободившемся месте платы G4 размещаем дополнительные электролитические конденсаторы. Параллельно конденсаторам СЗ и С4 подпаиваем малогабаритный конденсатор емкостью 4700,0 х 25 В, а вместо С11 ставим 4700,0 х 16 В. Так как в результате всех переделок повышается потребление тока от выпрямителя 12 В, диодный мост V6 типа КЦ402А сильно нагревается. Для уменьшения нагрева параллельно ему включаем еще один диодный мост КЦ402А или диоды КД105 непосредственно на выводы моста V6 (рис1). В переключателе прием-передача, находящемся на плате G4, транзистор V22 типа КТ816В меняем на КТ818БМ

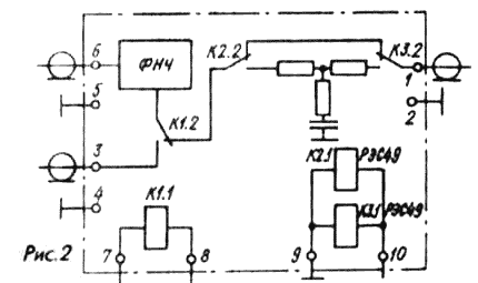
3. Аттенюатор выполнен с применением коммутационных диодов типа КД409А. Являясь нелинейным элементом, диоды способствуют увеличению шума приемного тракта и уменьшению динамического диапазона. ФНЧ, используемый в трансивере, имеет большую неравномерность в полосе пропускания. Переделываем плату аттенюатора (рис.2).

На вновь изготовленной плате собираем ФНЧ (рис.3). Диодную коммутацию аттенюатора заменяем релейной. Благодаря использованию качественного ФНЧ, в режиме "Передача" в значительной степени уменьшается уровень гармоник, постутюющих но вход усилителя мощности. Полоса пропускания фильтра 1,5 - 32 МГц, Катушки L1 и L3 намотаны без каркаса, диаметр намотки 5 мм, по 9 витков провода ПЭЛ-0,44; L2 - 8 витков того же провода и диаметра намотки.


4. Так как диапазонные контура работают как в режиме "Прием", так и в режиме "Передача", от их качества (полоса пропускания, коэффициент прямоугольности, затухание в полосе пропускания, затухание вне этой полосы) зависят такие параметры, как чувствительность трансивера, ослабление приема на большинстве побочных каналах, в режиме "Передача" - уменьшение уровня гармоник, равномерность амплитуды выходного напряжения по диапазону. Если повышение чувствительности не будет сопровождаться улучшением селективности, то приемник будет усиливать помехи, а прием сигналов ухудшится. Иными словами, повышение чувствительности трансивера возможно только после реализации диапазонного фильтра с более высокой прямоугольностью.

Контура диапазонного фильтра 1,9 МГц имеют очень низкую добротность (30). Улучшить их качество на этом диапазоне можно, перемотав L1 и L8. На тех же каркасах наматываем в три слоя виток к витку литцендрат 7 х 0,05 мм, емкости конденсаторов С1 и С15 уменьшаем до 160 - 180 пФ и подбираем конденсаторы связи. Необходимо тщательно настроить все входные (диапазонные) ФСС. Измерять параметры ФСС желательно измерителем АЧХ Х1-49.

5. В трансивере используется кольцевой балансный смеситель на обыкновенных кремниевых диодах КД522. Автор применил двойную балансную схему (используемую в трансивере "Урал"). Эта схема обеспечивает хорошее согласование с подключаемыми цепями и имеет небольшие потери преобразования. Благодаря преобразованию по двойной балансной схеме существенно ослабляется передача напряжения гетеродина во входную цепь преобразователя, а следовательно, и в цель антенны.

Вместе с тем реализуются и другие известные преимущества балансного преобразователя: частично компенсируются шумы гетеродина и побочные продукты преобразования. Вместо КД522 автор применил диоды с барьером Шотки, т.е. с контактом металл - полупроводник. Эти диоды, в которых перенос зарядов осуществляется основными ('горячими*) носителями, обладают малой собственной емкостью, большой крутизной и хорошей линейностью в широких пределах вольт-амперной характеристики прямого тока, а также очень малым обратным током. Они работают при высоких обратных напряжениях, им несвойственно возрастание шумов в области нижних частот рабочего диапазона.

Перечисленные свойства диодов Шотки обусловили возможность работы при большом напряжении от гетеродина, что позволило выполнить преобразователь с хорошей линейностью, т.е. с широким динамическим диапазоном, и, кроме того, получить малый коэффициент шума этого смесителя.
Перепаиваем схему первого смесителя, находящегося на плате усилителя радиочастоты (рис4). Вместо диодов V12 - V15 типа КД522 монтируем диоды КД514А.

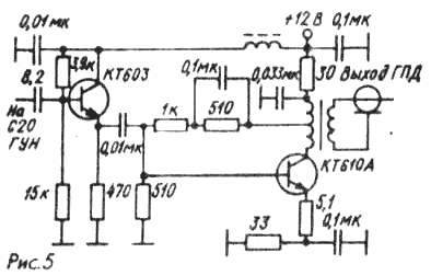
Так как напряжение гетеродина с выхода синтезатора поступает но схему смесителя амплитудой 1,5 В на диапазоне 1,9 МГц и 0,6 В на диапазоне 28 МГц и недостаточно для работы нового смесителя, переделываем схему усилителя гетеродина, размещенного на плате ГУН синтезатора частоты. Схема усилителя (рис.5) не нуждается в налаживании и используется во многих любительских конструкциях ("Урал", "Ларго"). Входную емкость усилителя подпаиваем к конденсатору С20, находящемуся на плате ГУН синтезатора частоты первого гетеродина. Резисторы R13, R14, R15, R31 (аналогичные резисторы включаем в ГУН диапазонов 21 и 28 MГц) регулируем так, чтобы на выходе усилителя было одинаковое напряжение с амплитудой 5 В но всех диапазонах.


Усилитель собираем на плате 30 х 80 мм и устанавливаем в торец основной платы ГУН. Проводник, соединяющий вход ФАПЧ, подпаянный на вывод 10 платы ГУН, перепаиваем на вывод 9.

Резистор R8, находящийся на плате усилителя радиочастоты, выпаиваем, заменяем на тип СП-0,5 такого же номинала и устанавливаем вместо кнопки аттюнеатора. Получаем регулятор "Уровень ТХ". Режекторный контур L1C1, находящийся на плате усилителя радиочастоты, недостаточно вырезает промежуточную частоту на входе УРЧ. Дополнительно включаем еще один режекторный контур в исток V3 (рис.6,б). Катушка L* изготовлена на сердечнике СБ-9. Обмотка намотана без каркаса проводом ПЭЛШО-0,31 и содержит 20 + 20 витков. С помощью измерителя АЧХ X1-49 настраиваем L*C* на ПЧ 8,8 МГц (рис6,в). АЧХ с одним режекторным контуром показана но рис 6,а.

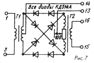
6. На плате усилителя первой ПЧ установлен кольцевой смеситель среднего уровня. Для повышения линейности преобразования ставим высокоуровневый смеситель на диодах Шоттки. Диоды V15-V18 типа КД522Б выпаиваем и меняем каждый на два поспедовотельно включенных КД514А. В трансформаторе Т2 этого смесителя разрываем точку соединения обмоток 5 и включаем резистор для балансировки моста (рис.7).

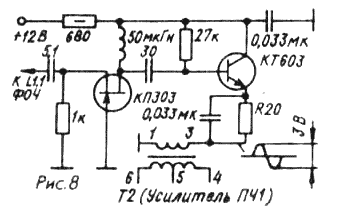
В блоке формирования опорных частот напряжение с кварцевого генератора 8,3 МГц подается на второй смеситель с обмотки связи L1.1. В этом случае коэффициент связи с генератором 8,3 МГц получился слишком большим и в режиме "Передача" происходит затягивание частоты 8,3 МГц частотой 500 кГц. Появляется частотная модуляция однополосного сигнала. Для устранения этого эффекта и линеаризации работы второго смесителя необходимо увеличить напряжение на выходе кварцевого генератора и согласовать с помощью эмиттерного повторителя усилитель гетеродина с балансным смесителем.

Схема усилителя показана на рис. 8. Плату закрепляем на задней панели рядом с платой усилителя ПЧ1.

Избирательность ФСС первой ПЧ L1C1, L2СЗ, L3C5, находящегося на плате усилителя ПЧ1, мягко говоря, недостаточна. Для улучшения избирательности по первой ПЧ модернизируем схему. Характеристики ФСС, измеренные измерителем АЧХ X1-49, до переделки и после показаны соответственно но рис9,а и в (полоса пропускания на уровне - 70 дБ теперь составляет 1,2 МГц), а схема включения - на рис 9,б.



На плате усилителя ПЧ 1 емкость конденсаторов С2 и С4 меняем на 1,5 пФ каждый. В исток транзистора V7 включаем два режекторных контура L1*C1* и L2*C2*. Катушки L1* и L2* выполнены на сердечниках СБ-9 и содержат по 20 + 20 витков провода ПЭЛШО 0,31 каждая. Намотка без каркаса.

Регулятор расстройки, находящийся на передней панели, имеет большой предел регулировки расстройки частоты приема, и поэтому тяжело настраивается на корреспондента. Для устранения этого недостатка впаиваем два резистора, и расстройка ограничивается ±3,3 кГц (рис 10). При необходимости иметь два диапазона расстройки дополнительные резисторы можно закорачивать контактами реле.

7. В формирователь опорных частот (ФОЧ) вводим дополнительный стабилизатор напряжения, который припаиваем на стойки подключения питания (рис 11).

Также стабилизируем напряжение установки опорных частот. Диод V1 и конденсатор С4, распаянные между переключателями S5.1, S5.2, S5.3 (типа П2К), установленными но передней панели (кнопки "НБП -ВВП", "3 кГц - 0,5 кГц", "ТЛГ - ТЛФ"), выпаиваем из схемы и собираем схему (рис. 12). Затем резисторами R10 - R17, установленными на плате ФОЧ, заново производим настройку опорных частот.


8. В трансивере телеграфный сигнал очень плохого качество, жесткая манипуляции и, как следствие, широкая полоса излучения. Для устранения этого недостатка переделываем схему манипуляции в режиме ТГЛ (рис. 13). Врежиме "Передача" проманипулированный опорный сигнал частотой 500 кГц проходит через ЭМФ 0,5 кГц и на выходе трансиверо получается правильная колоколообразноя форма телеграфного сигнала.

9. Так как в трансивере используется диодная коммутация переключения ЭМФ, переключающие диоды недостаточно развязывают фильтры основной селекции и результирующая характеристика избирательности по ПЧ2 получается очень плохой. Для устранения этого недостатка убираем диодную коммутацию и заменяем ее релейной (рис.14).

На плате усилителя ПЧ2 в стек транзистора V22 устанавливаем дополнительный ЭМФ (рис 15). Дополнительно на этой плате транзистор V28 заменяем но малошумящий типа КТ342, аналогично V22 и V24 меняем на КПЗ0ЗД. Емкость конденсатора С60 необходимо увеличить до 100,0 мкФ, диоды в детекторе и модуляторе V33. V34, V38, V39 и V35, V36, V40, V41 необходимо применять германиевые, подобранные по параметром ГД507. Резистором R94 подбираем уровень опорной частоты 500,0 кГц по наименьшему шуму на выходе УНЧ, у автора резистор сопротивлением 3,1 кОм. Активный ФНЧ, выполненный на триоде V55 типа КТ315, сильно шумит. Замена триода но любой другой (малошумящий) к положительным результатам не привело. Этот каскад выпаиваем (R61, R65, R78, С62, С65, Соо, V55) и устанавливаем фильтр НЧ от радиостанции "Пальма" Д3.1 между коллектором V44 и конденсатором С68. Фильтр предварительно разбираем и крупногабаритные конденсаторы (входящие в состав Д3.1) заменяем малогабаритными того же номинала.

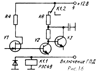
10. При работе со вторым ГПД на разнесенных частотах основной гетеродин, находящийся в самом трансивере, полностью отключаем (снимаем напряжение питания).

При переходе из режима "Передача" в режим "Прием" и (наоборот) подается питание на схему ГПД и частота скачкообразно изменяется. Пока сработает система ФАПЧ в синтезаторе частоты и отработается напряжение управления ни варнкап VD1, установленный в блоке ГПД, работа в эфире (особенно заметно в режиме ТЛГ) сопровождается неприятным эффектом плавания частоты (на слух изменения тона принимаемого и передаваемого сигнала). Для устранений этого в генераторах плавного диапазона, основного и дополнительного (собранного по схеме основного ГПД], ставим по дополнительному реле, которое отключает только усилитель ГПД, а сам генератор постоянно включен. Нет выбега частоты при каждой подаче напряжения питания, генератор работает в установившемся режиме (рис.16).

11. Совместно с трансивером эксплуатируется отдельный блок, в котором находится дополнительный выпрямитель на напряжение 27 В, дополнительный ГПД RX и преселектор.
Напряжение 27 В стабилизировано и подключается параллельно основному источнику питания (так как мощность силового трансформатора в трансивере мала) через диод. ГПД RX собирается по любой схеме, но лучше использовать схему ГПД от тронсивора "Малыш" (Справочник радиолюбителя коротковолновика С.Б.Бунин, Л П.Яйленко. с. 193) Перестройка по частоте осуществляется переменной емкостью, ане варикапом, как по схеме. В преселекторе используется схема УВЧ от радиоприемника "Гюйс". Так как любительские диапазоны находятся в непосредственной близости с вещательными диапазонами, а вещательные станции имеют мощность значительно больше, чем любительские, то присутствие на входе трансивера одновременно с полезным сигналом мощных колебаний помехи, находящейся за пределами односигнальной полосы пропускамия, приводит к появлению комбинационных помех, к "забитию" полезного сигнала помехой и к перекрестной модуляции. Из-за нелинейности амплитудной характеристики различных каскадов образуются комбинационные частоты. Они воспринимаются наслух как наличие в эфире несуществующих на самом деле сигналов: или как повышение уровня шума на диапазонах (особенно заметно на 7 МГц).

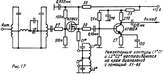
Коэффициент усилении усилителя прееселектора 2-4 (рис. 17). Режекторные контура такие же, как и входного ФСС, с отводом от 1/3 витков. Согласно Э.Т.Рэд ('Схемотехника радиоприемников", с.27-33) избирательность трехконтурного полосового фильтра не превышает 40 дБ (что подтверждается измерением на приборе X1-49). В трансивере используется двухконтурный ФСС. Контура имеют низкую добротность, избирательность входной цепи равна 20 дБ. В преселекторе автор использовал барабан от радиоприемника "Океан", на планках диапазонов собраны трехконтурные ФСС, описанные у Э.Т.Рэд и используемые в трансивере "Ларго", но дополнительно на этих планках устанавливаем два режекторных контура, включенных в исток первого каскада УВЧ. Таким образом, избирательность входного фильтра повышается до 70 дБ. В результате в значительной степени ослабляются комбинационные помехи от вещательных станций, эфир становится заметно чище.

Мнение Дмитрия RK9ABJ: (master (at) chebar.afps.chel.su)

Замена штатного стабилизатора на ЕН8 - это подходит, но только не здесь, так как на самом стабилизаторе - 12 вольт, а на УВЧ - 11,3 вольта. Витоге такой стабилизатор хорош только локально для каждого узла в отдельности. Еще усилитель для ГУН-нов как я его не вертел
ни крутил, но амплитуды в 5 вольт на всех бендах не смог добится, теперь переделываю по подобию как у НТ-981 ну или как у ТХ Волна можно - видимо незря авторы применили для линейности цифровые буфера - проблема аналогична моей ...

Идея: взять как у ТХ Волна выкинуть оконечник ГПД а вместо ЛА3 запаять 531ЛН3. Ведь у нее открытые колекторы + несколько буферов в параллель! Ну на них трас посадить и на 12 вольт ... а с вторички коэффициент тр-ции не 1:1 а поменьше ну чтобы амплитуда этак 6 вольт была.

Первый смеситель я переделал как у Реда: по два диода последовательно в каждое плечо и типа КД922АГ ... в новом варианте у Белянского (US2II) тоже такой-же стоит...

 

Партнеры