Что-то не так?
Пожалуйста, отключите Adblock.
Портал QRZ.RU существует только за счет рекламы, поэтому мы были бы Вам благодарны если Вы внесете сайт в список исключений. Мы стараемся размещать только релевантную рекламу, которая будет интересна не только рекламодателям, но и нашим читателям. Отключив Adblock, вы поможете не только нам, но и себе. Спасибо.
Как добавить наш сайт в исключения AdBlockРеклама
Блок управления синтезатором РС ";Маяк";
Блок управления радиостанции "Маяк"
Предлагаемая конструкция предназначена для использования в любительских и профессиональных УКВ ЧМ радиостанциях с синтезатором частот в качестве блока управления. При разработке блока, за основу была взята схема синтезатора радиостанции "МАЯК" с доработками. Блок собран на основе однокристального микроконтроллера серии МК48 1816ВЕ39 и обладает следующими характеристиками: Технические характеристики:
Схема блока управления приведена на рис 1. Сигнал от шумоподавителя подаётся на вход SQ. При нажатии на тангенту на выводе TX OUT появляется напряжение +8v которое используется для коммутации ГУНа и приёмопередающих цепей радиостанции. Тональные сигналы снимаются с 34 вывода микросхемы DD1 и через элементы DD5.2 и DD5.1,DD5.3 проходят на свои фильтры. Сигнал тональной посылки проходит через RC – фильтр на элементах R3-R6,C5,C6 на выход TONE. Сигнал CTCSS проходит через фильтр на элементах R7-R13,C7-C11,VT1 на выход CTCSS. Плата индикации собирается отдельно. Транзистор VT4 задаёт смещение для питания светодиодных индикаторов, что позволило подключать их без токоограничивающих резисторов.
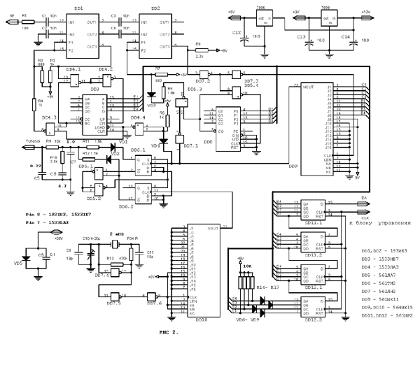
Рис.1 Принципиальная схема блока управления (щелкните мышью для получения большого изображения) В качестве примера приведена схема синтезатора для применения совместно с данным блоком (рис 2). Он построен на основе схемы синтезатора радиостанции “МАЯК” и содержит следующие доработки: микросхемы DD11,DD12 служат для записи и хранения кода частоты. Узел на элементах DD3,DD4,R3-R5,R14-R17,VD3,VD4,VD6-VD9 - необязательный и собирается в тех случаях, если необходимо получить шаг перестройки меньше чем 25 кГц. Питание микросхем DD1-DD4 подвешено относительно корпуса на 0,8v за счет включения диода VD5. Такое включение улучшает согласование ТТЛ – КМОП микросхем и позволяет значительно уменьшить количество “поражонок” при приёме. Рис.2 Принципиальная схема синтезатора (щелкните мышью для получения быольшого изображения) Вариант схемы ГУНа приведён на рис.3 . Рис.3 Принципиальная схема варианта схемы ГУН (щелкните мышью для получения быольшого изображения) Диапазон частот может быть выбран по желанию при прошивке ПЗУ. Данные по кодам частоты записаны в ПЗУ в адресах 0300h – 03FFh. Код частоты рассчитывается по формуле f/25-5000= коэффициент. Коэффициент - трёхзначное двоично-десятичное число. Коэффициент рассчитывается отдельно для приёма и передачи, поэтому частоту ПЧ можно выбирать произвольно. Код частоты записывается следующим образом: адресное пространство 0300h – 03FFh содержит 256 байт которые, в свою очередь, поддерживают 256 каналов при шаге 25 кГц. Код частоты записывается в каждых 4 байтах для каждой сотни килогерц диапазона. Например: Частота 145 500 кГц : 145 500/25=5820-5000=820. 820 – коэффициент передачи. При ПЧ 10,7 мГц частота гетеродина – 134 800/25=5392-5000=392. 392 – коэффициент гетеродина приёмника. Записываются коэффициенты в следующем формате: в первый байт по адресу 00h = 82h - старшие разряды коэффициента передачи, 02h =39h - старшие разряды коэффициента гетеродина приёмника, 01h = 02h в старшем полубайте – остаток коэффициента передачи, а в младшем полубайте – остаток коэффициента гетеродина. В 03h = 55h - 145500 - значение индикатора. Все промежуточные значения кода частоты и индикатора формируются автоматически до частоты 145 597,5 кГц. В следующие 4 байта записываются код частоты и значение индикатора для частоты 145 600 кГц. и.т. д. Такая система записи позволяет уплотнить данные и в тоже время произвольно манипулировать группами частот. Рабочая программа записана в ПЗУ 2732 ёмкостью 4 кБ. При отсутствии ПЗУ данного типа возможно использовать ПЗУ большего объёма, например типа 2764 (573РФ4, 573РФ6) с соответствующей перепайкой выводов. Прошивка ПЗУ для ПЧ 10,7 мГц приводится ниже. Управление :Установка требуемой частоты кнопками + / -- Вкл./выкл. сканирования S. индикация светодиодом S R - Переключение направления репитерного разноса , индицируется светодиодами R+ R-- . Когда оба светодиода не светятся -- реп. разнос отключен. M - Вкл./выкл. режима памяти. При включении засвечивается светодиод M и на дисплее появляется частота или номер канала (взависимости от установленного режима отображения) записаных в текущей ячейке памяти. Кнопками +/-- можно листать записанные ячейки. C - Вкл./выкл. вызывного канала F - Вкл./выкл. режима функций , на дисплее высвечивается F. Все установки выполняются в режиме функции. Нажав и удерживая кнопку F можно кнопками +/-- изменять частоту на 1 мГцы . Режим функций.R - Установка значения репитерного разноса. На дисплее высвечивается SHIFT ( 3 сек.), после чего кнопками +/-- можно устанавливать значение разноса в килогерцах. S - Установка шага сетки частот. На дисплее высвечивается STEP ( 3 сек.) после чего кнопкой S можно установить шаг в килогерцах. -- - Выбор банка памяти. На дисплее высвечивается b 1 кнопками +/-- можно выбрать требуемый банк. Для стирания банка необходимо нажать кн. R , на дисплее появится предупреждение - ERASE , если Вы не передумали нажмите одновременно кнопки M и + на дисплее появится _ _ _ _ _ _ . + - Выбор ячейки памяти . На дисплее высвечивается М 00. кнопками +/-- можно выбрать ячейку памяти. Для записи частоты в память нужно выйти из режима функций, выбрать требуемую частоту и установить требуемые параметры (CTCSS, TOН, Реп. разр и.т.д.) включить данный режим и нажать кн. M на дисплее появится [ ] . Для стирания ячейки нажать R на дисплее появится _ _ _ _ _ _ . Для присвоения условного номера канала нажать S. на
дисплее появится Sch - 00 кнопками +/--
можно устанавливать номер канала ( кн. -- десятки, кн.
+ единицы.) после чего нажать S для
выхода и М для сохранения. Для записи частоты в память
вызывного канала проделать процедуру описанную выше, нажать С
, на дисплее высвечивается c _ ch _ r . Далее нажать
М для сохранения. M - Включение режима подфункций , на дисплее высвечивается F1. Режим подфункций F1 .S - Установка отображения информации в режиме памяти. На дисплее высвечивается SdP - Fr (частота) или SdP - Ch (канал). Кнопками +/-- можно менять значение. -- - Установка частоты тонального вызова. На дисплее высвечивается CALL и через 3 сек. появляется значение. Кнопками +/-- можно менять значение. + - Установка частоты субтона (CTCSS). . На дисплее высвечивается CTCSS и через 3 сек. появляется значение. Кнопками +/-- можно менять значение. R - Установка режима блокировки. На дисплее высвечивается
L Set и через 3 сек. появляется символ. Кнопками +/--
можно менять символ. Кнопка -- , блокировка только кнопок,
|- + блокировка кнопок и передачи C - Установка количества проходов диапазона (256 каналов) в режиме поиска. На дисплее высвечивается SEAr_t и через 3 сек. 05 . Кнопками +/-- можно менять значение от 1 до 15. При сканировании участка диапазона количество проходов реально будет больше т.к. за 1 проход принимается 256 каналов (приблизительно 1м при шаге 25 кГц) Реверс - Нажав и удерживая кнопку F нажать R . При включенном реп. разносе частоты приёма и передачи меняются местами, а также изменяется направление разноса частот. Блокировка - Нажав и удерживая кнопку F нажать C . После выполнения данной операции клавиатура блокируется. Отмена блокировки - повторно нажав и удерживая кнопку F нажать C . Поиск - Нажав и удерживая кнопку F
нажать S. Эта функция подобна сканированию. На дисплее
высвечивается SEArCh и через 3 сек. включается режим
сканирования. По ходу сканирования все найденные частоты будут записываться
в память. По истечению времени поиска включается режим сканирования по
памяти и продолжается в обычном режиме. Параметры устанавливаемые при первом включении.
|


