LAB599.RU — интернет-магазин средств связи
EN FR DE CN JP
QRZ.RU > Каталог схем и документации > Схемы наших читателей > УКВ-техника > Двухдиапазонный синтезатор частоты 144430 Мгц.

Двухдиапазонный синтезатор частоты 144430 Мгц.

Двухдиапазонный синтезатор частоты 144/430 Мгц.

Шатун Александр Николаевич
62300 Харьковская обл. г. Дергачи, пер. Октябрьский 16,
телефон в Дергачах 3-21-18.
(полный номер 8-10-38-057-63-3-21-18)
E-mail: ashatun (at) mail .ru

Программное обеспечение
Александр Денисов г. Москва
E-mail: alldn (at) mail. ru

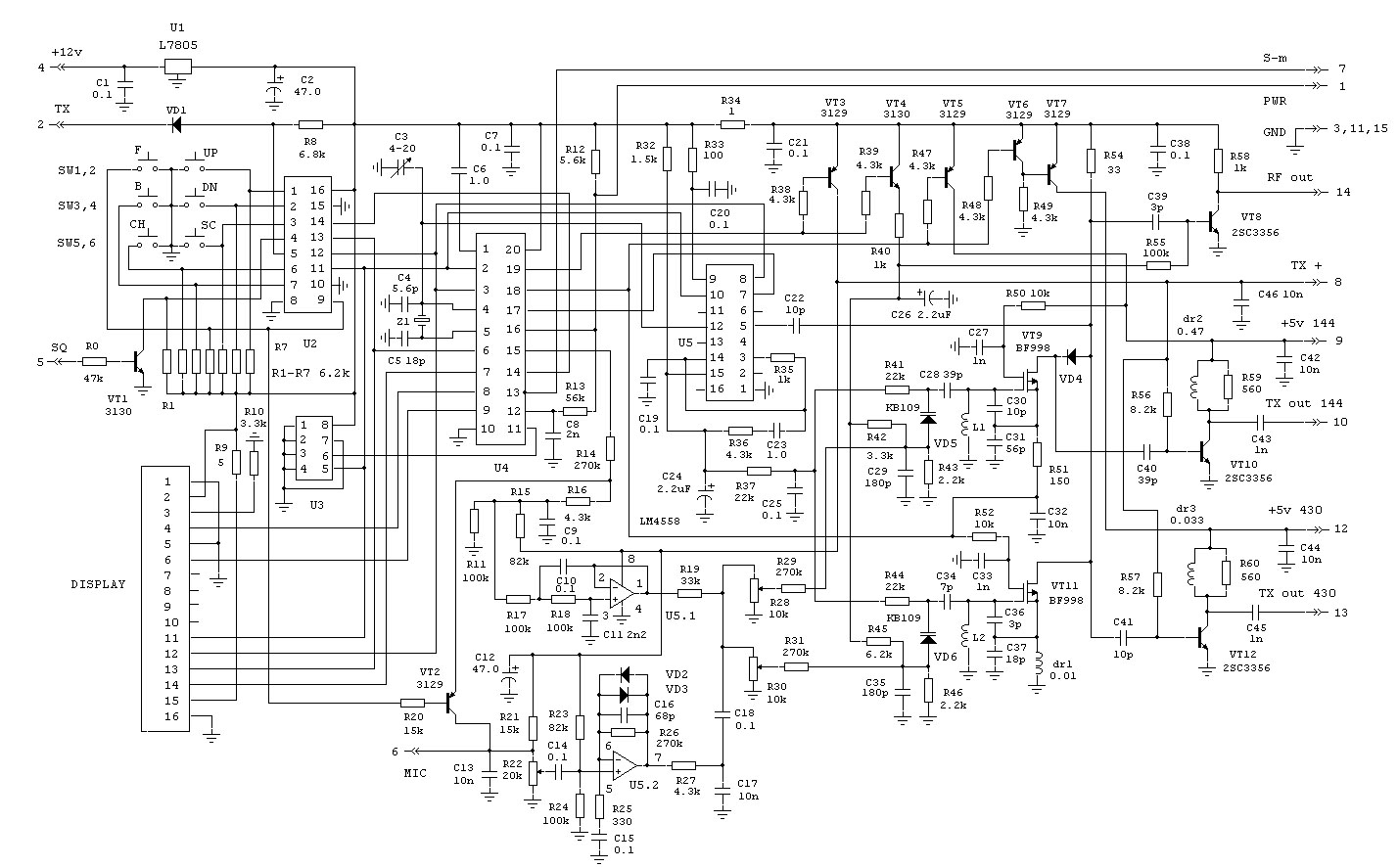
Особенности конструкции.

Синтезатор выполнен в виде единого, функционального модуля, с органами управления и двух строчным ЖКИ дисплеем с подсветкой шкалы. В состав модуля входит все необходимое для максимально простого построения радиостанции в целом. Подключение производится с помощью однорядного клемника в нижней части (15 контактов). Большая часть схемы собранна на SMD элементах. Плата модуля выполнена по современной технологии с металлизацией отверстий и защитной маской. Размер платы 37 Х 105 мм.

Состав модуля:

  1. Собственно сам синтезатор – цифровая часть и два ГУНа 144 и 430 Мгц.
  2. Предварительные усилители мощности 144 и 430 до 100 мвт.
  3. Стабилизатор напряжения 5 вольт, для питания самого модуля, и подключаемых цепей.
  4. Коммутирующие ключи для подачи питания на каскады трактов 144 и 430 Мгц.
  5. Микрофонный усилитель-ограничитель с хорошим качеством звучания.
  6. Имеется регулятор чувствительности от микрофона, и раздельные регуляторы девиации.
  7. 6 кнопок управления, установленных с шагом под стандартную резинку.
  8. Двухстрочный ЖКИ дисплей ВС1602А с желто – зеленой LED подсветкой.
Внешний вид Внешний вид
Внешний вид

Возможности программы:

  • Работа в двух диапазонах 144 и 430 Мгц (границы устанавливаются)
  • Минимальный шаг 2,5 Кгц (нужное значение устанавливается)
  • Перестройка по частоте и каналам на 1 шаг, или ускоренный перебор.
  • Режим CTCSS поддержки репитеров (38 стандартных частот).
  • Тональная посылка 1750 Гц для открывания некоторых репитеров.
  • 39 каналов памяти в каждом диапазоне.
  • Раздельная запись в каналы памяти частоты приема и передачи (режим репитера и прочее).
  • Назначение каждому каналу памяти нужной частоты CTCSS или режима выключено.
  • Сканирование по частоте (границы устанавливаются).
  • Сканирование по памяти.
  • Переключение мощности передатчика больше - меньше с запоминанием состояния.
  • Вывод на дисплей информации о частоте и включенных режимах.
  • Вывод на дисплей текстовых подсказок в режиме настройки.
  • Встроенный S-метр. Линейка 16 градаций, измерение уровня от 2 баллов и выше с шагом по 0,5 балла. Дублирование показаний линейки переменным цифровым значением.
  • Отображение линейкой включенного режима мощности.

Примечание: промежуточная частота 10, 695 или 10, 7 Мгц. Вручную не изменяется.

Назначение кнопок:

  1. Кнопка “F” - (функция). Позволяет зайти в меню настройки.
  2. Кнопка “В” - переключение диапазонов.
  3. Кнопка “CH” - переключение в каналы памяти и обратно в режим непрерывной шкалы.
  4. Кнопка “UP” - перестройка частоты на увеличение с выбранным шагом, или по каналам.
  5. Кнопка “DN” - то же самое на уменьшение.
  6. Кнопка “Scan” - сканирование.

Комбинация нажатий “F” затем любой другой позволяет зайти в режим настройки соответствующего этой кнопке режима. Далее кнопкой “F” в меню выбирается изменяемый параметр (высвечивается на дисплее), а кнопками “UP”, “DN” изменяется его значение.

Назначение выводов модуля:

  1. Управление мощностью передатчика.
  2. Включение передачи.
  3. Земля.
  4. Питание + 12 вольт.
  5. Вход лог “1” от ШП для остановки сканера.
  6. Микрофонный вход.
  7. Вход S-метра.
  8. Выход + 5 вольт при передаче (общий).
  9. Выход + 5 вольт для тракта 144.
  10. Выход ВЧ для передатчика 144.
  11. Земля.
  12. Выход + 5 вольт для тракта 430.
  13. Выход ВЧ для передатчика 430.
  14. Выход ВЧ для 1-го гетеродина приемников.
  15. Земля.

Рис. 1. Схема синтезатора (щелкните мышью для увеличения)

Рис. 1. Схема синтезатора (щелкните мышью для увеличения)


 

Партнеры