LAB599.RU — интернет-магазин средств связи
EN FR DE CN JP

Контроллер КВ/УКВ маяка

Контроллер КВ/УКВ маяка

Якименко Сергей, UT2HI
Адрес Email - ut2hi (at) qsl.net, prokrs (at) yandex.ru
(замените (at) на @

Данный маяк (изначальный вариант) предназначен для  оборудования КВ/УКВ репитера  периодической (1 раз в 5 минут) передачей идентификационных данных – позывного, QTH-локатора. Маяк может также работать и в непрерывном режиме - передача текста в бесконечном цикле. Скорость передачи можно выбирать в пределах 25/50 знаков/мин. Маяк передает например текст:"BEACON UT2HI QTH LOC KN69QC" Устройство можно запрограммировать на передачу любых 250 символов, составляющие текст.

Jmp1 служит для удвоения (если закорочен) изначально установленной скорости 25 зн./мин.  Jmp2 служит для установки режима работы маяка – (открыт - периодически, закорочен - непрерывно) Выход «CW НЧ» служит для подачи звуковой модуляции на НЧ вход передатчика. Резистором R5 регулируют громкость сигнала. Выход "Управление РТТ" - для коммутации режима работы радиостанции - "Передача", "CW KEY" - CW- манипуляция, "BUSY" вход для блокировки работы маяка, если на частоте обнаружена несущая (для режима "FM") -   Печатную плату контроллера необходимо разместить в экранированном корпусе.

Данная конструкция не претендует на уникальность,  ставилась задача получить наиболее простое и дешевое устройство из доступных деталей, которым сейчас является микроконтроллер фирмы Microchip PIC16F84 (PIC16F84A), PIC16F628A простой программатор, для которого можно собрать по схеме:  Программирование данного контроллера не вызывает проблем даже у начинающего радиолюбителя. Прошивка с примером находится здесь:

Индивидуальную прошивку можно получить совершенно бесплатно у автора.  Схема изображена на рис. 1, Чертеж печатной платы на рис.2 Файл печатки в формате SprintLayout 4.0 здесь:

По просьбам радиолюбителей были сделаны ряд усовершенствований, а именно:

1 вариант. Добавлена установка времени ожидания на выбор - 1 мин. 5 мин. 10 мин. см. рис.3 Чертеж печатки рис. 4 а в формате SprintLayout  здесь.

2 вариант. Допускает работу двух радиостанций, включающихся на передачу поочередно, сначала  первая, через 5 минут вторая. Схема представлена на рис. 5.

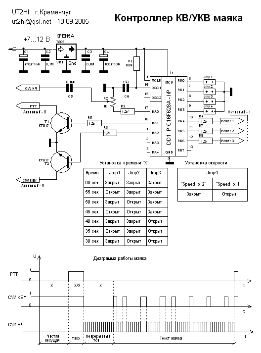
3 вариант. Для управления мощностью излучения маяка, а также иной алгоритм работы, что видно на диаграммах внизу схемы. Цикл работы состоит из 3 этапов, в каждом из которых передается чистая несущая, затем перерыв, затем непрерывный тон, затем текст маяка. В каждом этапе поочередно появляется лог. уровень "1" на выходах контроллера Power_1, Power_2, Power_3. Далее цикл повторяется.  Схема представлена на рис.6. Чертеж печатки в формате SprintLayout здесь. Внешний вид одной из печаток рис.7  (плата нелужена и покрыта спиртовым раствором канифоли), Собранные платы см. рис. 8,9

4 вариант. Схема Рис.10, где реализован следующий алгоритм работы: Включается передатчик (сигнал РТТ) в эфир излучается чистая несущая в течение 2 секунд, затем звучит тональный сигнал 500Гц в течение 2 секунд, затем опять чистая несущая в течение 2 секунд, затем текст маяка, который записывается в области энергонезависимой памяти микроконтроллера, таким образом любой желающий может записать свой текст для маяка. Ограничение - текст может состоять из не более 128 символов, включая промежутки. Текст записывается с помощью программатора (перед прошивкой, необходимо отредактировать текст из данной прошивки в EEPROM, таким образом, как вы желаете его слышать у себя).
Джамперами Jmp1-Jmp4 устанавливается возможные варианты работы маяка. (непрерывный, или периодический, со временем см. таблицу на схеме). Джамперами Jmp5 - Jmp7 устанавливается возможная скорость телеграфа.  Сигнал "Busy" заводится на контроллер с шумоподавителя приемника - для того чтобы в моменты, когда репитер работает на передачу не было вклинивания маяком в НЧ-тракт радиостанции. Прошивка здесь.  Конфигурационные биты: INT_OSC NO CLOCK OUT, WDT - OFF, Power Up - EN,  Boden Detect - OFF, Master Clear - Enable, LVP -OFF, Data EE Read Protect - OFF, Code Protect - OFF.

5 вариант. Схема по Рис.1, алгоритм работы прежний, но в конце передачи введен 30 секундный непрерывный тон телеграфом. (За прошивкой к автору)

6 вариант.
Схема по Рис.11, алгоритм работы - передача текста, заранее записанного в микроконтроллер, но выполнен маяк на другом микроконтроллере (PIC12F629), есть возможность самостоятельно менять текст маяка, который располагается в области EEPROM памяти, можно вводить программируемую пользователем паузу с нажатием CW ключа внутри текста где угодно.
Некоторые пояснения:
Передаваемые знаки легче всего кодируются в символьном представлении в EEPROM области данного микроконтроллера. В программе IcProg эта область представлена в отдельном окне. Текст записывают начиная с 0 адреса до 124 (дес.) адреса. Символами соответствующих знаков кодируется сам текст, символом "="  - программируют паузу с нажатием CW ключа  в секундах. Символ пробела - программирует паузу внутри текста. Символ дробной черты - "/" - телеграфирует дробную черту "-..-."

По адресу 125  (дес.) находится значение времени паузы в секундах.
По адресу 126 (дес.) находится константа длительности точки.
По адресу 127 (дес.) находится константа длительности тире.
Возможные значения скоростных констант для различной скорости:
Скорость -   126/127 ячейка
---------------------------
80          -   5/15
75          -   14/42
70          -   23/69
65          -   32/96
60          -   41/123
55          -   50/150
50          -   59/177
45          -   68/204
40          -   77/231
35          -   85/255

Прошивка здесь. (полнофункциональная, скорость минимальная - 35 знаков, вводите свои данные (максимум 125 символов) и константы скорости самостоятельно!). Конфигурационные биты: INT_OSC NO CLOCK OUT, WDT - ON, Power Up - EN,  Master Clear - Enable, Data EE Read Protect - OFF, Code Protect - OFF.

Все конструкции в данный момент используются на радиолюбительских репитерах и маяках в разных регионах! Если Вам необходим иной вариант работы маяка - пишите и возможно следующий опубликованный вариант будет Ваш!

Контроллер КВ/УКВ маяка

Рис. 1

Контроллер КВ/УКВ маяка

Рис. 2 Печатная плата

Контроллер КВ/УКВ маяка

Рис. 3 Первый вариант

Рис. 4 Печатная плата

Рис. 4 Печатная плата

Контроллер КВ/УКВ маяка

Рис. 5 Второй вариант

Контроллер КВ/УКВ маяка

Рис. 6 Третий вариант

Рис. 7

Рис. 8

Рис. 9

Контроллер КВ/УКВ маяка

Рис. 10

Рис.11

При обращении к автору пожалуйста не забывайте в письме указывать соответствующую этой конструкции тему, а лучше гиперссылку на нее (просто скопируйте адрес с вашего браузера).  Для гарантированного получения ответа - указывайте пожалуйста действующие и исправные (не переполненные) почтовые ящики своего Е-маила!

Публикация в периодических изданиях, а также на других сайтах только с письменного разрешения автора!

Дата публикации - 07.12.2004
Последнее обновление - 10.06.2006

Если будут вопросы - пишите отвечу. Удачи !
Якименко Сергей, UT2HI

Партнеры