Что-то не так?
Пожалуйста, отключите Adblock.
Портал QRZ.RU существует только за счет рекламы, поэтому мы были бы Вам благодарны если Вы внесете сайт в список исключений. Мы стараемся размещать только релевантную рекламу, которая будет интересна не только рекламодателям, но и нашим читателям. Отключив Adblock, вы поможете не только нам, но и себе. Спасибо.
Как добавить наш сайт в исключения AdBlockРеклама
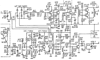
Принципиальная схема основного блока 21 МГц
Принципиальная схема основного блока 21 МГц
СодержаниеКак уже указывалось, радиостанция может работать как в автономном режиме, гак и совместно с KB трансивером. Автономная работа радиостанции рассматривалась как вспомогательная, и при этом решено было ограничиться только телеграфным режимом работы. Основной блок радиостанции (рис. 12) представляет собой маломощный телеграфный трансивер на диапазон 21 МГц, выполненный на основе приемника прямого преобразования частоты. Трансивер можно подразделить на приемный тракт, передающий тракт и общий перестраиваемый гетеродин.
(рис. 12 - щелкните мышью для получения большого изображения)
Приемный тракт содержит входной смеситель, выполненный - на диодах 4Д1—4Д4, и четырехкаскадный усилитель низкой частоты — транзисторы 4Т1—4Т5.
Передающий тракт содержит удвоитель, выполненный на диодах 4Д7, 4Д8, и усилитель — на транзисторе 4Т8.
Гетеродин состоит из LC-автогенератора и буферного каскада на транзисторах 4Т6 и 4Т7.
Сигнал с выхода одного из трансвертеров, 144/21 или 432/21 МГц, поступает на входной контур приемного тракта 4L1 4С2 и далее через катушку связи 4L2 на входной смеситель, собранный на диодах 4Д1—4Д4. Смеситель выполнен по схеме, предложенной радиолюбителем В. Поляковым (RA3AAE), и содержит две ветви на встречно-параллельных диодах. Для стабилизации режима смесителя введена цепь автосмещения, состоящая из конденсаторов 4С3, 4С4 и резистора 4R1. С выхода смесителя низкочастотный сигнал поступает на двухзвенный LC-фильтр 4L3 4L4 4С5 4С6 4С7, имеющий частоту среза около 3 кГц. Нагрузкой фильтра служит первый каскад усилителя низкой частоты, выполненный на транзисторе 4T1 База следующего транзистора 4Т2 гальванически связана с коллектором 4Т1, и оба транзистора охвачены общей отрицательной обратной связью по постоянному току с помощью резистора 4R2. Далее низкочастотный сигнал через регулятор усиления R2 поступает на третий каскад. Нагрузкой транзистора 4Т3 служит согласующий трансформатор, обеспечивающий парафазное возбуждение транзисторов 4Т4 и 4Т5, входящих в состав двухтактного выходного каскада. Трансформаторная схема позволила получить большой коэффициент усиления двух последних каскадов, а также обеспечила возможность подключения как низкоомной, так и высокоомной нагрузки.
Перестраиваемый гетеродин выполнен на транзисторе 4Т6 по трехточечной емкостной схеме. Для перестройки частоты служит варикап 4Д5, постоянное напряжение на который поступает через резистор 4R14. Управляющее напряжение поступает с переменного резистора R5, входящего в состав схемы межблочных соединений (см. рис. 14). В состав делителя также входят резистор R6, ограничивающий минимальное напряжение на варикапе 4Д5, а также резисторы R3 и R4, поочередно подключаемые контактами реле Р1/2. В режиме передачи подключается постоянный резистор R4, а в режиме приема — переменный резистор R3. Резистор R3 служит для расстройки частоты приема относительно частоты передачи. Расстройка необходима для поиска сигналов отвечающих радиостанций при работе “на общий вызов”, а также для настройки на частоту вызываемой радиостанции. Так, например, если сигнал вызываемой радиостанции принимается с тоном около 1 кГц, то для совмещения частот обоих корреспондентов при передаче должна автоматически включиться расстройка на 1 кГц. Дело, однако, осложняется тем, что приемник прямого преобразования имеет низкочастотный зеркальный канал приема, т. е. прием с тоном 1 кГц может происходить при настройке гетеродина как выше, так и ниже частоты принимаемой станции. Ясно, что если автоматически включаемая расстройка имеет определенный знак, то в одном случае, при настройке на основной канал, произойдет совмещение частот корреспондентов, а в другом случае, при настройке на зеркальный канал, расстройка достигнет двойного значения. Для проверки правильности настройки служит кнопка Кн1. При нажатии кнопки отключается расстройка приемника. В результате при правильной настройке на частоту корреспондента тон принимаемой станции понижается до нуля, а при настройке на зеркальный канал тон повышается в 2 раза. Кнопка также помогает оперативно настроиться на частоту корреспондента. Для этого надо при нажатой кнопке настроиться на нулевые биения.
С автогенератора сигнал поступает на вход буферного каскада, выполненного на транзисторе 4Т7. Каскад служит для устранения влияния нагрузки на частоту гетеродина. Транзистор 4Т7 включен по схеме усилителя с общим эмиттером. Транзистор нагружен на контур 4L8 4С25, настроенный на частоту 10,5 МГц. Связь осуществлена посредством обмотки 4L7. Далее сигнал разветвляется на два направления. Через катушку связи 4L6 напряжение гетеродина поступает на входной смеситель приемного тракта, который по принципу работы требует подачи сигнала гетеродина на половинной частоте. Через катушку связи 4L9 напряжение с частотой 10,5 МГц поступает на удвоитель, выполненный на диодах 4Д7, 4Д8. Одновременно диоды выполняют роль коммутирующих элементов для осуществления телеграфной манипуляции. Для этого диоды включены по постоянному току в диагональ моста, образованного резисторами 4R22—4R25. При нажатом ключе резистор 4R24 соединен с “землей” и напряжение в диагонали сбалансированного моста равно нулю. В результате диоды 4Д7, 4Д8 открываются высокочастотным напряжением, поступающим через катушку связи 4L9, и на выходе образуется напряжение удвоенной частоты. При отжатом ключе мост разбалансирован и на диоды поступает запирающее напряжение. Остаточная емкость диодов в данной схеме не имеет значения, так как емкостные токи диодов равны и противоположны по знаку.
Для улучшения качества манипуляции служит конденсатор 4С30, ограничивающий скорость изменения постоянного напряжения в диагонали моста. Для того, чтобы конденсатор 4С30 не шунтировал выход удвоителя, в схему введен дроссель 4L10.
С выхода удвоителя сигнал поступает на вход буферного каскада, выполненного на транзисторе 4Т8. Транзистор с помощью катушки связи 4L11 нагружен на контур 4L12 4С33, настроенный на частоту 21 МГц. Для регулировки уровня сигнала с частотой 21 МГц служит потенциометр R1, включенный в коллекторную цепь транзистора.
Далее >> (Принципиальная схема блока питания и межблочных соединений)
