LAB599.RU — интернет-магазин средств связи
EN FR DE CN JP

Справочник по биполярным транзисторам

 
Предыдущая страница
Первая страница
Начало
Следующая страница

Справочник  по  биполярным  транзисторам
Цоколевки 61 - 75


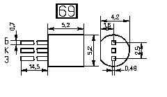
КТ203-М, КТ306-М, КТ313-1, КТ326-М, КТ342-М

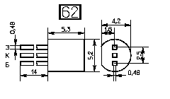
КТ684

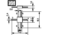
КТ355-М, КТ3157

КТ325-М, КТ339-М

2ТС687-С2

2Т688

КТ936

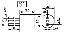
КТ3109

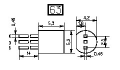
КТ3126

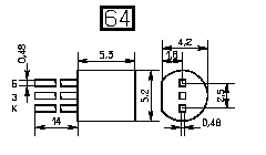
2ТС3111

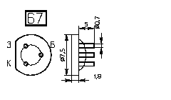
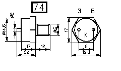
ГТ701, 1Т901, КТ933

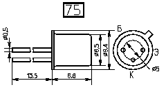
1Т702

ГТ703, ГТ705, 2Т713, КТ808-М, КТ812, КТ818-М, 2Т818, КТ819-М, 2Т818, 2Т824-М, 2Т825, 2Т826, 2Т827, 2Т828, 2Т832, 2Т834, 2Т838, 2Т839, 2Т840, 2Т841, 2Т842, 2Т844, 2Т845, 2Т846, 2Т847, 2Т848 и т.д.

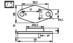
КТ704, 1Т824, 2Т917, КТ926, КТ935

2Т708

Предыдущая страница
Первая страница
Начало
Следующая страница
Козак Виктор Романович, Новосибирск,  6-сен-2000г.
email: kozak (at) inp.nsk.su

 

Партнеры