LAB599.RU — интернет-магазин средств связи
EN FR DE CN JP

Справочник по биполярным транзисторам

 
Предыдущая страница
Первая страница
Начало
Следующая страница

Справочник  по  биполярным  транзисторам
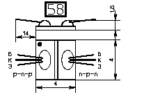
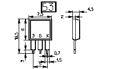
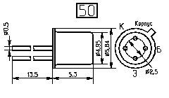
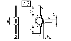
Цоколевки 46 - 60


2Т3133, 2Т652

КТ3155

КТ3169-91

КТ3174-С2

КТ339

ГТ402, ГТ404

ГТ403

ГТ405

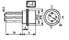
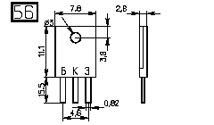
КТ602, КТ604, КТ611

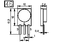
КТ607-4, 1Т612, 1Т614

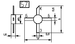
КТ626

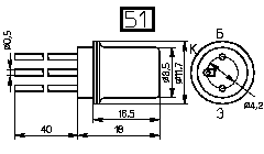
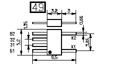
1Т3110-2, 2Т640-2, 2Т642-2, 2Т643-2, 2Т647-2, 2Т648-2, 2Т671-2

2ТС641

2Т649-2

2Т664-91, 2Т665-91, КТ666-9, КТ667-9, КТ9144-9, КТ9145-9

Предыдущая страница
Первая страница
Начало
Следующая страница
Козак Виктор Романович, Новосибирск,  5-сен-2000г.
email: kozak (at) inp.nsk.su

 

Партнеры