LAB599.RU — интернет-магазин средств связи
EN FR DE CN JP

Справочник по биполярным транзисторам

 
Предыдущая страница
Первая страница
Начало
Следующая страница

Справочник  по  биполярным  транзисторам
Цоколевки 91 - 105


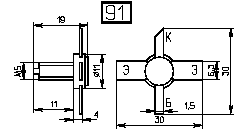
КТ911

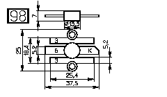
КТ912

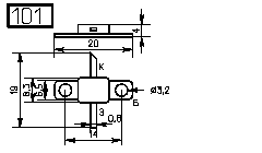
КТ610, КТ913, КТ916, 2Т939

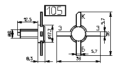
2Т634-2, 2Т637-2, КТ918, 2Т938-2

КТ919, 2Т937-2, 2Т942

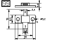
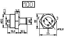
КТ920, КТ922, КТ925, КТ929, КТ934, 2Т951, КТ983

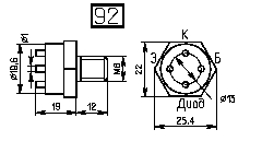
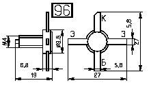
КТ927

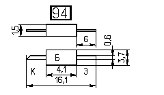
2Т930, 2Т931, 2Т958, 2Т960

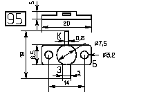
2Т946

КТ944, 2Т947

2Т948, 2Т9103-2

2Т949, 2Т993

2Т950

2Т955, 2Т965, 2Т966, 2Т981

2Т956, 2Т957, 2Т964, КТ967, 2Т980, 2Т9111

Предыдущая страница
Первая страница
Начало
Следующая страница
Козак Виктор Романович, Новосибирск,  6-сен-2000г.
email: kozak (at) inp.nsk.su

 

Партнеры