LAB599.RU — интернет-магазин средств связи
EN FR DE CN JP

Справочник по биполярным транзисторам

 
Предыдущая страница
Первая страница
Начало
Следующая страница

Справочник  по  биполярным  транзисторам
Цоколевки 106 - 120


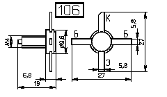
2Т962, 2Т976

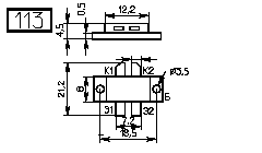
2Т963-2, 2Т995-2, 2Т9119-2, 2Т9135-2

2Т975, 2Т986

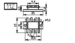
2Т977

2Т982-2

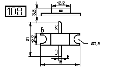
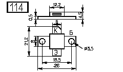
2Т984, 2Т9104, 2Т9109

2Т985-С, 2Т9105-С, 2Т9125-С, 2Т9128-С

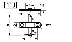
2Т987

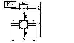
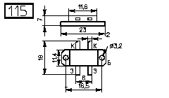
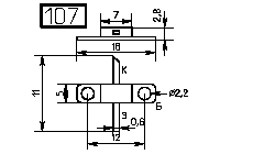
КТ979, 2Т988, 2Т989, 2Т9114, 2Т9124, 2Т9129, 2Т9139, 2Т9149, 2Т9158

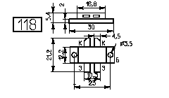
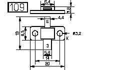
2Т991-С, 2Т9101-С, 2Т9132-С, 2Т9136-С

2Т994, 2Т9146

2Т996-2

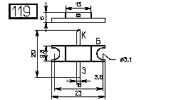
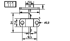
2Т9118, 2Т9122

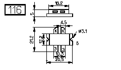
2Т9121, 2Т9127, 2Т9146Б,В

2Т9134

Предыдущая страница
Первая страница
Начало
Следующая страница
Козак Виктор Романович, Новосибирск,  7-сен-2000г.
email: kozak (at) inp.nsk.su

 

Партнеры