LAB599.RU — интернет-магазин средств связи
EN FR DE CN JP

Справочник по биполярным транзисторам

 
Предыдущая страница
Первая страница
Начало
Следующая страница

Справочник  по  биполярным  транзисторам
Цоколевки 136 - 150


198НТ5, 198НТ6, 198НТ7, 198НТ8

КР198НТ1-4

КР198НТ5-8

ГТС609

КТС613, КТС631

КР159НТ1, КТС3103-1

2ТС843

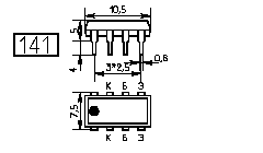
КТС398-94

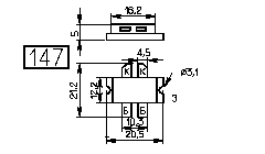
КТ9147-С

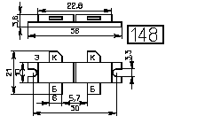
2Т9153-С

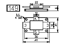
КТ9142

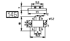
КТ9150

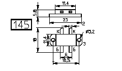
КТ9151, КТ9152

КТ9160

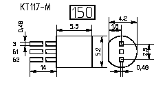
КТ117-М

Предыдущая страница
Первая страница
Начало
Следующая страница
Козак Виктор Романович, Новосибирск,  7-сен-2000г.
email: kozak (at) inp.nsk.su

 

Партнеры