LAB599.RU — интернет-магазин средств связи
EN FR DE CN JP

Справочник по биполярным транзисторам

 
Предыдущая страница
Первая страница
Начало
Следующая страница

Справочник  по  биполярным  транзисторам
Цоколевки 121 - 135


2Т9137

2Т9140

КТ872, КТ898, КТ8101, КТ8102, КТ8106, КТ8107

КТ999

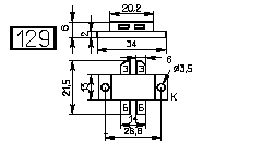
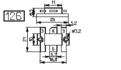
2Т9126, 2Т9131

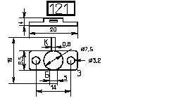
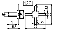
КТ970, 2Т971, КТ9116, КТ9133

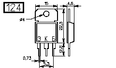
2Т879

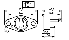
КТ9141-1

2Т891

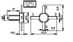
КТ970

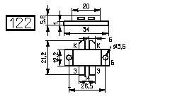
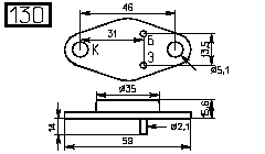
КТ715

1НТ251

КТС622

1НТ661

198НТ1, 198НТ2, 198НТ3, 198НТ4

Предыдущая страница
Первая страница
Начало
Следующая страница
Козак Виктор Романович, Новосибирск,  7-сен-2000г.
email: kozak (at) inp.nsk.su

 

Партнеры