Что-то не так?
Пожалуйста, отключите Adblock.
Портал QRZ.RU существует только за счет рекламы, поэтому мы были бы Вам благодарны если Вы внесете сайт в список исключений. Мы стараемся размещать только релевантную рекламу, которая будет интересна не только рекламодателям, но и нашим читателям. Отключив Adblock, вы поможете не только нам, но и себе. Спасибо.
Как добавить наш сайт в исключения AdBlock
QRZ.RU > Технические справочники > Справочники по микросхемам и п/п приборам > Справочник по полупроводниковым диодам > Справочник по полупроводниковым диодам
Реклама
Справочник по полупроводниковым диодам
|
|
|
|
|
|
|
|
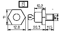
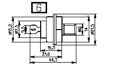
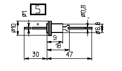
ГД107, ГД113, 2Д235, ГД401, КД407, 2Д420, КД503, ГД507, ГД508, КД923, 2В110, 2В117, 2В119, КВ136, 2С108А-Р, 2С133А,В,Г, КС133А, 2С139А, КС139А, 2С147А,В,Г, КС147А, 2С156А,В,Г, КС156А, 2С168А, КС168А, КС415А, 2С117, 2С123 |
1Ц104АИ |
2Д102, КД103, КД104 |
КД106, 2Д217 |
2Д108, 2Д207, КД411, 2Д416, 2В105, 2С401А, 2С401БС, 2С408, 2С501АС, 2С501Б, 2С501БС |
КД201, 2Д203 |
2Д202 |
2Д204, 2Д206, 2Д210, 2Д219, 2Д230, 2Д231, 2Д251, 2Д252, 2Д2995, 2Д2998, 2Д412, АД425, 2В103, 2В106, 2С801А, 2С802, 2С803, 2С901 |
2Д213, 2Д245, 2Д2990, 2Д2997, 2Д2999 |
КД208, КД209, 2Д215, КД221 |
2Д216, 2Д220, 2Д234 |
2ДС408 |
КД413, 2Д419, КД512, КД514, КД520, 2Д922 |
КД906, 2Ц301 |
2Ц101, 2Ц103, 2Ц106, КЦ114, КЦ117, КЦ118 |
2Ц102 |
2Ц108, 2Ц110 |
КЦ201, 2Ц202 |
2Ц203 |
АД110, 2Д502 |
|
|
|
|
|
|
|
|