LAB599.RU — интернет-магазин средств связи
EN FR DE CN JP

Справочник по полупроводниковым диодам

 
 Предыдущая страница
Первая страница
Начало
Следующая страница

Справочник по полупроводниковым диодам
Цоколевка диодов (21-40)


АД110

АД112

КД401, ГД403, КД504, ГД511, 2Д809

ГД404АР

КД105

КД109

КДС111, КВС111

КД205

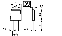
2Д212, 2Д228, 2С402А-Г, 2С502А-Н

КД409, КД512-1, КД514-1, КВ109, КВ121, КВ122, КВ123, 2В124, 2В125, КВ127, КВ130, КВ132, 2В133, КВ134, КВ138, КВ142, КВ144-1

КД410

КД910, КД911

КВ128, КВ129, КВ143, КД424, КД509, 2Д510, КД521, 2Д522, КД805, 2Д926, 2Д927А, КС115А, КС121А

КД523А,Б

КД523В,Г

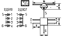
2Д907, 2Д918

2Д908, КД917

АД516

2Д237, КД513, КД518, КВ139

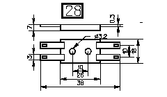
КД526

 Предыдущая страница
Первая страница
Начало
Следующая страница
Козак Виктор Романович, Новосибирск, 6-мар-2001г.
email: kozak (at) inp.nsk.su

Партнеры