LAB599.RU — интернет-магазин средств связи
EN FR DE CN JP
QRZ.RU > Технические справочники > Справочники по микросхемам и п/п приборам > Справочник по светоизлучающим п/п приборам

Справочник по светоизлучающим п/п приборам

 
Предыдущая страница
Первая страница
Начало
Следующая страница
Справочник по светоизлучающим полупроводниковым приборам
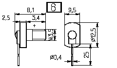
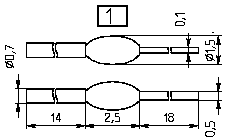
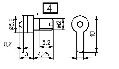
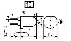
Цоколевки 1 - 15

3Л103

3Л107, 3Л115, 3Л118, 3Л129, 3Л139, КИПД31

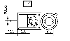
3Л108

3Л119, 3Л123, 3Л124, 3Л153

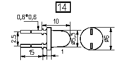
3Л120

3Л127-1

АЛ109А-1, 3Л128-1

3Л130, 3Л148

3Л132, 3Л135

3Л136, 3Л137. 3Л138. 3Л143

3Л140А-4, 3Л142А-4

АЛ102-М, 3Л149, 3Л341, АЛ360, 3Л365

КЛД901

АЛ307-М

АЛ316
Предыдущая страница
Первая страница
Начало
Следующая страница

 

Партнеры