LAB599.RU — интернет-магазин средств связи
EN FR DE CN JP
QRZ.RU > Технические справочники > Справочники по микросхемам и п/п приборам > Справочник по светоизлучающим п/п приборам

Справочник по светоизлучающим п/п приборам

 
Предыдущая страница
Первая страница
Начало
Следующая страница
Справочник по светоизлучающим полупроводниковым приборам
Цоколевки 16 - 30

АЛ106

3ЛС331

АЛС331

АЛ402

КИПД04, ИПД04

КИПД01, ИПД01

3Л108-1, АЛ157, КИПД02

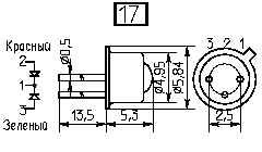
КИПД05

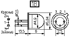
КИПД06

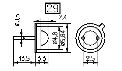
КИПМ01

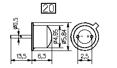
КИПМ02

КИПМ03

КИПМ04

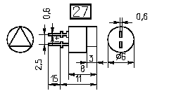
АЛ154

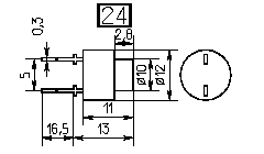
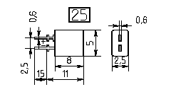
3ОР124
Предыдущая страница
Первая страница
Начало
Следующая страница

 

Партнеры