LAB599.RU — интернет-магазин средств связи
EN FR DE CN JP
QRZ.RU > Технические справочники > Справочники по микросхемам и п/п приборам > Справочник по светоизлучающим п/п приборам

Справочник по светоизлучающим п/п приборам

 
Предыдущая страница
Первая страница
Начало
Следующая страница
Справочник по светоизлучающим полупроводниковым приборам
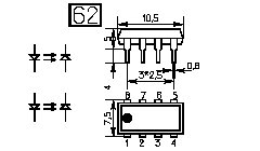
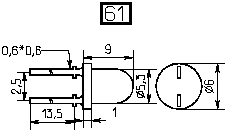
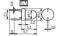
Цоколевки 61 - 66

АЛ156, АЛ161, АЛ336, КИПД18

АОД134АС

КИПД14

КИПД17

3ОД148А

3ОД148А1
Предыдущая страница
Первая страница
Начало
Следующая страница

 

Партнеры