LAB599.RU — интернет-магазин средств связи
EN FR DE CN JP
QRZ.RU > Технические справочники > Справочники по микросхемам и п/п приборам > Справочник по светоизлучающим п/п приборам

Справочник по светоизлучающим п/п приборам

 
Предыдущая страница
Первая страница
Начало
Следующая страница
Справочник по светоизлучающим полупроводниковым приборам
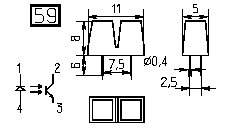
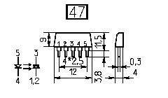
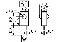
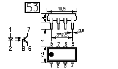
Цоколевки 46 - 60

АОТ127

АОУ115

АОТ137

АОТ128

АОТ147

АОД133

АОД111

3ОТ144, 3ОТ150

АОТ101-С

КОД302

АОТ146

АОР113, АОРС113

АОТ137-1

АОТ151

АЛ144
Предыдущая страница
Первая страница
Начало
Следующая страница

 

Партнеры