LAB599.RU — интернет-магазин средств связи
EN FR DE CN JP

Справочник по полевым транзисторам

 
Предыдущая страница
Первая страница
Начало
Следующая страница
Справочник  по  полевым  транзисторам
Цоколевки 1 - 15

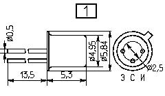
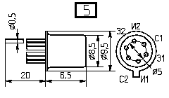
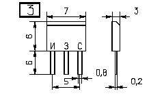
КП101, КП314, КП333

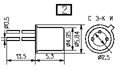
КП102, КП103

КП102, КП103

КП308-9

КПС104

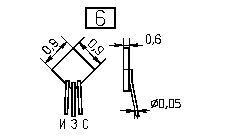
КП201

КП202

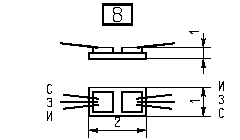
КПС202, КПС203

КП301

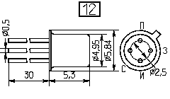
КП302, КП601, КП914

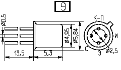
КП303, КП307, КП310, КП337

КП304

КП305

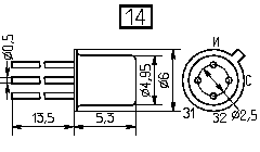
КП306, КП350

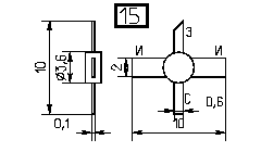
КП312, КП341
Предыдущая страница
Первая страница
Начало
Следующая страница
Козак Виктор Романович, Новосибирск, 14-мар-2000г.
email: kozak (at) inp.nsk.su

Партнеры