LAB599.RU — интернет-магазин средств связи
EN FR DE CN JP

Справочник по полевым транзисторам

 
Предыдущая страница
Первая страница
Начало
Следующая страница
Справочник  по  полевым  транзисторам
Цоколевки 16 - 30

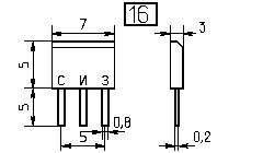
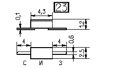
КП313

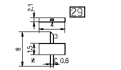
КПС315

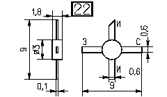
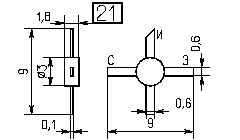
КП322

КП323-2, 2П335-2

3П324-2, 3П325-2, 3П343-2, 3П344-2

3П320-2

АП321-2

3П326-2, 3П330-2, 3П331-2, 3П339-2, 3П605-2

3П328-2

2П338-1

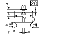
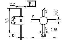
3П345-2

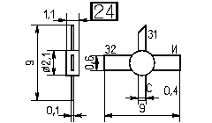
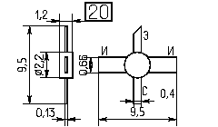
3П602-2, 3П910-2

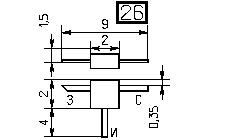
3П603-2, 3П604-2, 3П606-2

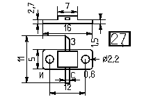
3П608-2, 3П927-2

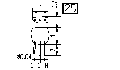
2П103-9
Предыдущая страница
Первая страница
Начало
Следующая страница
Козак Виктор Романович, Новосибирск, 15-мар-2000г.
email: kozak (at) inp.nsk.su

Партнеры