LAB599.RU — интернет-магазин средств связи
EN FR DE CN JP

Справочник по полевым транзисторам

 
Предыдущая страница
Первая страница
Начало
Следующая страница
Справочник  по  полевым  транзисторам
Цоколевки 46 - 60

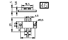
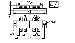
2П920

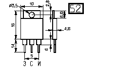
2П928

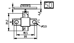
3П930-2

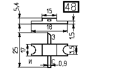
2П933

2П701, 2П702, 2П703, 2П803

КП921, КП931

КП704, КП707-1, КП922-1, КП946, КП948

КП932

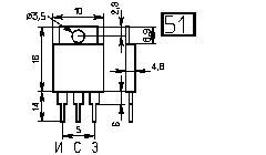
КП707

504НТ1 - 504НТ4

КР504НТ1 - КР504НТ4

2П706

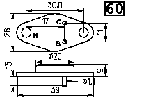
КП804

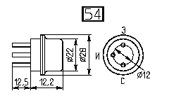
КП501, КП307-1, КП364

КП150...
Предыдущая страница
Первая страница
Начало
Следующая страница
Козак Виктор Романович, Новосибирск, 16-мар-2000г.
email: kozak (at) inp.nsk.su

Партнеры