LAB599.RU — интернет-магазин средств связи
EN FR DE CN JP

Справочник по полевым транзисторам

 
Предыдущая страница
Первая страница
Начало
Следующая страница
Справочник  по  полевым  транзисторам
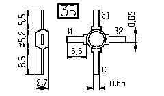
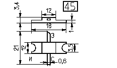
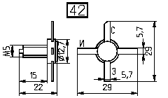
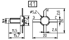
Цоколевки 31 - 45

КП346-9

2П347-2

2П601-9

2П607-2

КП327

КП103-1

КПС316

КП901, КП902

КП903

КП904

КП905, КП907, КП908

2П909, 2П911, 2П913

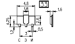
КП705, КП801, КП802, КП912, КП921, КП926, КП934, КП937

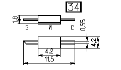
2П918, 2П923, 2П941

3П915-2, 3П925-2
Предыдущая страница
Первая страница
Начало
Следующая страница
Козак Виктор Романович, Новосибирск, 27-фев-2002г.
email: kozak (at) inp.nsk.su

Партнеры