Что-то не так?
Пожалуйста, отключите Adblock.
Портал QRZ.RU существует только за счет рекламы, поэтому мы были бы Вам благодарны если Вы внесете сайт в список исключений. Мы стараемся размещать только релевантную рекламу, которая будет интересна не только рекламодателям, но и нашим читателям. Отключив Adblock, вы поможете не только нам, но и себе. Спасибо.
Как добавить наш сайт в исключения AdBlockРеклама
КР(Ф)1006ВИ1 - программируемый таймер
| Навигатор: QRZ.RU > Радиолюбительская справочники > Справочник по отечественным микросхемам |
Корпус КР1006ВИ1
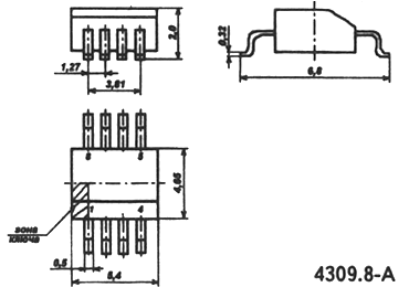
Корпус КФ1006ВИ1
Электрическая схема
Назначение выводов
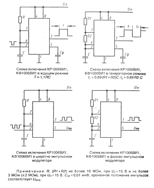
Схемы включения
Электрические параметры
Предельно допустимые режимы эксплуатации
Рекомендации по применению
Зарубежные аналоги
Литература
Микросхема представляет собой таймер для формирования импульсов напряжения длительностью Т=1,1RC (R и C - внешние времязадающие элементы) от нескольких микросекунд до десятков минут.
Предназначена для применения в стабильных датчиках времени, генераторах импульсов, широтно-импульсных, частотных и фазовых модуляторах, преобразователях напряжения и сигналов, ключевых схемах, исполнительных устройствах в системах управления, контроля и автоматики. Содержит 51 интегральный элемент. Корпус типа 2101.8-1 и 4309.8-A.
Корпус КР1006ВИ1
Корпус КФ1006ВИ1
Электрическая схема
Назначение выводов 1006ВИ1
1 - общий;
2 - запуск;
3 - выход;
4 - сброс;
5 - контроль делителя;
6 - срабатывание;
7 - цепь разряда;
8 - напряжение питания;
Схемы включения
Электрические параметры
| 1 | Напряжение питания | от 3 до 15 В |
| 2 | Выходное напряжение низкого уровня     при Uп=5 В, Uср=3,7...4,7 В, Iвых=5 мА     при Uп=15 В, Uср=11,5...14 В, Iвых=0,1 А |
  не более 9,35 В не более 2,5 В |
| 3 | Выходное напряжение высокого уровня     при Uп=5 В, Uср=1,8...2,8 В, Iвых=0,1 А     при Uп=15 В, Uср=5,5...8 В, Iвых=0,1 А |
  не менее 2,75 В не менее 12,5 В |
| 4 | Ток потребления     при Uп=5 В, Uср=3,7...4,7 В, Uвх=2,3...3,3 В     при Uп=15 В, Uср=11,5...14 В, Uвх=7...9,5 В |
  не более 6 мА не более 15 мА |
| 5 | Ток сброса при Uп=15 В | не более 1,5 мА |
| 6 | Выходной ток при Uп=15 В | не более 2 мкА |
| 7 | Ток срабатывания | 250 нА |
| 8 | Время нарастания (спада) | 300 нс |
| 9 | Начальная погрешность при Uп=15 В | не более 3 % |
| 10 | Нестабильность начальной погрешности от напряжения питания | не более 0,3 %/В |
Предельно допустимые режимы эксплуатации
| 1 | Напряжение питания | 5...15 В |
| 2 | Ток нагрузки | не более 100 мА |
| 3 | Рассеиваемая мощность (50 ° C) | не более 50 мВт |
| 4 | Температура окружающей среды | -45...+70 ° C |
| 5 | Допустимое значение статического потенциала | 200 В |
Примечания:
    - при температуре окружающей среды от 50 ° C рассеиваемая мощность определяется по формуле: Pp=500мВт-5мВт/ ° C(Tокр-50 ° C)
    - ток сброса - значение тока, протекающего в цепи сброса таймера в заданном режиме
    - начальная погрешность - относительное отклонение длительности импульса Tx, генерируемого таймера с заданными времязадающими элементами R и C, от значения длительности, определяемой из выражения: Tвых=RCln3
    - нестабильность начальной погрешности от напряжения питания - отношение величины отклонения начальной погрешности таймера к изменению напряжения питания.
    - максимальное напряжение сброса - максимальное значение напряжения на выводе цепи сброса, при котором на выходе ИС обеспечивается значение напряжения низкого уровня.
Рекомендации по применению
Запуск ИС происходит при условии U0вх не более 1/3 от Uп, подаваемое на вывод "запуск". Для устранения нестабильности запуска таймера, вызванной пульсацией источника питания, рекомендуется параллельно с источником питания в непосредственной близости к выводам ИС включать конденсатор емкостью 1...10 мкФ. Максимальное напряжнение сброса находится в пределах 0,4...1 В. В случае неиспользования вывода сброса его необходимо подключать к выводу 8. В случае неиспользования вывода "контроль делителя" его необходимо замкнуть на корпус через блокирующий конденсатор емкостью 0,01...0.1 мкФ. Минимальная длительность импульса, генерируемого таймером, состовляет 20 мкс. Не рекомендуется подавать на выводы 2,4,6,7 напряжение, превышающее напряжение питания.
Зарубежные аналоги
NE555NL, LM555CN-8, LM555M
Литература
Интегральные микросхемы и их зарубежные аналоги: Справочник. Том 7./А. В. Нефедов. - М.:ИП РадиоСофт, 1999г. - 640с.:ил.
Отечественные микросхемы и зарубежные аналоги Справочник. Перельман Б.Л.,Шевелев В.И. "НТЦ Микротех", 1998г.,376 с. - ISBN-5-85823-006-7
| Навигатор: QRZ.RU > Радиолюбительская справочники > Справочник по отечественным микросхемам |