Что-то не так?
Пожалуйста, отключите Adblock.
Портал QRZ.RU существует только за счет рекламы, поэтому мы были бы Вам благодарны если Вы внесете сайт в список исключений. Мы стараемся размещать только релевантную рекламу, которая будет интересна не только рекламодателям, но и нашим читателям. Отключив Adblock, вы поможете не только нам, но и себе. Спасибо.
Как добавить наш сайт в исключения AdBlockРеклама
Импульсный номеронабиратель КР1008ВЖ11
| Навигатор: QRZ.RU > Радиолюбительская справочники > Справочник по отечественным микросхемам |
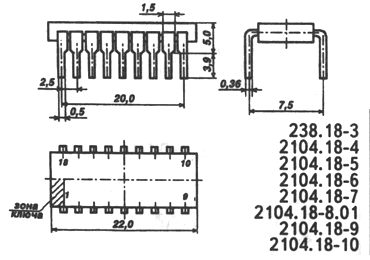
Корпус КР1008ВЖ11
Назначение выводов КР1008ВЖ11
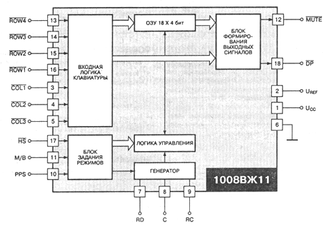
Структурная схема КР1008ВЖ11
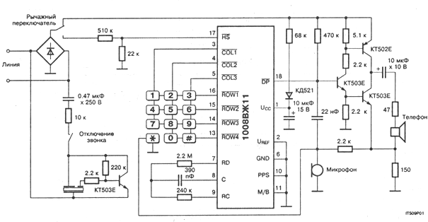
Схема применения КР1008ВЖ11
Электрические параметры
Предельно допустимые режимы эксплуатации
Зарубежные аналоги
Литература
1008ВЖ10 - импульсный номеронабиратель. Служит для преобразования нажатия кнопки клавиатуры в последовательность токовых импульсов. Программирование паузы (единичная пауза равна 1,6 мс) можно производить после каждой набранной цифры нажатием клавиши "*". Микросхема имеет встроенный стабилизатор напряжения. Его влючение происходит при замыкании вывода 2 на "землю". Внутреннее ОЗУ расчитано на 17 цифр. Имеет помехозащитные входы для клавиатуры. Предназначена для применения в кнопочных телефонных аппаратах с расширенными функциональными возможностями. Выполнена по КМОП - технологии. Корпус типа 2104.18-10
Корпус КР1008ВЖ11
Назначение выводов КР1008ВЖ11
Структурная схема КР1008ВЖ11
Схема применения
Электрические параметры
| 1 | Напряжение питания в статическом режиме | 1,5 В |
| 2 | Частота генератора | 4 кГц |
| 3 | Импульсный коэффициент | 3:2 или 2:1 |
| 4 | Длительность удержания клавиши для уверенного ввода значения цифры | 40 мс |
| 5 | Время восстановления выхода MUTE после завершения формирования последней цифры | 5 мс |
| 6 | Частот импульсов внутри кодовой посылки | 10 или 20 Гц |
| 7 | Длительность нажатия рычага необходимая для сброса регистра адресации памяти | 300 мс |
| 8 | Длительность времени "антидребезга" | 10 мс |
| 9 | Длительность межцифровой паузы | 800 или 400 мс |
Предельно допустимые режимы эксплуатации
| 1 | Напряжение питания UCC | 2...6 В |
| 2 | Максимальный ток потребления ICC | не более 150 мкА |
| 3 | Максимальный ток потребления в статическом режиме ICC | не более 1 мкА |
| 4 | Максимально допустимое сопротивление контакта клавиатуры в замкнутом состоянии RON | не более 1 кОм |
Зарубежные аналоги
Прототипом КР1008ВЖ11 является KS5805A
Литература
Интегральные микросхемы: Микросхемы для телефонии. Выпуск 1 - М.:ДОДЭКА, 1994г.,256 с. - ISBN-5-87835-003-3
Отечественные микросхемы и зарубежные аналоги Справочник. Перельман Б.Л.,Шевелев В.И. "НТЦ Микротех", 1998г.,376 с. - ISBN-5-85823-006-7
| Навигатор: QRZ.RU > Радиолюбительская справочники > Справочник по отечественным микросхемам |