Что-то не так?
Пожалуйста, отключите Adblock.
Портал QRZ.RU существует только за счет рекламы, поэтому мы были бы Вам благодарны если Вы внесете сайт в список исключений. Мы стараемся размещать только релевантную рекламу, которая будет интересна не только рекламодателям, но и нашим читателям. Отключив Adblock, вы поможете не только нам, но и себе. Спасибо.
Как добавить наш сайт в исключения AdBlockРеклама
КР1008ВЖ15 - импульсный номеронабиратель для аппаратов типа телефон-трубка
| Навигатор: QRZ.RU > Радиолюбительская справочники > Справочник по отечественным микросхемам |
Назначение выводов КР1008ВЖ15
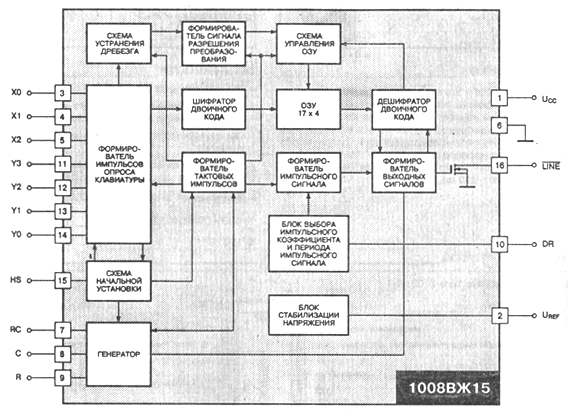
Структурная схема КР1008ВЖ15
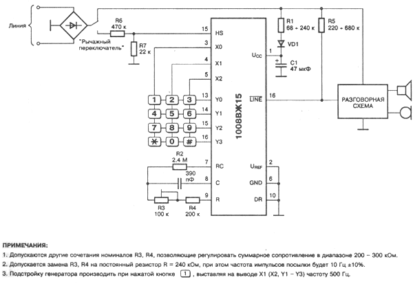
Схема применения КР1008ВЖ15
Электрические параметры
Предельно допустимые режимы эксплуатации
Зарубежные аналоги
Литература
КР1008ВЖ15 - импульсный номеронабиратель для аппаратов типа телефон-трубка, выполненный по КМОП технологии. Внутреннее ОЗУ 17x4 бит. Содержит внутренний стабилизатор, схемы антидребезга и блокировки при одновременном нажатии кнопок. При частоте задающего генератора 4 кГц микросхема обепечивает частоту импульсов кодовой посылки 10 Гц, межцифровую паузу 800 мс. При соединении вывода 10 с выводом 1 частота становится равной 20 Гц, межцифровая пауза - 400 мс. Имульсный коэффициент 1.55. Корпус типа 2103.16-1
Назначение выводов КР1008ВЖ15
Структурная схема КР1008ВЖ15
Схема применения
Электрические параметры
при Т=25 ° C
| 1 | Ток потребления (трубка положена) ICC при UCC=4,0 В |
не более 15 мкА |
| 2 | Ток потребления в динамическом режиме ICCAV | не более 150 мкА |
| 3 | Напряжение стабилизации UCN при Uвх=10 В, Rвх=200 кОм |
от 3,0 до 4,5 В |
| 4 | Ток утечки импульсного ключа IOL при R2-6=0 кОм, Rвх=200 кОм |
не более 1 мкА |
| 5 | Выходное напряжение низкого уровня импульсного ключа UOL при UCC=2,7 В, RL=10 кОм |
не более 0,6 В |
| 6 | Входной ток высокого уровня IIH при UCC=4,0 В, UIH=4,0 В |
не более 0,5 мкА |
| 7 | Выходное напряжение низкого уровня на выводах 8,9 UOL при UCC=4,0 В, RL=240 кОм |
не более 0,6 В |
| 8 | Выходное напряжение высокого уровня на выводах 8,9 UOH при UCC=4,0 В, RL=240 кОм |
не менее 3,4 В |
| 9 | Выходное напряжение низкого уровня на выводах 3-5, 11-14 UOL при UCC=4,0 В |
не более 0,6 В |
| 10 | Выходное напряжение высокого уровня на выводах 3-5, 11-14 UOH при UCC=4,0 В |
не менее 3,4 В |
| 11 | Выходное напряжение низкого уровня на выводе 10 UOL при UCC=2,7 В, RL=10 кОм |
не более 0,6 В |
Предельно допустимые режимы эксплуатации
| 1 | Напряжение питания UCC | не более 4,5 В |
| 2 | Температура окружающей среды TA | -10...70 µ C |
| 3 | Потребляемая мощность PCC | не более 0,1 Вт |
Зарубежные аналоги
Прототипом КР1008ВЖ15 является WE9192
Литература
Интегральные микросхемы: Микросхемы для телефонии. Выпуск 1 - М.:ДОДЭКА, 1994г.,256 с. - ISBN-5-87835-003-3
Отечественные микросхемы и зарубежные аналоги Справочник. Перельман Б.Л.,Шевелев В.И. "НТЦ Микротех", 1998г.,376 с. - ISBN-5-85823-006-7
| Навигатор: QRZ.RU > Радиолюбительская справочники > Справочник по отечественным микросхемам |