Что-то не так?
Пожалуйста, отключите Adblock.
Портал QRZ.RU существует только за счет рекламы, поэтому мы были бы Вам благодарны если Вы внесете сайт в список исключений. Мы стараемся размещать только релевантную рекламу, которая будет интересна не только рекламодателям, но и нашим читателям. Отключив Adblock, вы поможете не только нам, но и себе. Спасибо.
Как добавить наш сайт в исключения AdBlockРеклама
КР1008ВЖ5 - импульсный номеронабиратель
| Навигатор: QRZ.RU > Радиолюбительская справочники > Справочник по отечественным микросхемам |
Корпус КР1008ВЖ5
Назначение выводов КР1008ВЖ5
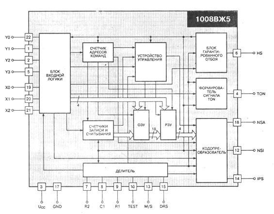
Структурная схема КР1008ВЖ5
Описание работы КР1008ВЖ5
Алгоритм работы КР1008ВЖ5
Временные диаграммы КР1008ВЖ5
Типовые рабочие характеристики КР1008ВЖ5
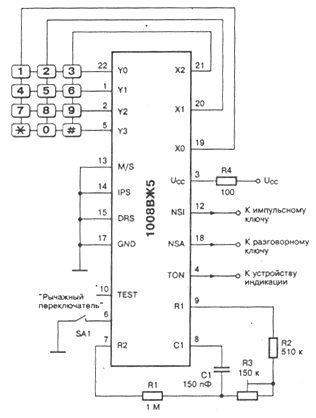
Схема применения КР1008ВЖ5
Электрические параметры
Предельно допустимые режимы эксплуатации
Зарубежные аналоги
Литература
Микросхема КР1008ВЖ5 - предназначена для приема, обработки и запоминания информации с клавиатуры, создания управляющих импульсов для телефонных аппаратов с кнопочным номеронабирателем тональным и импульсным способом набора номера. Имеет возможность набора номера любой значности, увеличения межсерийной паузы, хранения последнего набранного номера. Выполнена по КМОП-технологии. Корпус типа 2108.22-13.
Корпус КР1008ВЖ5
Назначение выводов КР1008ВЖ5
Структурная схема КР1008ВЖ5
Описание работы КР1008ВЖ5
Вывод TEST используется в процессе производства микросхемы для перевода в режим тестирования.
Ввод информации при нажатии кнопок производится через блок входной логики. Здесь же формируется управляющее напряжение, соответствующее нажатой кнопке. Команды управления при каждом нажатии формируются в счетчике адресов команд. Устройство управления обеспечивает коммутацию управляющих команд в зависимости от последовательности нажатия кнопок. Счетчики записи и считывания предназначенны для опроса ячеек ОЗУ и РЗУ при записи и считывании информации. Синхронную работу всех узлов в целом обеспечивает делитель, формируя сигналы с нужными временными характеристиками. Блок гарантированного отбоя предназначен для формирования сигнала "отбой", в течении времени, необходимого для надежного срабатывания АТС. Формирователь сигнала TON формирует пачку импульсов частотой 1300 ГЦ и длительностью 24-36 мс на выходе TON, при нажатии кнопки клавиатуры для организации звукового или визуального подтверждения нажатия. Этот вывод имеет открытый сток n-канального транзистора. Кодопреобразователь вырабатывает напряжение необходимой формы и последовательности для управления ключами коммутирующими телефонную линию.
Программирование некоторых параметровпри частоте задающего генератора FC=5,2 кГц
(максимальная частота задающего генератора 50 кГц)
| Параметры набора номера | Значение | Вывод 13 (M/S) | Вывод 14 (IPS) | Вывод 15 (DRS) |
|---|---|---|---|---|
| Импульсный коэффициент |
1.5 | лог. "0" | - | - |
| Импульсный коэффициент |
1.6 | лог. "1" | - | - |
| Длительность межцифровой паузы |
7T | - | лог. "0" | - |
| Длительность межцифровой паузы |
8T | - | лог. "1" | - |
| Частота импульсов кодовой посылки |
10 Гц | - | - | лог. "0" |
| Частота импульсов кодовой посылки |
20 Гц | - | - | лог. "1" |
Алгоритм работы КР1008ВЖ5
Временные диаграммы КР1008ВЖ5
Типовые рабочие характеристики
Схема применения
Электрические параметры при Т=25 ° C
| 1 | Входной ток низкого уровня (IIL1)     при UCC=4,4 В на выводах 7,13,14,15 |
  |
| 2 | Входной ток высокого уровня (IIH1)     при UCC=4,4 В на выводах 1,2,5,6,7,10,13,14,15,22 |
  |
| 3 | Входной ток низкого уровня (IIL2)     при UCC=4,4 В на выводах 1,2,5,6,10,22 |
  |
| 4 | Выходной ток высокого уровня (IOH)     при UCC=4,4 В, RL=8,75 кОм на выводе 4 |
  |
| 5 | Выходное напряжение низкого уровня (UOL) при UCC=2,4 В, UIH=2,1 В, UIL=0,3 В, IOL=0,2 мА на выводах 4,12,18 (для 1008ВЖ5Б UCC=2,7 В, UIH=2,4 В) |
  |
| 6 | Выходное напряжение высокого уровня (UOH) при UCC=2,4 В, UIH=2,1 В, UIL=0,3 В, IOH=0,2 мА на выводах 12,18 (для 1008ВЖ5Б UCC=2,7 В, UIH=2,4 В) |
  |
| 7 | Ток потребления (ICC) при UCC=4,4 В, UIL=0,3 В, UIH=4,1 В на выводе 3 | |
| 8 | Средний ток потребления в динамическом режиме(ICCAV) при UCC=4,4 В, UIL=0,3 В, UIH=4,1 В, FC=5,2 кГц на выводе 3 |
|
| 9 | Максимальная потребляемая мощность(POC max) при UCC=4,4 В, FC=8,75 кОм, FC=5,2 кГц на выводе 3 |
Предельно допустимые режимы эксплуатации
| 1 | Напряжение питания 1008ВЖ5А UCC Напряжение питания 1008ВЖ5Б UCC |
2,4...4,4 В 2,7...4,4 В |
| 2 | Входное напряжение высокого уровня UIH | UCC-0,7...UCC+0,3 В |
| 3 | Входное напряжение низкого уровня UIL | -0,3...0,7 В |
| 4 | Предельная температура среды TA max | -45...70 ° C |
| 5 | Выходной ток низкого уровня IOL на выводах 4,12,18 | |
| 6 | Выходной ток высокого уровня IOH на выводах 12,18 | |
| 7 | Допустимое значение электростатического потенциала | не более 200 В |
| 8 | Длительность переходного процесса при замыкании кнопок | не более 15 мс |
| 9 | Частота ввода цифр с клавиатуры | не более 10 Гц |
Зарубежные аналоги
Прототипом КР1008ВЖ5 является S25610
Литература
Интегральные микросхемы: Микросхемы для телефонии. Выпуск 1 - М.:ДОДЭКА, 1994г.,256 с. - ISBN-5-87835-003-3
Отечественные микросхемы и зарубежные аналоги Справочник. Перельман Б.Л.,Шевелев В.И. "НТЦ Микротех", 1998г.,376 с. - ISBN-5-85823-006-7
| Навигатор: QRZ.RU > Радиолюбительская справочники > Справочник по отечественным микросхемам |