Что-то не так?
Пожалуйста, отключите Adblock.
Портал QRZ.RU существует только за счет рекламы, поэтому мы были бы Вам благодарны если Вы внесете сайт в список исключений. Мы стараемся размещать только релевантную рекламу, которая будет интересна не только рекламодателям, но и нашим читателям. Отключив Adblock, вы поможете не только нам, но и себе. Спасибо.
Как добавить наш сайт в исключения AdBlockРеклама
КР1016БР1 - дискретно-аналоговая линия задержки с шестью промежуточными выходами
| Навигатор: QRZ.RU > Радиолюбительская справочники > Справочник по отечественным микросхемам |
Корпус КР1016БР1
Условное графическое обозначение КР1016БР1
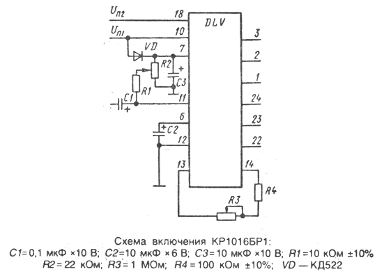
Схема включения
Электрические параметры
Предельно допустимые режимы эксплуатации
Зарубежные аналоги
Литература
Микросхема представляет собой дискретно-аналоговую линию задержки с шестью промежуточными выводами, обеспечивающими задержку на 196, 331, 597, 863, 1395, 1664 периода тактовой частоты и предназначены для обработки сигналов в звукозаписывающей аппаратуре и электромузыкальных инструментах для создания звуковых эффектов и улучшения качества звучания. Содержит встроенный генератор тактовых сигналов, чем отличается от зарубежного аналога. Содержит 10000 интегральных элементов. Корпус типа 2120.24-3, масса не более 6 г.
Корпус КР1016БР1
Условное графическое обозначение
|
        1 - выход 3 (597Tc);         2 - выход 2 (331Tc);         3 - выход 1 (198Tc);         4,5,8,9,15...17,19...21 - свободные;         6 - напряжение смещения;         7 - напряжение экрана;         10 - напряжение питания Uп1;         11 - вход;         12 - общий;         13 - вход генератора;         14 - выход генератора;         18 - напряжение питания Uп2;         22 - выход 6 (1664Tc);         23 - выход 5 (1395Tc);         24 - выход 4 (863Tc); |
Электрические параметры
| 1 | Номинальное напряжение питания     Uп1     Uп2 |
  9 В 15 В |
| 2 | Выходное напряжение низкого уровня тактового генератора | не более 0,4 В |
| 3 | Выходное напряжение высокого уровня тактового генератора | не менее 1,3 В |
| 4 | Ток потребления     от источника питания Uп1     от источника питания Uп2 |
  не более 3,5 мА не более 1,5 мА |
| 5 | Потребляемая мощность | не более 40 мВт |
| 6 | Коэффициент ослабления на верхней граничной частоте | не менее 0,4 |
| 7 | Коэффициент усиления напряжения     при fc=40кГц     при fc=10кГц     при fc=100кГц |
  0,8...1,2 0,5...1,2 0,8...1,2 |
| 8 | Коэффициент гармоник | не более 2,5% |
| 9 | Приведенное ко входу напряжение шумов | не более 1500 мкВ |
| 10 | Динамический диапазон | не менее 62 дБ |
| 11 | Время задержки | 1,98...166,4 мс |
Предельно допустимые режимы эксплуатации
| 1 | Напряжение питания     Uп1     Uп2 |
  8,1...9,9 В 13,5...16,5 В |
| 2 | Максимальное входное напряжение | 1 В |
| 3 | Входное напряжение низкого уровня тактового генератора | -0,1...+0,4 В |
| 4 | Входное напряжение высокого уровня тактового генератора | 1,3...Uп В |
| 5 | Частота следования импульсов тактовых сигналов | 10...100 кГц |
| 6 | Минимальное сопротивление нагрузки | 100 кОм |
| 7 | Максимальная емкость нагрузки | 250 пФ |
| 8 | Температура окружающей среды | -10...+70 ° C |
Зарубежные аналоги
Прототипом КР1016БР1 являетсяMN3011
Литература
Интегральные микросхемы и их зарубежные аналоги: Справочник. Том 7./А. В. Нефедов. - М.:ИП РадиоСофт, 1998г. - 640с.:ил.
Отечественные микросхемы и зарубежные аналоги Справочник. Перельман Б.Л.,Шевелев В.И. "НТЦ Микротех", 1998г.,376 с. - ISBN-5-85823-006-7
| Навигатор: QRZ.RU > Радиолюбительская справочники > Справочник по отечественным микросхемам |