Что-то не так?
Пожалуйста, отключите Adblock.
Портал QRZ.RU существует только за счет рекламы, поэтому мы были бы Вам благодарны если Вы внесете сайт в список исключений. Мы стараемся размещать только релевантную рекламу, которая будет интересна не только рекламодателям, но и нашим читателям. Отключив Adblock, вы поможете не только нам, но и себе. Спасибо.
Как добавить наш сайт в исключения AdBlockРеклама
КФ1032УД1 - низковольтовая схема состоящая из двух ОУ и двух компараторов, имеющих общую цепь управления.
| Навигатор: QRZ.RU > Радиолюбительская справочники > Справочник по отечественным микросхемам |
Корпус КФ1032УД1
Условное графическое обозначение
Функциональная схема
Электрические параметры
Предельно допустимые режимы эксплуатации
Зарубежные аналоги
Литература
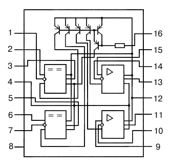
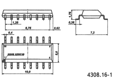
Микросхема представляет собой многоканальную низковольтовую схему, состоящую из двух операционных усилителей и двух компараторов, имеющих общую цепь управления. Предназначена для систем экспонометрии и автоматики кинофотоаппаратуры. Корпус типа 4308.16-1, масса не более 1 г.
Корпус КФ1032УД1
|
Условное графическое обозначение
|
Назначение выводов: 1,7,10,14 - входы инверсные 2,6,9,15 - входы неинверсные 3,5,11,13 - выходы 4 - напряжение питания -Uп 8 - свободный; 12 - напряжение питания +Uп 16 - ток управления; |
Электрические параметры
| 1 | Напряжение питания |
|
| 2 | Напряжение смещения нуля | не более 5 мВ |
| 3 | Выходное напряжение ОУ | не менее (2|Uп|-1,7) В |
| 4 | Остаточное напряжение на выходе компаратора | не более 0,4 В |
| 5 | Ток потребления | не более 1,2 мА |
| 6 | Входной ток | не более 50 нА |
| 7 | Разность входных токов | не более 20 нА |
| 8 | Коэффициент усиления напряжения | не менее 25000 |
| 9 | Частота единичного усиления ОУ | не менее 1 МГц |
| 10 | Коэффициент ослабления синфазных входных напряжений ОУ | не менее 70 дБ |
Предельно допустимые режимы эксплуатации
| 1 | Синфазные входные напряжения ОУ | -Uп...0,1 В |
| 2 | Ток управления | 2...20 мкА |
| 3 | Максимальный ток нагрузки компаратора | 20 мА |
| 4 | Максимальный ток нагрузки ОУ | 0,5 мА |
| 5 | Температура окружающей среды | -10...+70 ° C |
Зарубежные аналоги
TAB1042
Литература
Интегральные микросхемы и их зарубежные аналоги: Справочник. Том 7./А. В. Нефедов. - М.:ИП РадиоСофт, 1998г. - 640с.:ил.
Отечественные микросхемы и зарубежные аналоги Справочник. Перельман Б.Л.,Шевелев В.И. "НТЦ Микротех", 1998г.,376 с. - ISBN-5-85823-006-7
| Навигатор: QRZ.RU > Радиолюбительская справочники > Справочник по отечественным микросхемам |