LAB599.RU — интернет-магазин средств связи
EN FR DE CN JP
QRZ.RU > Технические справочники > Справочник по отечественным микросхемам. > Параметры интегральных микросхем 1113 серии > К1113ПВ1(A-B), 1113ПВ1(A-B) - Функционально законченный 10-разрядный АЦП сопрягаемый с микропроцессорами

К1113ПВ1(A-B), 1113ПВ1(A-B) - Функционально законченный 10-разрядный АЦП сопрягаемый с микропроцессорами

Навигатор: QRZ.RU > Радиолюбительская справочники > Справочник по отечественным микросхемам

Общее описание
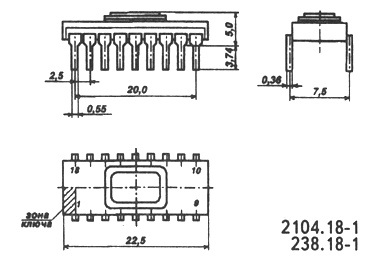
Корпус микросхем К1113ПВ1(A-B), 1113ПВ1(A-B)
Условное графическое обозначение
Функциональная схема
Электрические параметры
Предельно допустимые режимы эксплуатации
Рекомендации по применению
Зарубежные аналоги
Литература


Общее описание

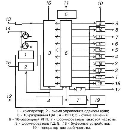
Микросхемы представляют собой функционально законченный 10-разрядный АЦП, сопрягаемый с микропроцессором. Обеспечивает преобразование как однополярного напряжения (вывод 15 соединяется с выводом 16) в диапазоне 0...9,95 В, так и биполярного напряжения в диапазоне -4,975...+4,975 В в параллельный доичный код. В состав ИС входят ЦАП, компаратор напряжения регистр последовательного приближения (РПП), источник опорного напряжения (ИОН), генератор тактовых импульсов (ГТИ), выходной буферный регистр с тремя состояниями, схемы управления. Выходные каскады с тремя состояниями позволяют считывать результат преобразования непосредственно на шину данных микропроцессора. По уровням входных и выходных логических сигналов сопрягаются с ТТЛ схемами. В ИС выходной ток ЦАП сравнивается с током входного резистора от источника сигнала и формируется логический сигнал РПП. Стабилизация разрядных токов ЦАП осуществляется встроенным ИОН. Тактирование РПП обеспечивается импульсами встроенного ГТИ с частотой следования 300...400 кГц. Установка РПП в исходное состояние и запуск его в режим преобразования производится по внешнему сигналу "гашение и преобразование". По окончанию преобразования АЦП вырабатывает сигнал "готовность данных" и информация из РПП поступает на цифровые входы через каскады с тремя состояниями.Корпус К1113ПВ1(A-B) типа 2104.18-1, масса не более 2,5 г, 1113ПВ1(A-B) типа 238.18-1, масса не более 2,5 г.



Корпус К1113ПВ1(A-B), 1113ПВ1(A-B)

238.18-1 package view
Условное графическое обозначение

Условное графическое обозначение Назначение выводов:
1 - девятый разряд;
2 - восьмой разряд;
3 - седьмой разряд;
4 - шестой разряд;
5 - пятый разряд;
6 - четвертый разряд;
7 - третий разряд;
8 - второй разряд;
9 - первый разряд;
10 - напряжение питания Uп1;
11 - гашение и преобразование;
12 - напряжение питания -Uп2;
13 - вход аналоговый;
14 - аналоговая "земля";
15 - управление сдвигом нуля;
16 - цифровая "земля";
17 - готовность данных;
18 - десятый разряд (младший);


Функциональная схема

Функциональная схема

Электрические параметры

1 Номинальное напряжение питания
    Uп1
    Uп2
 
5 В plus minus 5 %
-15 В plus minus 5 %
2 Выходное напряжение низкого уровня не более 0,4 В
3 Выходное напряжение высокого уровня не менее 2,4 В
4 Напряжение смещения нуля в однополярном и биполярном режимах от полной шкалы plus minus 0,3%
5 Ток потребления
    от источника питания Uп1
    от источника питания Uп2
 
не более 10 мА
не более 18 мА
6 Входной ток высокого (низкого) уровня plus minus 40 мкА
7 Ток утечки на выходе plus minus 40 мкА
8 Время преобразования не более 30 мкс
9 Нелинейность от полной шкалы
    1113ПВ1А
    1113ПВ1Б
    1113ПВ1В
    К1113ПВ1А
    К1113ПВ1Б
    К1113ПВ1В
 
plus minus 0,075%
plus minus 0,2%
plus minus 0,075%
plus minus 0,1%
plus minus 0,2%
plus minus 0,4%
10 Абсолютная погрешность преобразования в конечной точке шкалы от полной шкалы plus minus 0,4%


Предельно допустимые режимы эксплуатации

1 Напряжение питания
    Uп1
    Uп2
 
4,75...5,25 В
-15,75...-14,25 В
2 Диапазон входного напряжения
    однополярного
    биполярного
 
-0,5...+10,5 В
-5,5...+5,5 В
3 Входное напряжение
    высокого уровня
    низкого уровня
 
2...4,5 В
0...0,6 В
4 Выходной ток
    высокого уровня
    низкого уровня
 
0...0,5 мА
0...3,2 мА
5 Температура окружающей среды
    К1113ПВ1(A-B)
    1113ПВ1(A,Б)
    1113ПВ1В
 
-10...+70 ° C
-45...+85 ° C
-60...+125 ° C


Рекомендации по применению

Допустимое значение статического потенциала 100 В. Температура пайки 235 plus minus 5 ° C, расстояние от корпуса до места пайки 1,5 мм, продолжительность пайки 2 plus minus 0,5 с.



Зарубежные аналоги

AD571S, AD571K



Литература

Интегральные микросхемы и их зарубежные аналоги: Справочник. Том 8./А. В. Нефедов. - М.:ИП РадиоСофт, 1998г. - 640с.:ил.

Отечественные микросхемы и зарубежные аналоги Справочник. Перельман Б.Л.,Шевелев В.И. "НТЦ Микротех", 1998г.,376 с. - ISBN-5-85823-006-7



Навигатор: QRZ.RU > Радиолюбительская справочники > Справочник по отечественным микросхемам

Партнеры