LAB599.RU — интернет-магазин средств связи
EN FR DE CN JP

Параметры интегральных микросхем К140УД1А-К140УД1В , КР140УД1А-КР140УД1В

Навигатор: QRZ.RU > Радиолюбительская справочники > Справочник по отечественным микросхемам

Корпус К140УД1
Корпус КР140УД1
Условное графическое обозначение К140УД1
Электрическая схема КР140УД1 (К140УД1)
Электрические параметры
Предельно допустимые режимы эксплуатации
Рекомендации по применению
Зарубежные аналоги
Литература


Микросхемы представляют собой операционые усилители средней точности без частотной коррекции. Корпус К140УД1 (А-В) типа 301.12-1, масса не более 1,5 г., КР140УД1 (А-В) типа 201.14-1 масса не более 1,5 г.



Корпус К140УД1

301.12-1 package view
Корпус КР140УД1

201.14-1.gif package view
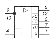
Условное графическое обозначение

К140УД1

условное графическое обозначение
1 - напряжение питания -Uп;
2,3,12 - контроль;
4 - общий;
5 - выход;
7 - напряжение питания +Uп;
9 - вход инвертирующий;
10 - вход неинвертирующий;
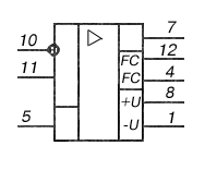
КР140УД1

условное графическое обозначение
1 - напряжение питания -Uп;
2,4,14 - контроль;
5 - общий;
7 - выход;
8 - напряжение питания +Uп;
10 - вход инвертирующий;
11 - вход неинвертирующий;
Электрическая схема КР140УД1 (К140УД1)

схема электрическая

Электрические параметры

1 Напряжение питания
    К140УД1А, КР140УД1А
    К140УД1(Б,В), КР140УД1(Б,В)
 
plus minus 6,3 В plus minus 0,5%
plus minus 12,6 В plus minus 0,5%
2 Максимальное выходное напряжение
при Uп= plus minus 6,3 В, Rн=5,05 кОм, Uвх= plus minus 0,1 В
    К140УД1А
    КР140УД1А
 
 
plus minus 2,8 В
+3; -2,7 В
3 Максимальное выходное напряжение
при Uп= plus minus 12,6 В, Rн=5,05 кОм, Uвх= plus minus 0,1 В
    К140УД1Б,В, КР140УД1Б,В
 
 
+6; -5,7 В
4 Напряжение смещения нуля
при Uп= plus minus 6,3 В, Rн=5,05 кОм
    К140УД1А, КР140УД1А
при Uп= plus minus 12,6 В, Rн=5,05 кОм
    К140УД1Б,В, КР140УД1Б
    КР140УД1В
 
 
plus minus 7 мВ
 
plus minus 7 мВ
plus minus 5 мВ
5 Ток потребления
    К140УД1А, КР140УД1А
    К140УД1(Б,В), КР140УД1(Б,В)
 
не более 4,5 мА
не более 10 мА
6 Входной ток
при Uп= plus minus 6,3 В, Rн=5,05 кОм
    К140УД1А, КР140УД1А
при Uп= plus minus 12,6 В, Rн=5,05 кОм
    КР140УД1Б
    К140УД1 (Б,В) КР140УД1В
 
 
plus minus 7 мкА
 
plus minus 7,5 мкА
plus minus 9 мкА
7 Разность входных токов не более 2,5 мкА
8 Коэффициент усиления напряжения
при Uп= plus minus 6,3 В, Rн=5,05 кОм
    К140УД1А, КР140УД1А
при Uп= plus minus 12,6 В, Rн=5,05 кОм
    К140УД1Б
    КР140УД1Б
    К140УД1В, КР140УД1В
 
 
500...4500
 
1350...12000
2000...12000
не менее 8000
9 Коэффициент ослабления синфазного входного напряжения не менее 60 дБ
10 Средний температурный коэффициент напряжения смещения не более 60 мкВ/ ° C
11 Максимальная скорость нарастания выходного напряжения
    К140УД1А
    К140УД1(Б,В)
    КР140УД1А
    КР140УД1(Б,В)
 
не менее 1 В/мкс
не менее 3,5 В/мкс
не менее 0,2 В/мкс
не менее 0,1 В/мкс
12 Время установления выходного напряжения не более 1,5 мкс
13 Входное сопротивление
    К140УД1А, КР140УД1А
    К140УД1(Б,В), КР140УД1(Б,В)
 
50 кОм
30 кОм
14 Выходное сопротивление 300 Ом
15 Частота единичного усиления 0,1 МГц


Предельно допустимые режимы эксплуатации

1 Напряжение питания
    К140УД1А, КР140УД1А
    К140УД1(Б,В), КР140УД1(Б,В)
 
plus minus 6,6 В
plus minus 13,2 В
2 Температура окружающей среды
    К140УД1
    КР140УД1
-45...+85 ° C
-45...+70 ° C


Рекомендации по применению

При одновременной подаче на входы ИС синфазного и дифференциального входных напряжений потенциал на каждом входе не должен превышать 1,5 и 3 В для К140УД1А, КР140УД1А; 3 и 6 для К140УД1(Б,В), КР140УД1(Б,В).



Зарубежные аналоги

µ A702HC, µ A702PC



Литература

Интегральные микросхемы и их зарубежные аналоги: Справочник. Том 7./А. В. Нефедов. - М.:ИП РадиоСофт, 1999г. - 640с.:ил.

Отечественные микросхемы и зарубежные аналоги Справочник. Перельман Б.Л.,Шевелев В.И. "НТЦ Микротех", 1998г.,376 с. - ISBN-5-85823-006-7

Интегральные микросхемы Справочник. Тарабрин Б.В.,Лунин Л.Ф.,Смирнов Ю.Н. "Радио и связь", 1983 г.,528 с. - ББК 32.844.1 И73



Навигатор: QRZ.RU > Радиолюбительская справочники > Справочник по отечественным микросхемам

Партнеры