Что-то не так?
Пожалуйста, отключите Adblock.
Портал QRZ.RU существует только за счет рекламы, поэтому мы были бы Вам благодарны если Вы внесете сайт в список исключений. Мы стараемся размещать только релевантную рекламу, которая будет интересна не только рекламодателям, но и нашим читателям. Отключив Adblock, вы поможете не только нам, но и себе. Спасибо.
Как добавить наш сайт в исключения AdBlockРеклама
К140УД11 - быстродействующий операционный усилитель
| Навигатор: QRZ.RU > Радиолюбительская справочники > Справочник по отечественным микросхемам |
Корпус К140УД11
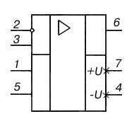
Условное графическое обозначение
Электрические параметры
Предельно допустимые режимы эксплуатации
Рекомендации по применению
Зарубежные аналоги
Литература
Микросхема представляет собой быстродействующий операционый усилитель, имеющий защиту от превышения напряжения по входу и схему защиты выхода от короткого замыкания, с внутренней частотной коррекцией. Корпус К140УД11 типа 301.8-2, масса не более 1,5 г.
Корпус К140УД11
|
|
Условное графическое обозначение |
|
|
Назначение выводов: 1,5,8 - коррекция; 2 - вход инвертирующий; 3 - вход неинвертирующий; 4 - напряжение питания -Uп; 6 - выход; 7 - напряжение питания +Uп; |
| 1 | Напряжение питания |
|
| 2 | Максимальное выходное напряжение при Uп= |
|
| 3 | Напряжение смещения нуля при Uп=
|
10 мВ |
| 4 | Входной ток при Uп=
|
не более 500 нА |
| 5 | Разность входных токов при Uп=
|
не более 200 нА |
| 6 | Ток потребления при Uп=
|
не более 10 мА |
| 7 | Коэффициент усиления напряжения | не менее 25000 |
| 8 | Скорость нарастания выходного напряжения при Uп=
|
(20...50) В/мкс |
| 9 | Коэффициент ослабления синфазных входных напряжений при Uп=
|
не менее 70 дБ |
Предельно допустимые режимы эксплуатации
| 1 | Напряжение питания (с учетом пульсаций) |
|
| 2 | Входное синфазное напряжение | не более
|
| 3 | Температура окружающей среды | -10...+70 ° C |
Рекомендации по применению
Для обеспечения устойчивой работы ИС необходимо включить корректирующие цепи. Длина проводника от корпуса ИС до конденсаторов или резисторов, используемых для частотной коррекции и шунтирующих источник питания, не более 50 мм.
Зарубежные аналоги
LM318H
Литература
Интегральные микросхемы и их зарубежные аналоги: Справочник. Том 7./А. В. Нефедов. - М.:ИП РадиоСофт, 1999г. - 640с.:ил.
Отечественные микросхемы и зарубежные аналоги Справочник. Перельман Б.Л.,Шевелев В.И. "НТЦ Микротех", 1998г.,376 с. - ISBN-5-85823-006-7
| Навигатор: QRZ.RU > Радиолюбительская справочники > Справочник по отечественным микросхемам |