LAB599.RU — интернет-магазин средств связи
EN FR DE CN JP

К140УД12, КР140УД12, КР140УД1208 - микромощные операционные усилители

Навигатор: QRZ.RU > Радиолюбительская справочники > Справочник по отечественным микросхемам

Корпус К140УД12
Корпус КР140УД12
Корпус КР140УД1208
Условное графическое обозначение
Типовая схема включения
Схема внешней балансировки
Электрические параметры
Предельно допустимые режимы эксплуатации
Зарубежные аналоги
Литература


Микросхемы представляют собой микромощные многофункциональные операционые усилители с регулируемым потреблением тока, с внутренней частотной коррекцией и защитой выхода от короткого замыкания. Корпус К140УД12 типа 301.8-2, КР140УД1208 типа 2101.8-1, КР140УД12 типа 201.14-1.



Корпус К140УД12

301.8-2 package view
Корпус КР140УД12

201.14-1.gif package view
Корпус КР140УД1208

2101.8-1.gif package view
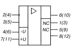
Условное графическое обозначение

условное графическое обозначение
Назначение выводов КР140УД12:
3,9 - балансировка;
4 - вход инвертирующий;
5 - вход неинвертирующий;
6 - напряжение питания -Uп;
10 - выход;
11 - напряжение питания +Uп;
12 - задающий ток;
Назначение выводов К140УД12, КР140УД1208:
1,5 - балансировка;
2 - вход инвертирующий;
3 - вход неинвертирующий;
4 - напряжение питания -Uп;
6 - выход;
7 - напряжение питания +Uп;
8 - задающий ток;
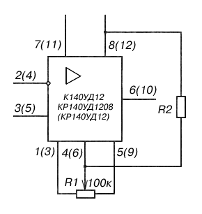
Типовая схема включения

схема включения
Схема внешней балансировки

схема балансировки


Электрические параметры

1 Напряжение питания plus minus 15 В
2 Максимальное выходное напряжение
при Uп= plus minus 15 В, Rн = 75 кОм, Uвх= plus minus 0,1 В
не менее plus minus 10 В
3 Напряжение смещения нуля при Uп= plus minus 15 В, Rн= 75 кОм не более plus minus 6 мВ
4 Входной ток
при Uп= plus minus 15 В, Rн= 75 кОм, Iд= 1,5 мкА
при Uп= plus minus 15 В, Rн= 75 кОм, Iд= 15 мкА
 
не более 30 мкА
не более 190 мкА
5 Разность входных токов при Uп= plus minus 15 В, Rн= 75 кОм не более 6 нА
6 Ток потребления при Uп= plus minus 15 В, Rн= 75 кОм, Iд= 1,5 мкА
при Uп= plus minus 15 В, Rн= 75 кОм, Iд= 15 мкА
 
не более 30 мкА
не более 190 мкА
7 Коэффициент усиления напряжения
    при Uп= plus minus 15 В, Rн= 75 кОм
    при Uп= plus minus 3 В, Rн= 75 кОм
 
не менее 50000
не менее 25000
8 Максимальная скорость нарастания выходного напряжения
    при Uп= plus minus 15 В, Iд= 1,5 мкА, Rн= 75 кОм
    при Uп= plus minus 15 В, Iд= 15 мкА, Rн= 5 кОм
 
не менее 0,01 В/мкс
не менее 0,1 В/мкс
9 Коэффициент ослабления синфазных входных напряжений при Uп= plus minus 15 В, Rн= 75 кОм не менее 70 дБ
10 Средний температурный дрейф напряжения смещения
    при Uп= plus minus 15 В, Iд= 1,5 мкА
    при Uп= plus minus 3 В, Iд= 15 мкА
 
7 мкВ/ ° C
3 мкВ/ ° C


Предельно допустимые режимы эксплуатации

1 Напряжение питания plus minus (3...16,5) В
2 Входное синфазное напряжение не более plus minus 10 В
3 Входное дифференциальное напряжение plus minus 20 В
4 Сопротивление нагрузки не менее 5 кОм
5 Емкость нагрузки не более 100 пФ
6 Температура окружающей среды -60...+85 ° C


Зарубежные аналоги

µ A776HC, µ A776PC



Литература

Интегральные микросхемы и их зарубежные аналоги: Справочник. Том 7./А. В. Нефедов. - М.:ИП РадиоСофт, 1999г. - 640с.:ил.

Отечественные микросхемы и зарубежные аналоги Справочник. Перельман Б.Л.,Шевелев В.И. "НТЦ Микротех", 1998г.,376 с. - ISBN-5-85823-006-7



Навигатор: QRZ.RU > Радиолюбительская справочники > Справочник по отечественным микросхемам

Партнеры