Что-то не так?
Пожалуйста, отключите Adblock.
Портал QRZ.RU существует только за счет рекламы, поэтому мы были бы Вам благодарны если Вы внесете сайт в список исключений. Мы стараемся размещать только релевантную рекламу, которая будет интересна не только рекламодателям, но и нашим читателям. Отключив Adblock, вы поможете не только нам, но и себе. Спасибо.
Как добавить наш сайт в исключения AdBlockРеклама
К140УД13 - прецизионный усилитель постоянного тока
| Навигатор: QRZ.RU > Радиолюбительская справочники > Справочник по отечественным микросхемам |
Корпус К140УД13
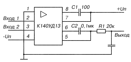
Типовая схема включения
Электрические параметры
Предельно допустимые режимы эксплуатации
Зарубежные аналоги
Литература
Микросхема представляет собой прецизионный предварительный усилитель постоянного тока с дифференциальными входами, построенный по схеме модулятор-демодулятор (МДМ). Корпус К140УД13 типа 301.8-2, масса не более 1,5 г.
Корпус К140УД13
|
|
Типовая схема включения |
|
|
Назначение выводов: 1 - общий; 2 - вход инвертирующий; 3 - вход неинвертирующий; 4 - напряжение питания -Uп; 5 - демодулятор; 6 - выход; 7 - напряжение питания +Uп; 8 - емкость генератора; |
| 1 | Напряжение питания |
|
| 2 | Максимальное выходное напряжение |
не менее
|
| 3 | Напряжение смещения нуля | не более 50 мкВ |
| 4 | Входной ток | не более 0,5 нА |
| 5 | Разность входных токов | не более 0,2 нА |
| 6 | Ток потребления | не более 2 мА |
| 7 | Коэффициент усиления напряжения | не менее 10 |
| 9 | Коэффициент ослабления синфазных входных напряжений | не менее 90 дБ |
Предельно допустимые режимы эксплуатации
| 1 | Напряжение питания |
|
| 2 | Входное синфазное напряжение | не более
|
| 3 | Температура окружающей среды | -10...+70 ° C |
Зарубежные аналоги
µ A727M
Литература
Интегральные микросхемы и их зарубежные аналоги: Справочник. Том 7./А. В. Нефедов. - М.:ИП РадиоСофт, 1999г. - 640с.:ил.
Отечественные микросхемы и зарубежные аналоги Справочник. Перельман Б.Л.,Шевелев В.И. "НТЦ Микротех", 1998г.,376 с. - ISBN-5-85823-006-7
| Навигатор: QRZ.RU > Радиолюбительская справочники > Справочник по отечественным микросхемам |