Что-то не так?
Пожалуйста, отключите Adblock.
Портал QRZ.RU существует только за счет рекламы, поэтому мы были бы Вам благодарны если Вы внесете сайт в список исключений. Мы стараемся размещать только релевантную рекламу, которая будет интересна не только рекламодателям, но и нашим читателям. Отключив Adblock, вы поможете не только нам, но и себе. Спасибо.
Как добавить наш сайт в исключения AdBlockРеклама
К140УД20(А,Б), 140УД20(А,Б), КР140УД20(А,Б), КМ140УД20, Н140УД20(А,Б), КБ140УД20-4 - двухканальные операционные усилители (140УД7 x 2)
Корпус КР140УД20
Корпус 140УД20, К140УД20, КМ140УД20
Корпус Н140УД20
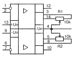
Цоколевка корпусов
Схема электрическая
Типовые рабочие характеристики
Схема включения
Электрические параметры
Предельно допустимые режимы эксплуатации
Зарубежные аналоги
Литература
140УД20 - сдвоенный операционный усилитель (140УД7 x 2). Корпус КР140УД20 типа 201.14-1, 140УД20, К140УД20, КМ140УД20 - типа 201.14-10, Н140УД20 - типа Н04.16-2В, КБ140УД20-4 - бескорпусный ОУ.
Корпус КР140УД20 |
Цоколевка корпусов
Электрическая схема
Типовые рабочие характеристики

Схема включения
Электрические параметры при Uп=
15 В, Rн= 2к, Т=25 ° C
Предельно допустимые режимы эксплуатации
Операционные усилители Справочник. том 1 М.,"Физматлит", 1993 г.,240 с. - ISBN 5-02-015113-0
| Навигатор: QRZ.RU > Радиолюбительская справочники > Справочник по отечественным микросхемам |