LAB599.RU — интернет-магазин средств связи
EN FR DE CN JP
QRZ.RU > Технические справочники > Справочник по отечественным микросхемам. > Параметры интегральных микросхем 140 серии > К140УД23, К140УД23А - операционный усилитель с хорошо согласованной парой полевых транзисторов на входе.

К140УД23, К140УД23А - операционный усилитель с хорошо согласованной парой полевых транзисторов на входе.

Навигатор: QRZ.RU > Радиолюбительская справочники > Справочник по отечественным микросхемам

Корпус К140УД23
Цоколевка корпуса
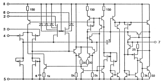
Схема электрическая
Типовые рабочие характеристики
Схемы включения
Электрические параметры
Предельно допустимые режимы эксплуатации
Зарубежные аналоги
Литература


140УД23 - операционный усилитель с хорошо согласованной парой полевых транзисторов на входе, внутренней частотной коррекцией и высокой скоростью нарастания выходного напряжения. Корпус К140УД23 типа 3101.8-1.



Корпус К140УД23

3101.8-1.gif package view


Цоколевка корпуса

цоколевка корпусов

Электрическая схема электрическая схема

Типовые рабочие характеристики

типовые рабочие характеристики

Схемы включения

схема включения

Электрические параметры при Uп= plus minus 15 В, Rн= 2к, Т=25 ° C

1 Напряжение питания plus minus 15 В plus minus 10%
2 Максимальное выходное напряжение не менее plus minus 11 В
3 Напряжение смещения нуля не более 10 мВ
4 Входной ток не более 0,2 нА
5 Ток потребления не более 10 мА
6 Разность входных токов не более 0,05 нА
7 Коэффициент усиления напряжения не менее 25000
8 Коэффициент ослабления синфазных входных напряжений не менее 80 дБ
9 Синфазное входное напряжение не менее plus minus 10 В
10 Коэффициент влияния нестабильности источников питания на напряжение смещения не менее 80 дБ
11 Скорость нарастания выходного напряжения не менее 30 В/мкс


Предельно допустимые режимы эксплуатации

1 Напряжение питания plus minus (13,5...16,5) В
2 Входное синфазное напряжение не более plus minus 10 В
3 Сопротивление нагрузки не менее 2 кОм
4 Температура окружающей среды -10...+70 ° C


Зарубежные аналоги

LF157 производимый National Semiconductor Corporation



Литература

Интегральные микросхемы и их зарубежные аналоги: Справочник. Том 7./А. В. Нефедов. - М.:ИП РадиоСофт, 1999г. - 640с.:ил.

Отечественные микросхемы и зарубежные аналоги Справочник. Перельман Б.Л.,Шевелев В.И. "НТЦ Микротех", 1998г.,376 с. - ISBN-5-85823-006-7

Операционные усилители Справочник. том 1 М.,"Физматлит", 1993 г.,240 с. - ISBN 5-02-015113-0


Навигатор: QRZ.RU > Радиолюбительская справочники > Справочник по отечественным микросхемам

Партнеры