LAB599.RU — интернет-магазин средств связи
EN FR DE CN JP
QRZ.RU > Технические справочники > Справочник по отечественным микросхемам. > Параметры интегральных микросхем 140 серии > К140УД7, КР140УД7, КР140УД708, КФ140УД7, КБ140УД7-4 - операционные усилители средней точности с внутренней частотной коррекцией

К140УД7, КР140УД7, КР140УД708, КФ140УД7, КБ140УД7-4 - операционные усилители средней точности с внутренней частотной коррекцией

Навигатор: QRZ.RU > Радиолюбительская справочники > Справочник по отечественным микросхемам

Корпус К140УД7
Корпус КР140УД7
Корпус КР140УД708
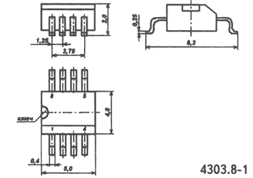
Корпус КФ140УД7
Схемы балансировки
Электрические параметры
Предельно допустимые режимы эксплуатации
Рекомендации по применению
Зарубежные аналоги
Литература


Микросхемы представляют собой операционые усилители средней точности с внутренней частотной коррекцией и защитой выхода от короткого замыкания. Корпус К140УД7 типа 301.8-2, масса не более 1,5 г., КР140УД7 типа 201.14-1, КР140УД608 типа 2101.8-1, КФ140УД7 типа 4303.8-1, КБ140УД7-4 - бескорпусный.



Корпус К140УД7

301.8-2 package view
Корпус КР140УД7

201.14-1.gif package view
Корпус КР140УД708

201.14-1.gif package view
Корпус КФ140УД7

4303.8-1.gif package view
Схемы балансировки

условное графическое обозначение
Назначение выводов КР140УД7:
1,2,7,8,13,14 - свободные;
3,9 - балансировка;
4 - вход инвертирующий;
5 - вход неинвертирующий;
6 - напряжение питания -Uп;
10 - выход;
11 - напряжение питания +Uп;
12 - коррекция;
Назначение выводов К140УД7, КР140УД708, КФ140УД7:
1,5 - балансировка;
2 - вход инвертирующий;
3 - вход неинвертирующий;
4 - напряжение питания -Uп;
6 - выход;
7 - напряжение питания +Uп;
8 - коррекция;
Электрические параметры

1 Напряжение питания plus minus 15 В plus minus 10%
2 Диапазон синфазных входных напряжений при Uп= plus minus 15 В plus minus 12 В
3 Максимальное выходное напряжение
при Uп= plus minus 15 В, Uвх= plus minus 0,1 В, Rн = 2 кОм
plus minus 10,5 В
4 Напряжение смещения нуля при Uп= plus minus 15 В, Rн = 2 кОм
    К140УД7, КР140УД7, КР140УД708
    КФ140УД7
 
не более 9 мВ
не более 6 мВ
5 Входной ток при Uп= plus minus 15 В, Rн = 2 кОм не более 400 нА
6 Разность входных токов при Uп= plus minus 15 В, Rн = 2 кОм не более 200 нА
7 Ток потребления при Uп= plus minus 15 В, Rн = 2 кОм не более 3,5 мА
8 Коэффициент усиления напряжения
    К140УД7, КР140УД7, КР140УД708
    КФ140УД7
 
не менее 30000
не менее 25000
9 Входное сопротивление не менее 400 кОм


Предельно допустимые режимы эксплуатации

1 Напряжение питания plus minus (5...17) В
2 Входное синфазное напряжение plus minus 12 В
3 Входное дифференциальное напряжение не более 24 В
4 Время, в течении которого допустимо короткое замыкание выхода
    при T=-45...+35 ° C
    при T=+35...+85 ° C
    для КФ140УД7 при T=-10...+70 ° C
 
не ограниченно
60 c
5 c


Рекомендации по применению

Питание КФ140УД7 можно осуществлять ассиметричными напряжениями или от одного источника напряжения при условии: 10 В less or equally |Uп1|+|Uп2| less or equally 33 В. При этом нагрузка подключается к "+" или "-" источника питания. Бескорпусную ИС К140УД7-4 следует приклеивать к подложке нерабочей стороной, также должен быть обеспечен такой отвод теплоты, чтобы температура кристалла состовляла не более 135 ° C.



Зарубежные аналоги

µ A741HC, µ A741PC



Литература

Интегральные микросхемы и их зарубежные аналоги: Справочник. Том 7./А. В. Нефедов. - М.:ИП РадиоСофт, 1999г. - 640с.:ил.

Отечественные микросхемы и зарубежные аналоги Справочник. Перельман Б.Л.,Шевелев В.И. "НТЦ Микротех", 1998г.,376 с. - ISBN-5-85823-006-7

Интегральные микросхемы Справочник. Тарабрин Б.В.,Лунин Л.Ф.,Смирнов Ю.Н. "Радио и связь", 1983 г.,528 с. - ББК 32.844.1 И73


Навигатор: QRZ.RU > Радиолюбительская справочники > Справочник по отечественным микросхемам

Партнеры