Что-то не так?
Пожалуйста, отключите Adblock.
Портал QRZ.RU существует только за счет рекламы, поэтому мы были бы Вам благодарны если Вы внесете сайт в список исключений. Мы стараемся размещать только релевантную рекламу, которая будет интересна не только рекламодателям, но и нашим читателям. Отключив Adblock, вы поможете не только нам, но и себе. Спасибо.
Как добавить наш сайт в исключения AdBlockРеклама
Параметры интегральных микросхем К148УН1
| Навигатор: QRZ.RU > Радиолюбительская справочники > Справочник по отечественным микросхемам |
Условное графическое обозначение ИМС К148УН1
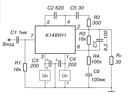
Типовая схема включения К148УН1
Электрические параметры
Предельно допустимые режимы эксплуатации
Рекомендации по применению
Зарубежные аналоги
Литература
Микросхема представляет собой усилитель мощности низкой частоты с выходной мощностью 1 Вт при сопротивлении нагрузки 30 Ом. Корпус типа 311.8-2, масса не более 23 г.
Условное графическое обозначение ИМС К148УН1

1 - напряжение питания (-Uп);
2 - выход;
3 - напряжение питания (+Uп);
4,5 - внешняя коррекция;
6 - вход 1;
7 - вход 2;
Типовая схема включения ИМС К148УН1
Электрические параметры
| 1 | Номинальное напряжение питания | |
| 2 | Выходное напряжение при Uп=26,4 В, f = 1 кГц, Rн=30 Ом |
|
| 3 | Ток потребления при Uп=
|
|
| 4 | Выходная мощность при Rн= 30 Ом | |
| 5 | Коэффициент усиления напряжения при Uп= |
100...200 |
| 6 | Коэффициент гармоник при Pвых= 1 Вт, Uп=   f= 1 кГц   f= 0,1 и 10 кГц |
    |
| 7 | Нестабильность коэффициента усиления при Uп= |
0,7...1,3 |
| 8 | Входное сопротивление при Uп= |
|
| 9 | Верхняя граничная частота | |
| 10 | Нижняя граничная частота |
Предельно допустимые режимы эксплуатации
| 1 | Напряжение питания       в предельном режиме |
|
| 2 | Входное напряжение       в предельном режиме |
20...60 мВ |
| 3 | Выходной ток (амплитудное значение)       в предельном режиме |
|
| 4 | Сопротивление нагрузки       в предельном режиме |
|
| 5 | Допустимое значение статического потенциала | 200 В |
| 6 | Температура основания корпуса (в предельном режиме) | +125 ° C |
| 7 | Температура окружающей среды | -45...+70 ° C |
Рекомендации по применению
При эксплуатации ИС корпус должен быть заземлен. Микросхемы необходимо
использовать с теплоотводом. При этом контактирующие поверхности
рекомендуется смазывать теплоотводящей пастой (например, КПТ-8)
Микросхема крепится к плате винтами за основание корпуса. Расстояние от
места пайки выводов микросхемы до корпуса 0,5...1 мм.
При работе с однополярным источником питания рекомендуется применять
сглаживающий RC-фильтр по питанию с постоянной времени не менее 20 мкс.
При этом на вывод 3 допускается подавать максимальное напряжение питания
30 В без входного сигнала
Конденсатор С7 подбирается в пределах 6,2...100 пФ для устранения
возбуждения
Зарубежные аналоги
Литература
Интегральные микросхемы и их зарубежные аналоги: Справочник. Том 2./А. В. Нефедов. - М.:ИП РадиоСофт, 1999г. - 640с.:ил.
| Навигатор: QRZ.RU > Радиолюбительская справочники > Справочник по отечественным микросхемам |