Что-то не так?
Пожалуйста, отключите Adblock.
Портал QRZ.RU существует только за счет рекламы, поэтому мы были бы Вам благодарны если Вы внесете сайт в список исключений. Мы стараемся размещать только релевантную рекламу, которая будет интересна не только рекламодателям, но и нашим читателям. Отключив Adblock, вы поможете не только нам, но и себе. Спасибо.
Как добавить наш сайт в исключения AdBlockРеклама
Параметры интегральных микросхем К148УН2
| Навигатор: QRZ.RU > Радиолюбительская справочники > Справочник по отечественным микросхемам |
Типовая схема включения К148УН1
Электрические параметры
Предельно допустимые режимы эксплуатации
Рекомендации по применению
Литература
Микросхема представляет собой усилитель мощности низкой частоты с выходной мощностью 1 Вт при сопротивлении нагрузки 4 Ом. Корпус типа 311.10-1, масса не более 23 г.
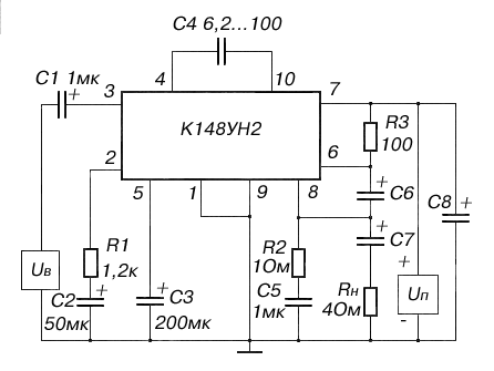
Типовая схема включения ИМС К148УН2
1,9 - корпус; 2 - обратная связь; 3 - вход; 4,10 - коррекция;
5 - фильтр; 6 - вывод; 7 - напряжение питания (+Uп); 8 - выход;
Электрические параметры
| 1 | Номинальное напряжение питания | 9 В |
| 2 | Выходное напряжение при Uп=9 В, f = 1 кГц, Rн=4 Ом |
|
| 3 | Ток потребления при Uп= 9 В, Rн= 4 Ом | |
| 4 | Выходная мощность при Rн= 4 Ом | |
| 5 | Коэффициент усиления напряжения при Uп=9 В, Rн= 4 Ом, f = 1 кГц, Uвх= 50 мВ |
10...30 |
| 6 | Коэффициент гармоник   при Pвых= 0,8 Вт,Uвых= 1,8 В   при Pвых= 1 Вт,Uвых= 2 В |
  |
| 7 | Входное сопротивление при Uп=9 В, Uвх= 50 мВ, f=1 кГц, Rн= 4 Ом |
|
| 8 | Верхняя граничная частота | |
| 9 | Нижняя граничная частота |
Предельно допустимые режимы эксплуатации
| 1 | Напряжение питания       в предельном режиме |
|
| 2 | Входное напряжение       в предельном режиме |
40...180 мВ |
| 3 | Выходной ток (амплитудное значение)       в предельном режиме |
|
| 4 | Сопротивление нагрузки       в предельном режиме |
|
| 5 | Допустимое значение статического потенциала | 200 В |
| 6 | Температура основания корпуса (в предельном режиме) | +125 ° C |
| 7 | Температура окружающей среды | -45...+70 ° C |
Рекомендации по применению
При эксплуатации ИС корпус должен быть заземлен. Микросхемы необходимо
использовать с теплоотводом. При этом контактирующие поверхности
рекомендуется смазывать теплоотводящей пастой (например, КПТ-8)
Микросхема крепится к плате винтами за основание корпуса. Расстояние от
места пайки выводов микросхемы до корпуса 0,5...1 мм.
Конденсатор С4 подбирается в пределах 6,2...100 пФ для устранения
возбуждения
Литература
Интегральные микросхемы и их зарубежные аналоги: Справочник. Том 2./А. В. Нефедов. - М.:ИП РадиоСофт, 1999г. - 640с.:ил.
| Навигатор: QRZ.RU > Радиолюбительская справочники > Справочник по отечественным микросхемам |