Что-то не так?
Пожалуйста, отключите Adblock.
Портал QRZ.RU существует только за счет рекламы, поэтому мы были бы Вам благодарны если Вы внесете сайт в список исключений. Мы стараемся размещать только релевантную рекламу, которая будет интересна не только рекламодателям, но и нашим читателям. Отключив Adblock, вы поможете не только нам, но и себе. Спасибо.
Как добавить наш сайт в исключения AdBlockРеклама
Параметры интегральных микросхем К153УД1А, К153УД101А
| Навигатор: QRZ.RU > Радиолюбительская справочники > Справочник по отечественным микросхемам |
Корпус ИМС К153УД1А
Корпус ИМС К153УД101А
Условное графическое обозначение ИМС К153УД1А, К153УД101А
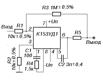
Схема инвертирующего усилителя на ИМС К153УД1А, К153УД101А.
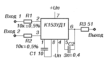
Схема компаратора напряжения на ИМС К153УД1А, К153УД101А
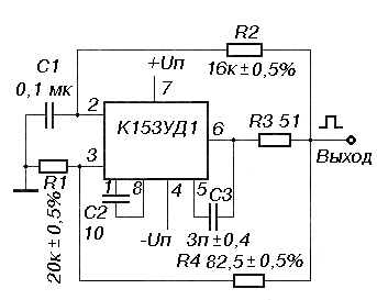
Схема генератора прямоугольных импульсов на ИМС К153УД1А, К153УД101А.
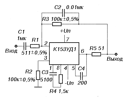
Схема дифференциатора на ИМС К153УД1А, К153УД101А.
Электрические параметры
Предельно допустимые режимы эксплуатации
Общие рекомендации по применению
Зарубежные аналоги
Литература
Микросхемы представляют собой операционные усилители средней точности, с
выходным напряжением
10 В. Предназначены в
основном для работы на относительно невысоких частотах. Для обеспечения
достаточно высокого входного сопротивления первый дифференциальный каскад
работает в режиме малых коллекторных токов, в результате чего паразитные и
корректирующие емкости ограничивают выходное напряжение на высокой частоте,
неустойчивость работы устраняется введением внешних цепей коррекции.
Содержат 90 интегральных элементов. Корпус К153УД1А типа 301.8-2,
К153УД101А - типа 301.8-1 , масса не более 1,5 г.
Корпус ИМС К153УД1А
Корпус ИМС К153УД101А
Условное графическое обозначение ИМС К153УД1А, К153УД101А

1,8 - частотная коррекция I;
2 - инвертирующий вход;
3 - неинвертирующий вход;
4 - напряжение питания (-Uп);
5 - частотная коррекция II;
6 - выход;
7 - напряжение питание (+Uп);
Схема инвертирующего усилителя на К153УД1А, К153УД101А.
Коэффициент усиления изменяется с помощью резисторов R1 и R3
Схема компаратора напряжения на ИМС К153УД1А, К153УД101А
Схема генератора прямоугольных импульсов на К153УД1А, К153УД101А. Период генерации определяется элементами R1, R2, R4 и C1
Схема дифференциатора на К153УД1А, К153УД101А. Постоянная времени определяется элементами R1 и С1
Электрические параметры
| 1 | Номинальное напряжение питания | |
| 2 | Максимальное выходное напряжение при Uп= |
|
| 3 | Напряжение смещения нуля при Uп=
|
|
| 4 | Входной ток при Uп=
|
|
| 5 | Средний входной ток при Uп=
|
|
| 6 | Разность входных токов при Uп=16,5 В, Rн
|
|
| 7 | Ток потребления при Uп=
|
|
| 8 | Коэффициент усиления напряжения при Uп=
|
|
| 9 | Коэффициент ослабления синфазных входных напряжений при Uп=
Rн |
|
| 10 | Коэффициент влияния нестабильности источников питания на напряжение смещения нуля | |
| 11 | Скорость нарастания выходного напряжения | 0,2 В/мкс |
| 12 | Время установления выходного напряжения | 0,3 мкс |
| 13 | Частота единичного усиления | 1 МГц |
| 14 | Входное сопротивление | 260 кОм |
| 15 | Выходное сопротивление | 150 Ом |
Предельно допустимые режимы эксплуатации
| 1 | Напряжение питания       в предельном режиме |
|
| 2 | Входное напряжение       в предельном режиме |
|
| 3 | Синфазные входные напряжения при Uп=
|
|
| 4 | Сопротивление нагрузки | |
| 5 | Рассеиваемая мощность       в предельном режиме |
|
| 6 | Статический потенциал | 100 В |
| 7 | Температура окружающей среды | -45...+85 ° C |
Общие рекомендации по применению
Максимальная температура пайки микросхем (270
10) ° C, расстояние от корпуса до места пайки не менее 1,5 мм,
продолжительность пайки не более 3 с.Допускается не более трех перепаек при
проведении монтажных операций.
Зарубежные аналоги
µ A709
Литература
Интегральные микросхемы и их зарубежные аналоги: Справочник. Том 2./А. В. Нефедов. - М.:ИП РадиоСофт, 1999г. - 640с.:ил.
| Навигатор: QRZ.RU > Радиолюбительская справочники > Справочник по отечественным микросхемам |