LAB599.RU — интернет-магазин средств связи
EN FR DE CN JP

Параметры интегральной микросхемы К153УД5, К153УД501

Навигатор: QRZ.RU > Радиолюбительская справочники > Справочник по отечественным микросхемам

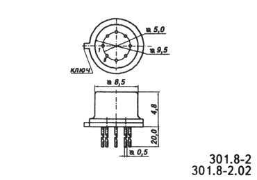
Корпус ИМС К153УД5
Корпус ИМС К153УД501
Типовая схема включения ИМС К153УД5, К153УД501
Электрические параметры
Предельно допустимые режимы эксплуатации
Общие рекомендации по применению
Зарубежные аналоги
Литература


Микросхемы представляют собой прецезионные малошумящие операционные усилители с выходным напряжением plus minus 10 В, большими коэффициентами усиления и подавления синфазной составляющей, низким дрейфом напряжения смещения нуля и чувствительностью к изменениям напряжения питания (коэффициент влияния нестабильности источников питания на напряжение смещения нуля менее 35 мкВ/В). Имеют защиту выхода от коротких замыканий. Содержат 45 интегральных элементов. Корпус К153УД5 типа 301.8-2, К153УД501 типа 3101.8-1, масса не более 1,3 г.

Корпус ИМС К153УД5

 301.8-2 package view




















Корпус ИМС К153УД501

 3101.8-1 package view




















Типовая схема включения ИМС К153УД5, К153УД501

K153UD5 application scheme

1,8 - балансировка; 2 - инвертирующий вход; 3 - неинвертирующий вход; 4 - напряжение питания (-Uп);
5 - частотная коррекция; 6 - выход; 7 - напряжение питание (+Uп);

Электрические параметры

1 Номинальное напряжение питания plus minus 15 Вplus minus 10 %
2 Максимальное выходное напряжение
при Uп= plus minus 15 В, Uвх= 0,1 plus minus 0,01 В, Rн= 2 plus minus 0,04 кОм
more or equally |plus minus 10| В
3 Напряжение смещения нуля при Uп= plus minus 15 В, Rн more or equale 10 кОм less or equale 2,5 мВ
4 Средний входной ток при Uп= plus minus 15 В, Rн more or equally10 кОм less or equally 250 нА
5 Разность входных токов при Uп= plus minus 15 В, Rн more or equally 10 кОм less or equally 30 нА
6 Ток потребления при Uп= plus minus 15 В, Rн more or equally 10 кОм less or equally 5 мА
7 Коэффициент усиления напряжения при Uп= plus minus 15 В, Rн=2 plus minus 0,04 кОм, more or equally 400000
8 Коэффициент ослабления синфазных напряжений при Uп= plus minus 15 В, Rн more or equally 10 кОм more or equally 94 дБ
9 Коэффициент влияния нестабильности источников питания на напряжение смещения нуля при Uп= plus minus 15 В, Rн more or equally 10 кОм less or equally 35мкВ/В
10 Частота единичного усиления 0,1 МГц
11 Входное сопротивление 1 МОм
12 Температурный дрейф напряжения смещения нуля 7 мкВ/ ° C


Предельно допустимые режимы эксплуатации

1 Напряжение питания
      в предельном режиме
plus minus (13,5...16,5) В
plus minus (5...16,5) В
2 Входное напряжение
      в предельном режиме
less or equally |plus minus 4,5| В
plus minus 5 В
3 Синфазные входные напряжения less or equally |plus minus 13,5| В
4 Сопротивление нагрузки more or equally 2 кОм
5 Рассеиваемая мощность
      в предельном режиме
less or equally 450 мВт,
less or equally 500 мВт
6 Статический потенциал 100 В
7 Температура окружающей среды -10...+70 ° C




Общие рекомендации по применению

Максимальная температура пайки микросхем (270 plus minus 10) ° C, расстояние от корпуса до места пайки не менее 1,5 мм, продолжительность пайки не более 3 с. При проведении монтажных операций допускается не более трех перепаек микросхем. Корпус ИС находится под отрицательным потенциалом.



Зарубежные аналоги

µ A725



Литература

Интегральные микросхемы и их зарубежные аналоги: Справочник. Том 2./А. В. Нефедов. - М.:ИП РадиоСофт, 1999г. - 640с.:ил.



Навигатор: QRZ.RU > Радиолюбительская справочники > Справочник по отечественным микросхемам

Партнеры