LAB599.RU — интернет-магазин средств связи
EN FR DE CN JP

Параметры интегральных микросхем К153УД6, К153УД601

Навигатор: QRZ.RU > Радиолюбительская справочники > Справочник по отечественным микросхемам

Корпус ИМС К153УД6
Корпус ИМС К153УД601
Условное графическое обозначение ИМС К153УД6,К153УД601
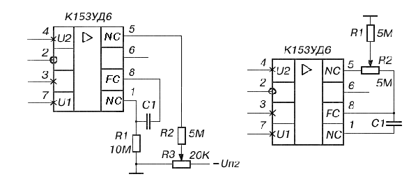
Схема балансировки напряжения нуля К153УД6,К153УД601.
Способы компенсации К153УД6, К153УД601
Электрические параметры
Предельно допустимые режимы эксплуатации
Общие рекомендации по применению
Зарубежные аналоги
Литература


Микросхемы представляют собой операционные усилители средней точности, являющиеся усовершенствованной модификацией усилителя К153УД2. Содержат 36 интегральных элементов. Корпус К153УД6 типа 301.8-2, К153УД601 - типа 301.8-2.02 или 3101.8-1, масса не более 1,5 г.

Корпус ИМС К153УД2

301.8-2 package view



















Корпус ИМС К153УД201

3101.8-1 package view



















Условное графическое обозначение ИМС К153УД2, К153УД201

Conditional graphic designation K153UD6

1 - балансировка, коррекция;
2 - инвертирующий вход;
3 - неинвертирующий вход;
4 - напряжение питания (-Uп);
5 - балансировка;
6 - выход;
7 - напряжение питание (+Uп);
8 - коррекция;





Схемы балансировки К153УД6, К153УД601.
Конденсаторы С1 и С2 - безиндукционные


The scheme of balancing of K153UD6

Способы компенсации К153УД6, К153УД601

Ways of indemnification of K153UD6

Электрические параметры

1 Номинальное напряжение питания plus minus 15 Вplus minus 10 %
2 Максимальное выходное напряжение
при Uп= plus minus 15 В, Uвх=0,1 В, Rн=2 plus minus 0,04 кОм
more or equally |plus minus 10| В
3 Напряжение смещения нуля при Uп= plus minus 15 В, Rн more or equally 10 кОм less or equally 2 мВ
4 Средний входной ток при Uп= plus minus 15 В, Rн more or equally 10 кОм less or equally 75 нА
5 Разность входных токов при Uп= plus minus 15 В less or equally 10 нА
6 Ток потребления при Uп= plus minus 15 В, Rн more or equally 10 кОм less or equally 3 мА
7 Коэффициент усиления напряжения при Uп= plus minus 15 В, Rн=2 plus minus 0,04 кОм, more or equally 50000
8 Скорость нарастания выходного напряжения 0,5 В/мкс
9 Время установления выходного напряжения 2 мкс
10 Входное сопротивление scheme 1500 кОм
11 Выходное сопротивление 300 Ом
12 Коэффициент ослабления синфазных входных напряжений
при Uп= plus minus 15 В, Rн more or equally 10 кОм
more or equally 80 дБ
13 Коэффициент влияния нестабильности источников питания на напряжение смещения нуля less or equally 35 Мкв/В
14 Средний температурный дрейф напряжения смещения нуля
при Uп= plus minus 15 В, Rн more or equally 10 кОм
less or equally 15мкВ/ ° C
15 Средний температурный дрейф разности входных токов
при Uп= plus minus 15 В, Rн more or equally 10 кОм
less or equally 0,2 нА/ ° C


Предельно допустимые режимы эксплуатации

1 Напряжение питания 13,5...16,5 В
2 Входное напряжение plus minus 30 В
3 Синфазные входные напряжения plus minus 12 В
4 Сопротивление нагрузки при Uвых more or equally 10 В more or equally 2 кОм
5 Статический потенциал 100 В
6 Температура окружающей среды -45...+85 ° C


Общие рекомендации по применению

Максимальная температура пайки микросхем (235 plus minus 5) ° C, расстояние от корпуса до места пайки не менее 1,5 мм, продолжительность пайки не более 2,5 с.При проведении монтажных операций допускается не более трех перепаек микросхем.
Корпус ИС находится под отрицательным потенцталом.
В процессе транспортировки, хранения, входного контроля эксплуатации ИС необходимо применять меры, исключающие воздействие на них статического электричества.
При понижении напряжения питания предельное значение синфазных входных напряжений должно быть снижено пропорционально.
Допускается питание ИС К153УД6 от ассиметричных источников или от одного источника питания при условии: 10 В less or equally |-Uп1|+|-Uп2| less or equally 33 В, Iн=5 мА
Синфазные входные напряжения не должны превышать (|Uп1|+|Uп2|)/2 и предельно допустимого значения. При этом все значения электрических параметров ИС не регламентируются.



Зарубежные аналоги

LM301A



Литература

Интегральные микросхемы и их зарубежные аналоги: Справочник. Том 2./А. В. Нефедов. - М.:ИП РадиоСофт, 1999г. - 640с.:ил.


Навигатор: QRZ.RU > Радиолюбительская справочники > Справочник по отечественным микросхемам

Партнеры