Что-то не так?
Пожалуйста, отключите Adblock.
Портал QRZ.RU существует только за счет рекламы, поэтому мы были бы Вам благодарны если Вы внесете сайт в список исключений. Мы стараемся размещать только релевантную рекламу, которая будет интересна не только рекламодателям, но и нашим читателям. Отключив Adblock, вы поможете не только нам, но и себе. Спасибо.
Как добавить наш сайт в исключения AdBlockРеклама
К155АГ1 - одновибратор с логическим элементом на входе
| Навигатор: QRZ.RU > Радиолюбительская справочники > Справочник по отечественным микросхемам |
Корпус ИМС К155АГ1
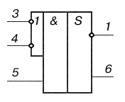
Условное графическое обозначение ИМС К155АГ1
Электрические параметры
Рекомендации по применению
Зарубежные аналоги
Литература
Микросхема представляет собой одновибратор с логическим элементом на входе.Содержит 55 итнегральных элементов.Корпус типа 201.14-1, масса не более 1 г.
Корпус ИМС К155АГ1
Условное графическое обозначение ИМС К155АГ1

1 - выход;
2,8,12,13 - свободные;
3,4,5 - входы;
6 - выход;
7 - общий;
9,10,11 - для подключения времязадающей цепи;
14 - напряжение питание;
Электрические параметры
| 1 | Номинальное напряжение питания | 5 В
|
| 2 | Выходное напряжение низкого уровня | |
| 3 | Выходное напряжение высокого уровня | |
| 4 | Напряжение на антизвонном диоде | |
| 5 | Входной ток низкого уровня   по выводам 3,4   по выводу 5 |
|
| 6 | Входной ток высокого уровня   по выводам 3,4   по выводу 5 |
|
| 7 | Входной пробивной ток |
|
| 8 | Ток короткого замыкания | -18...-55 мА |
| 9 | Ток потребления   при Uвх= 0   при Uвх= 4,5 В |
|
| 10 | Потребляемая статическая мощность | |
| 11 | Время задержки распространения при включении   по выводам 3,4   по выводу 5 |
|
| 12 | Время задержки распространения при выключении   по выводам 3,4   по выводу 5 |
Рекомендации по применению
Значение внешнего сопротивления между выводами 11 и 14 от 1,4 кОм до 40 кОм. Максимальная емкость между выводами 10 и 11 не более 1000 мкФ.
Зарубежные аналоги
SN74121N
Литература
Интегральные микросхемы и их зарубежные аналоги: Справочник. Том 2./А. В. Нефедов. - М.:ИП РадиоСофт, 1998г. - 640с.:ил.
Отечественные микросхемы и зарубежные аналоги Справочник. Перельман Б.Л.,Шевелев В.И. "НТЦ Микротех", 1998г.,376 с. - ISBN-5-85823-006-7
| Навигатор: QRZ.RU > Радиолюбительская справочники > Справочник по отечественным микросхемам |