Что-то не так?
Пожалуйста, отключите Adblock.
Портал QRZ.RU существует только за счет рекламы, поэтому мы были бы Вам благодарны если Вы внесете сайт в список исключений. Мы стараемся размещать только релевантную рекламу, которая будет интересна не только рекламодателям, но и нашим читателям. Отключив Adblock, вы поможете не только нам, но и себе. Спасибо.
Как добавить наш сайт в исключения AdBlockРеклама
К155ИД1, КМ155ИД1, КБ155ИД1-4 - высоковольтные дешифраторы управления газоразрядными индикаторами
| Навигатор: QRZ.RU > Радиолюбительская справочники > Справочник по отечественным микросхемам |
Корпус ИМС К155ИД1
Корпус ИМС КМ155ИД1
Условное графическое обозначение ИМС К155ИД1
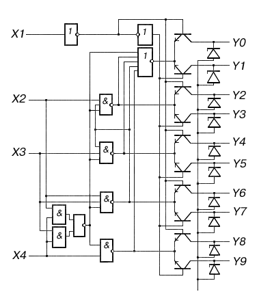
Функциональная схема ИМС К155ИД1
Электрические параметры
Предельно допустимые режимы эксплуатации
Рекомендации по применению
Зарубежные аналоги
Литература
Микросхемы представляют собой высоковольтные дешифраторы управления газоразрядными индикаторам. Предназначены для преобразования двоично-десятичного кода в десятичный. Дешифратор состоит из логических ТТЛ-схем и десяти высоковольтных транзисторов. На входяы X1-X4 поступают числа от 0 до 9 в двоичном коде, при этом открывается соответствующий выходной транзистор. Номер выбранного выхода соответствует десятичному эквиваленту входного кода. Коды, эквивалентные числам от 10 до 15, дешифратором на выходе не отображаются. Содержит 83 итнегральных элементов. Корпус К155ИД1 типа 238.16-1, КМ155ИД1 типа 201.16-5, КБ155ИД1-4 - бескорпусная.
Корпус ИМС К155ИД1
Корпус ИМС КМ155ИД1
Условное графическое обозначение ИМС К155ИД1, КМ155ИД1, КБ155ИД1-4

1 - выход V8;
2 - выход V9;
3 - вход X1;
4 - вход X4;
5 - напряжение питания (+Uп );
6 - вход X2;
7 - вход X3;
8 - выход V2;
9 - выход V3;
10 - выход V7;
11 - выход V5;
12 - общий;
13 - выход V4;
14 - выход V5;
15 - выход V1;
16 - выход V0;
Функциональная схема ИМС К155ИД1, КМ155ИД1, КБ155ИД1-4
Электрические параметры
| 1 | Номинальное напряжение питания | 5 В
|
| 2 | Выходное напряжение низкого уровня при Uп= 4,75 В, Iвых= 7 мА, Uвх0= 0,8 В, Uвх1= 2 В |
|
| 3 | Выходное пробивное напряжение при Uп= 5,25 В, Iвых= 0,5 мА, Uвх0= 0,8 В, Uвх1= 2 В |
|
| 4 | Прямое падение напряжение на антизвонном диоде при Uп= 4,75 В | |
| 5 | Входной ток низкого уровня при Uп= 5,25 В Uвх0=
0,4 В, Uвх1= 4,5 В   по выводу 3   по выводам 4,6,7 |
|
| 6 | Входной ток высокого уровня при Uп= 5,25 В Uвх0=
0 В, Uвх1= 2,4 В   по выводу 3   по выводам 4,6,7 |
|
| 7 | Входной пробивной ток при Uп= 5,25 В |
|
| 8 | Ток потребления при Uп= 5,25 В, Uвх0=0 В |
|
| 9 | Выходной ток высокого уровня при Uп= 5,25 В |
|
| 10 | Выходной ток высокого уровня при входной информации 10-15 |
|
Предельно допустимые режимы эксплуатации
| 1 | Напряжение на выходе закрытой ИС |
|
| 2 | Время нарастания и спада входного импульса |
|
| 3 | Температура окружающей среды   КМ155ИД1   К155ИД1 |
-45...+85 ° C -10...+70 ° C |
Рекомендации по применению
При работе ИС с газоразрядными индикаторами для исключения подсветки цифр необходимо, чтобы зажигание индикатора происходило при токе катода не менее 50 мкА, для чего напряжение на выходе дешифратора должно быть не более 55 В. Ограничение напряжения на закрытых выводах до 60 В и менее осуществляется путем подключения к выводам ИС внешних резисторов, стабилитронов, диодных матриц с общим катодом с подпором от резистивного делителя напряжения. При управлении работой газоразрядных индикаторов допискается эксплуатация ИС с напряжением на закрытых выходах более 60 В (на пробойных участках вольт-амперных характеристик внутренних ограничительных стабилитронов).При этом режиме эксплуатации наработка ИС составляет 500 ч. Значение параметров выходное пробивное напряжение и выходной пробивной ток характеризуют внутренние ограничительные стабилитроны на выходе ИС.
Зарубежные аналоги
SN74141N, SN74141J
Литература
Интегральные микросхемы и их зарубежные аналоги: Справочник. Том 2./А. В. Нефедов. - М.:ИП РадиоСофт, 1998г. - 640с.:ил.
Отечественные микросхемы и зарубежные аналоги Справочник. Перельман Б.Л.,Шевелев В.И. "НТЦ Микротех", 1998г.,376 с. - ISBN-5-85823-006-7
| Навигатор: QRZ.RU > Радиолюбительская справочники > Справочник по отечественным микросхемам |