Что-то не так?
Пожалуйста, отключите Adblock.
Портал QRZ.RU существует только за счет рекламы, поэтому мы были бы Вам благодарны если Вы внесете сайт в список исключений. Мы стараемся размещать только релевантную рекламу, которая будет интересна не только рекламодателям, но и нашим читателям. Отключив Adblock, вы поможете не только нам, но и себе. Спасибо.
Как добавить наш сайт в исключения AdBlockРеклама
К155ИЕ2, КМ155ИЕ2 - двоично-десятичный четырехразрядный счетчик
| Навигатор: QRZ.RU > Радиолюбительская справочники > Справочник по отечественным микросхемам |
Корпус ИМС К155ИЕ2
Корпус ИМС КМ155ИЕ2
Условное графическое обозначение
Функциональная схема
Электрические параметры
Предельно допустимые режимы эксплуатации
Зарубежные аналоги
Литература
Микросхемы представляют собой двоично-десятичные четырехразрядные счетчики. Каждая ИС состоит из четырех триггеров, внутренне соединенных для деления на 2 и 5. Может использоваться также в качестве делителя на 10. Корпус К155ИЕ2 типа 201.14-1, КМ155ИД2 типа 201.14-8.
Корпус ИМС К155ИЕ2
Корпус ИМС КМ155ИЕ2
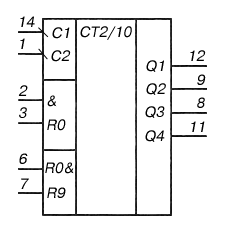
Условное графическое обозначение

1 - вход счетный С2;
2 - вход установки 0 R0(1);
3 - вход установки 0 R0(2);
4,13 - свободные;
5 - напряжение питания +Uп;
6 - вход установки 9 R9(1);
7 - вход установки 9 R9(2);
8 - выход Q3;
9 - выход Q2;
10 - общий;
11 - выход Q4;
12 - выход Q1;
14 - вход счетный C1;
Функциональная схема
Электрические параметры
| 1 | Номинальное напряжение питания | 5 В
|
| 2 | Выходное напряжение низкого уровня при Uп=4,75 В | не более 0,4 В |
| 3 | Выходное напряжение высокого уровня при Uп=4,75 В | не менее 2,4 В |
| 4 | Напряжение на антизвонном диоде при Uп=4,75 В | не менее -1,5 В |
| 5 | Входной ток низкого уровня по входам установки 0 и 9 при Uп=5,25 В | не более -1,6 мА |
| 6 | Входной ток низкого уровня по счетному входу С1 при Uп=5,25 В | не более -3,2 мА |
| 7 | Входной ток низкого уровня по счетному входу С2 при Uп=5,25 В | не более -6,4 мА |
| 8 | Входной ток высокого уровня по входам установки 0 и 9 при Uп=5,25 В | не более -0,04 мА |
| 9 | Входной ток высокого уровня по счетному входу С1 при Uп=5,25 В | не более 0,08 мА |
| 10 | Входной ток высокого уровня по счетному входу С2 при Uп=5,25 В | не более 0,16 мА |
| 11 | Ток входного пробивного напряжения по входам установки 0 и 9 с счетным входам С1 и С2 | не более 0,1 мА |
| 12 | Ток потребления | не более 53 мА |
| 13 | Время задержки распространения при включении по счетному входу С1 при Uп=5 В | не более 100 нс |
| 14 | Время задержки распространения при выключении по счетному входу С1 при Uп=5 В | не более 100 нс |
Предельно допустимые режимы эксплуатации
| 1 | Напряжение питания | не более 6 В |
| 2 | Минимальное напряжение на входе | -0,4 В |
| 3 | Максимальное напряжение на входе | 5,5 В |
| 4 | Минимальное напряжение на выходе | -0,3 В |
| 5 | Максимальное напряжение на выходе закрытой ИС | 5,25 В |
| 6 | Температура окружающей среды | -10...+70 ° C |
Зарубежные аналоги
SN7490AN, SN7490AJ
Литература
Интегральные микросхемы и их зарубежные аналоги: Справочник. Том 2./А. В. Нефедов. - М.:ИП РадиоСофт, 1998г. - 640с.:ил.
Отечественные микросхемы и зарубежные аналоги Справочник. Перельман Б.Л.,Шевелев В.И. "НТЦ Микротех", 1998г.,376 с. - ISBN-5-85823-006-7
| Навигатор: QRZ.RU > Радиолюбительская справочники > Справочник по отечественным микросхемам |