Что-то не так?
Пожалуйста, отключите Adblock.
Портал QRZ.RU существует только за счет рекламы, поэтому мы были бы Вам благодарны если Вы внесете сайт в список исключений. Мы стараемся размещать только релевантную рекламу, которая будет интересна не только рекламодателям, но и нашим читателям. Отключив Adblock, вы поможете не только нам, но и себе. Спасибо.
Как добавить наш сайт в исключения AdBlockРеклама
К155ИЕ5, КМ155ИЕ5 - двоичный счетчик
| Навигатор: QRZ.RU > Радиолюбительская справочники > Справочник по отечественным микросхемам |
Корпус ИМС К155ИЕ5
Корпус ИМС КМ155ИЕ5
Условное графическое обозначение
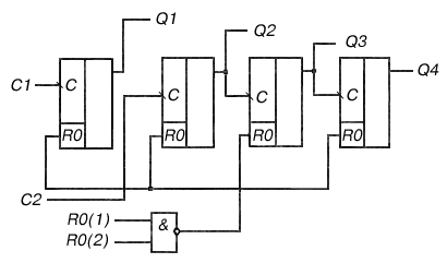
Функциональная схема
Электрические параметры
Предельно допустимые режимы эксплуатации
Зарубежные аналоги
Литература
Микросхемы представляет собой двоичный счетчик. Каждая ИС состоит из четырех JK-триггеров,образуя счетчик делитель на 2 и 8. Установочные входы обеспечивают прекращение счета и одновременно возвращают все триггеры в состояние низкого уровня (на входы R0(1) и R0(2) подается высокий уровень). Выход Q1 не соединен с последующими триггерами. Если ИС используется как четырехразрядный двоичный счетчик, то счетные импульсы подаются на С1, а если как трехразрядный - то на вход С2. Корпус К155ИЕ5 типа 201.14-1, КМ155ИД5 типа 201.14-8.
Корпус ИМС К155ИЕ5
Корпус ИМС КМ155ИЕ5
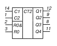
Условное графическое обозначение

1 - вход счетный С2;
2 - вход установки 0 R0(1); 3 - вход установки 0 R0(2);
4,6,7,13 - свободные; 5 - напряжение питания +Uп;
8 - выход Q3; 9 - выход Q2;
10 - общий; 11 - выход Q4;
12 - выход Q1; 14 - вход счетный C1;
Функциональная схема
Электрические параметры
| 1 | Номинальное напряжение питания | 5 В
|
| 2 | Выходное напряжение низкого уровня при Uп=4,75 В | не более 0,4 В |
| 3 | Выходное напряжение высокого уровня при Uп=4,75 В | не менее 2,4 В |
| 4 | Напряжение на антизвонном диоде при Uп=4,75 В | не менее 1,5 В |
| 5 | Входной ток низкого уровня по входам установки в 0 при Uп=5,25 В | не более -1,6 мА |
| 6 | Входной ток низкого уровня по счетным входам С1 и С2 при Uп=5,25 В | не более -3,2 мА |
| 7 | Входной ток высокого уровня по входам установки в 0 при Uп=5,25 В | не более -0,04 мА |
| 8 | Входной ток высокого уровня по счетным входам С1 и С2 при Uп=5,25 В | не более 0,08 мА |
| 9 | Ток входного пробивного напряжения по входам установки в 0 и счетным входам С1 и С2 | не более 1 мА |
| 10 | Ток потребления | не более 53 мА |
| 11 | Время задержки распространения при включении по счетному входу С1 при Uп=5 В | не более 135 нс |
| 12 | Время задержки распространения при выключении по счетному входу С1 при Uп=5 В | не более 135 нс |
| 13 | Ток короткого замыкания приUп=5,25 В | -18...57 мА |
Предельно допустимые режимы эксплуатации
| 1 | Напряжение питания | не более 6 В |
| 2 | Минимальное напряжение на входе | -0,4 В |
| 3 | Максимальное напряжение на входе | 5,5 В |
| 4 | Минимальное напряжение на выходе | -0,3 В |
| 5 | Максимальное напряжение на выходе закрытой ИС | 5,25 В |
| 6 | Температура окружающей среды     К155ИЕ5     КМ155ИЕ5 |
  -10...+70 ° C -45...+85 ° C |
Зарубежные аналоги
SN7493N, SN7493J
Литература
Интегральные микросхемы и их зарубежные аналоги: Справочник. Том 2./А. В. Нефедов. - М.:ИП РадиоСофт, 1998г. - 640с.:ил.
Отечественные микросхемы и зарубежные аналоги Справочник. Перельман Б.Л.,Шевелев В.И. "НТЦ Микротех", 1998г.,376 с. - ISBN-5-85823-006-7
| Навигатор: QRZ.RU > Радиолюбительская справочники > Справочник по отечественным микросхемам |