Что-то не так?
Пожалуйста, отключите Adblock.
Портал QRZ.RU существует только за счет рекламы, поэтому мы были бы Вам благодарны если Вы внесете сайт в список исключений. Мы стараемся размещать только релевантную рекламу, которая будет интересна не только рекламодателям, но и нашим читателям. Отключив Adblock, вы поможете не только нам, но и себе. Спасибо.
Как добавить наш сайт в исключения AdBlockРеклама
К155ИЕ8, КМ155ИЕ8 - делитель частоты с переменным коэффициентом деления
| Навигатор: QRZ.RU > Радиолюбительская справочники > Справочник по отечественным микросхемам |
Корпус ИМС К155ИЕ8
Корпус ИМС КМ155ИЕ8
Условное графическое обозначение
Электрические параметры
Зарубежные аналоги
Литература
Микросхемы представляет собой делитель частоты с переменным коэффициентом деления. Содержит 286 интегральных элементов. Корпус К155ИЕ8 типа 238.16-2, КМ155ИД8 типа 201.16-6.
Корпус ИМС К155ИЕ8
Корпус ИМС КМ155ИЕ8
Условное графическое обозначение

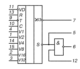
1 - вход умножения V2;
2 - вход умножения V16;
3 - вход умножения V32;
4 - вход умножения V1;
5 - выход "Z";
6 - выход "Y";
7 - выход "разрешения счета";
8 - общий;
9 - вход счетный;
10 - вход стробировани;
11 - вход "разрешения счета";
12 - вход последовательного включения;
13 - вход установки "0";
14 - вход умножения V4;
15 - вход умножения V8;
16 - напряжение питания;
Электрические параметры
| 1 | Номинальное напряжение питания | 5 В
|
| 2 | Выходное напряжение низкого уровня при Uп=4,75 В | не более 0,4 В |
| 3 | Выходное напряжение высокого уровня при Uп=4,75 В | не менее 2,4 В |
| 4 | Напряжение на антизвонном диоде при Uп=4,75 В | не менее -1,5 В |
| 5 | Входной ток низкого уровня     по выводам 1-4,10-15     по выводу 9 |
  не более -1,6 мА не более -3,2 мА |
| 6 | Входной ток высокого уровня     по выводам 1-4,10-15     по выводу 9 |
  не более 0,04 мА не более 0,08 мА |
| 7 | Входной пробивной ток | не более 1 мА |
| 8 | Ток короткого замыкания | -18...-57 мА |
| 9 | Ток потребления | не более 120 мА |
| 10 | Потребляемая статическая мощность | не более 630 мВт |
| 11 | Время задержки распространения при включении     от входа "разрешение счета" до выхода "разрешение счета"     от счетного входа до выхода Z     от входа "умножение" до выхода Z     от входа последовательного включения до выхода Y     от счетного входа до выхода "разрешение счета"     от входа "установка нуля" до выхода Z     от входа "стробирование" до выхода Z |
  не более 21 нс не более 26 нс не более 10 нс не более 10 нс не более 33 нс не более 23 нс не более 23 нс |
| 12 | Время задержки распространения при выключении     от входа "разрешение счета" до выхода "разрешение счета"     от счетного входа до выхода Z     от входа "умножение" до выхода Z     от входа последовательного включения до выхода Y     от счетного входа до выхода "разрешение счета"     от входа "стробирование" до выхода Z |
  не более 20 нс не более 18 нс не более 14 нс не более 14 нс не более 30 нс не более 18 нс |
| 13 | Коэффициент разветвления по выходу | 10 |
Зарубежные аналоги
SN7497N, SN7497J
Литература
Интегральные микросхемы и их зарубежные аналоги: Справочник. Том 2./А. В. Нефедов. - М.:ИП РадиоСофт, 1998г. - 640с.:ил.
Отечественные микросхемы и зарубежные аналоги Справочник. Перельман Б.Л.,Шевелев В.И. "НТЦ Микротех", 1998г.,376 с. - ISBN-5-85823-006-7
| Навигатор: QRZ.RU > Радиолюбительская справочники > Справочник по отечественным микросхемам |